电脑桌面
添加小米粒文库到电脑桌面
安装后可以在桌面快捷访问

MDV(H)系列家庭中央空调维修手册VIP免费

MDV(H)系列家庭中央空调维修手册_第1页
1/28
MDV(H)系列家庭中央空调维修手册_第2页
2/28
MDV(H)系列家庭中央空调维修手册_第3页
3/28
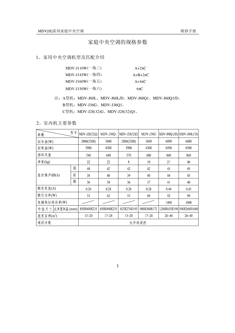
目 录1. ----------------------------------------------------------1家庭中央空调的规格参数1. ----------------------------------------------------------33. ------------------------------------------------------------------114. --------------------------------------------------------------125. LED-----------------------------------------------------136. LED-----------------------------------------------------157. -----------------------------------------------------------------------------178. -----------------------------------------------------189. -----------------------------------------------------2110. -------------------------------------------------------------------25家庭中央空调电控规格书非空调器故障现象遥控器的故障及原因室内机显示及诊断功能室外机显示及诊断功能电气配线故障产生的原因及排除方法家庭一拖多系列制冷系统图配管及接线简图MDV H[ ]系列家庭中央空调 维修手册 1MDV[H] 系列家庭中央空调维修手册注:型机:、、、。型机:、。型机:、。AMDV-J60LMDV-J60L/DMDV-J60Q1MDV-J60Q1/D BMDV-J36GMDV-J36Q1 CMDV-J28(32)GMDV-J28(32)Q11、家用中央空调机型及匹配介绍2、室内机主要参数()一拖四()一拖三()一拖五()一拖六MDV-J145WMDV-J110WMDV-J160WMDV-J150WA+B+2 CxA+2 CxA+4 Cx6 Cx家庭中央空调的规格参数 MDV[H] 系列家庭中央空调维修手册若产品因改良而发生规格改变,则以铭牌参数为准。注:括号内数据为当室内机为或电辅热型时的性能参数。MDV-J60L/DMDV-J60Q1/D()噪音值为全消声室中测得值。3、室外机主要参数2 家 庭 中 央 空 调 电 控 规 格 书显 示 部 分(接 收 遥 控 信 号 、 显 示 运 行 状 )态 、 开 关 键 响 应室 内 机 电 控 盒(电 源 、 完 成 全 部 系 统 功 能 、直 接 输 出 控 制 信 号 )室 外 电 控 部 分(压 缩 机 、 风 机四 通阀电 辅 热 )、、按 键 信 号 遥 控 信 号LED信 号 驱 动直 接 驱 动T3一 、 定 频 一 拖 一 部 分1. 控 制 功 能 结 构控 制 系 统 由 室 内 机 显 示 板 、 室 内 主 板 及 其 外 围 线 路 ( 无 室 外 主 板 ) 组 成 。 整 个 电 控 结 构 ...

1、当您付费下载文档后,您只拥有了使用权限,并不意味着购买了版权,文档只能用于自身使用,不得用于其他商业用途(如 [转卖]进行直接盈利或[编辑后售卖]进行间接盈利)。
2、本站所有内容均由合作方或网友上传,本站不对文档的完整性、权威性及其观点立场正确性做任何保证或承诺!文档内容仅供研究参考,付费前请自行鉴别。
3、如文档内容存在违规,或者侵犯商业秘密、侵犯著作权等,请点击“违规举报”。

碎片内容

MDV(H)系列家庭中央空调维修手册

您可能关注的文档

确认删除?
VIP
微信客服
  • 扫码咨询
会员Q群
  • 会员专属群点击这里加入QQ群
客服邮箱
回到顶部