电脑桌面
添加小米粒文库到电脑桌面
安装后可以在桌面快捷访问

地面、墙柱面装饰工程施工工艺VIP免费

地面、墙柱面装饰工程施工工艺_第1页
1/40
地面、墙柱面装饰工程施工工艺_第2页
2/40
地面、墙柱面装饰工程施工工艺_第3页
3/40
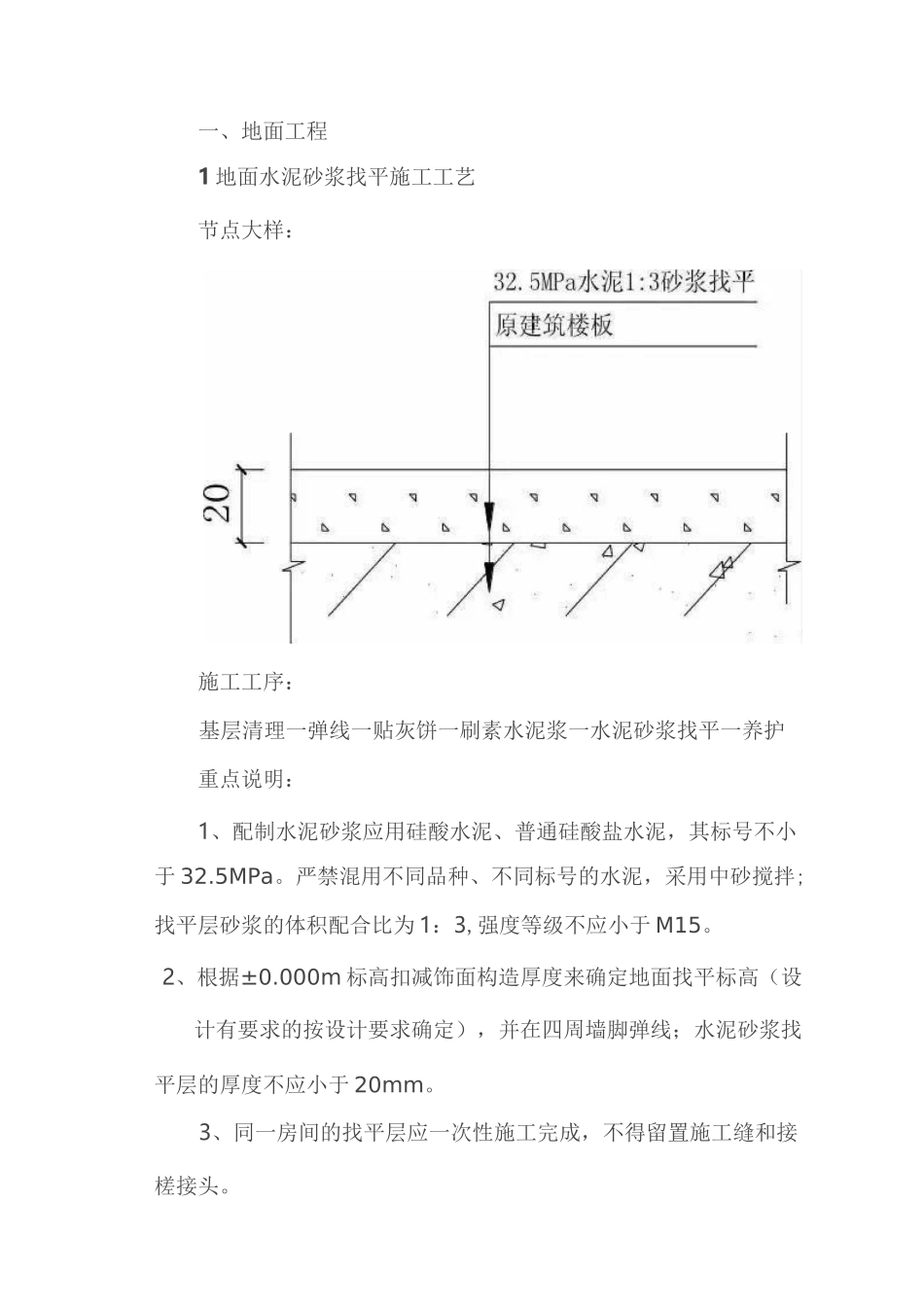
一、地面工程1 地面水泥砂浆找平施工工艺节点大样:施工工序:基层清理一弹线一贴灰饼一刷素水泥浆一水泥砂浆找平一养护重点说明:1、配制水泥砂浆应用硅酸水泥、普通硅酸盐水泥,其标号不小于 32.5MPa。严禁混用不同品种、不同标号的水泥,采用中砂搅拌;找平层砂浆的体积配合比为 1:3,强度等级不应小于 M15。2、根据±0.000m 标高扣减饰面构造厚度来确定地面找平标高(设计有要求的按设计要求确定),并在四周墙脚弹线;水泥砂浆找平层的厚度不应小于 20mm。3、同一房间的找平层应一次性施工完成,不得留置施工缝和接槎接头。施工图片:同的找平层烦一诈性ifI\Zj&i”-II»2 地面石材铺贴施工工艺一湘地血一石材专用胶一 1:3 干领性水泥砂浆齡层——素水泥扌驟处理一畝结繼施工工序:地面清理一试拼一水泥浆结合层一铺贴石材一养护一晶面处理重点说明:节点大样:1、石材排版图深化前须核对现场尺寸,厂家与项目部共同完成图纸深化,经项目部核对无误后下单生产。2、厂家应预先对石材毛板的颜色、纹理等进行挑选,按照排版图的顺序和尺寸进行加工,根据颜色、纹理一致的原则,对石材进行试拼、调整和编号(编号与排版图一致)。3、石材须做六面防护,石材六面防护须纵、横各一遍,待第一遍防护干后再刷第二遍防护,干后进行下道工序。4、石材在铺贴前应进行试拼,出现颜色或纹理错乱时应进行挑选,必要时要求厂家更换。5、深色石材采用 32.5MPa 普通硅酸盐水泥混合中砂或粗砂,(含泥量不大于 3%)1:3 配比;浅色系列石材采用 32・5MPa 白水泥砂浆掺白石屑 1:3 配比。6、大理石在铺贴前应铲除背后网格布,并补刷石材防护剂,晾干后进行铺贴;若质地较为松脆的石材,则须在工厂对石材背面去网后做背胶或背砂处理,到场后直接铺贴。7、表面平整度:1mm;缝格平直:1mm;接缝高低:0・5mm;踢脚线上口平直:1mm;板块间隙宽度:1mm。施工图片:/A勺*网啊涂刷砂或斷裂的石林应用木条用 50 工胶遴行粘寢帧 6E 雄过理中聲全析製3 地面釉面瓷砖铺贴施工工节点大样:地面拼乾石材輔貼蜩先进荷试铺釉面瓷砖地面清理一瓷砖浸水湿润一水泥砂浆结合层一安装标准块一铺贴地面砖一勾缝一清洁一养护重点说明:1、铺贴釉面陶瓷地面砖前,应先将陶瓷地面砖浸泡阴干(浸泡至不起气泡即可取出阴干)。2、同一空间饰面砖色泽应一致、套割边缘应整齐,大面无小块,开孔位置尺寸应正确,无裂痕和缺损;釉面瓷砖无掉角、爆边,结合处无三角洞及方形...

1、当您付费下载文档后,您只拥有了使用权限,并不意味着购买了版权,文档只能用于自身使用,不得用于其他商业用途(如 [转卖]进行直接盈利或[编辑后售卖]进行间接盈利)。
2、本站所有内容均由合作方或网友上传,本站不对文档的完整性、权威性及其观点立场正确性做任何保证或承诺!文档内容仅供研究参考,付费前请自行鉴别。
3、如文档内容存在违规,或者侵犯商业秘密、侵犯著作权等,请点击“违规举报”。

碎片内容

地面、墙柱面装饰工程施工工艺

确认删除?
VIP
微信客服
  • 扫码咨询
会员Q群
  • 会员专属群点击这里加入QQ群
客服邮箱
回到顶部