电脑桌面
添加小米粒文库到电脑桌面
安装后可以在桌面快捷访问

桩基础课程设计山东建筑大学VIP免费

桩基础课程设计山东建筑大学_第1页
1/4
桩基础课程设计山东建筑大学_第2页
2/4
桩基础课程设计山东建筑大学_第3页
3/4
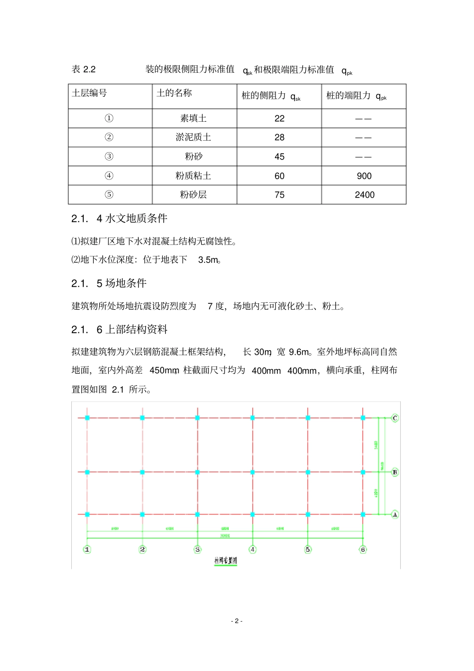
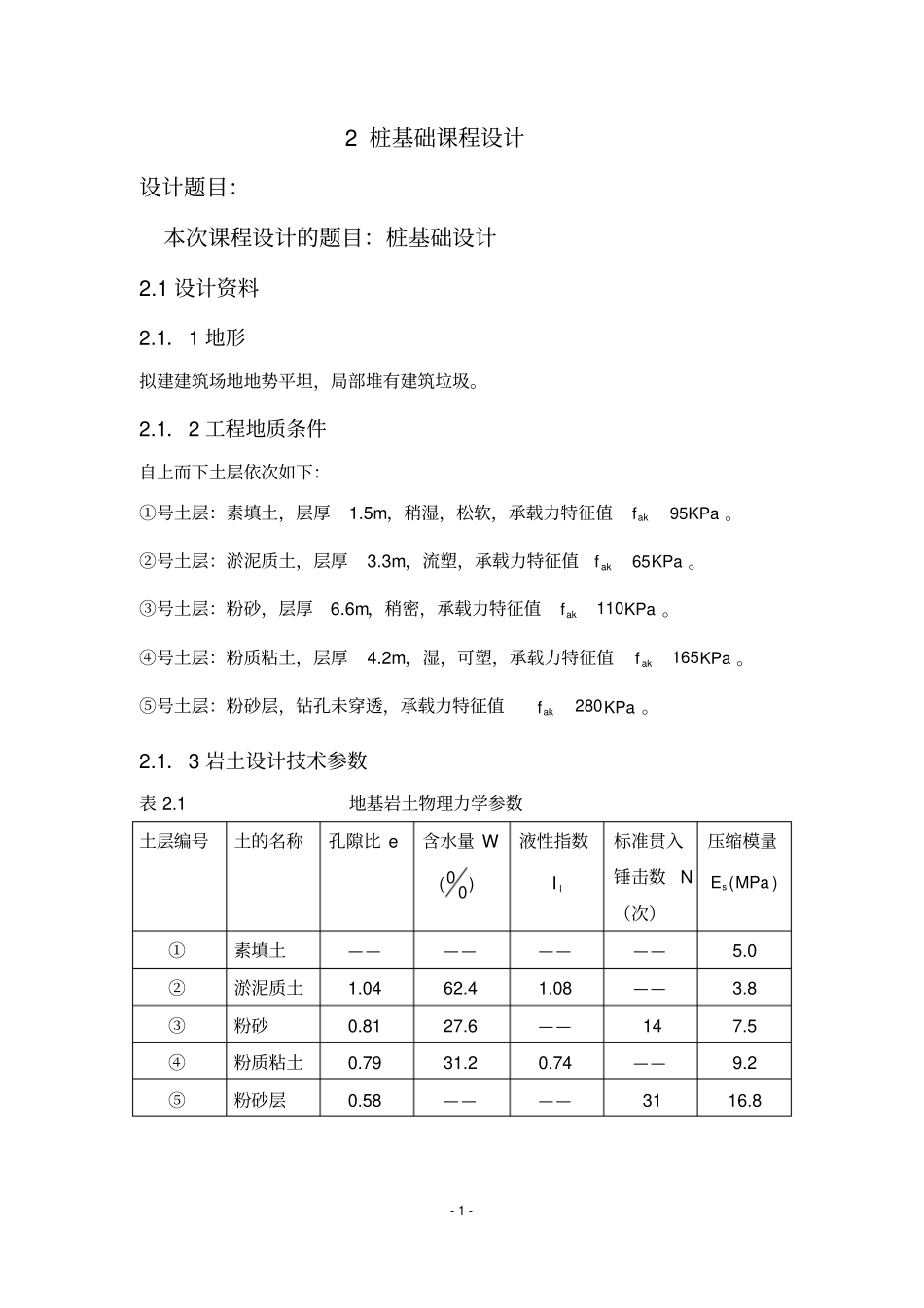
- 1 - 2 桩基础课程设计设计题目:本次课程设计的题目:桩基础设计2.1 设计资料2.1.1 地形拟建建筑场地地势平坦,局部堆有建筑垃圾。2.1.2 工程地质条件自上而下土层依次如下:①号土层:素填土,层厚1.5m,稍湿,松软,承载力特征值akf95KPa 。②号土层:淤泥质土,层厚3.3m,流塑,承载力特征值akf65KPa 。③号土层:粉砂,层厚6.6m,稍密,承载力特征值110akfKPa 。④号土层:粉质粘土,层厚4.2m,湿,可塑,承载力特征值165akfKPa 。⑤号土层:粉砂层,钻孔未穿透,承载力特征值280akfKPa 。2.1.3 岩土设计技术参数表 2.1 地基岩土物理力学参数土层编号土的名称孔隙比 e 含水量 W 0()0液性指数lI标准贯入锤击数N(次)压缩模量()sEMPa①素填土————————5.0 ②淤泥质土1.04 62.4 1.08 ——3.8 ③粉砂0.81 27.6 ——14 7.5 ④粉质粘土0.79 31.2 0.74 ——9.2 ⑤粉砂层0.58 ————31 16.8 - 2 - 表 2.2 装的极限侧阻力标准值skq 和极限端阻力标准值pkq土层编号土的名称桩的侧阻力skq桩的端阻力pkq①素填土22 ——②淤泥质土28 ——③粉砂45 ——④粉质粘土60 900 ⑤粉砂层75 2400 2.1.4 水文地质条件⑴拟建厂区地下水对混凝土结构无腐蚀性。⑵地下水位深度:位于地表下3.5m。2.1.5 场地条件建筑物所处场地抗震设防烈度为7 度,场地内无可液化砂土、粉土。2.1.6 上部结构资料拟建建筑物为六层钢筋混凝土框架结构,长 30m,宽 9.6m。室外地坪标高同自然地面,室内外高差 450mm。柱截面尺寸均为 400400mmmm,横向承重,柱网布置图如图 2.1 所示。- 3 - 2.1.7 本人设计资料本人分组情况为第二组第七个, 根据分组要求及参考书柱底荷载效应标准组合值及柱底荷载效应基本组合值选用 C 轴柱底荷载 . 柱底荷载效应标准组合值和柱底荷载效应基本组合值如下:⑴柱底荷载效应标准组合值A轴荷载:1660;196.m;134kkkFKN MKNVKN。B轴荷载:2060;202.m;143kkkFKN MKNVKN。C轴荷载:1820;213.m;122kkkFKN MKNVKN。⑵柱底荷载效应基本组合值A轴荷载:2140;215.m;166kkkFKN MKNVKN。B轴荷载:3090;216.m;157kkkFKN MKNVKN。C轴荷载:2500;228.m;152kkkFKN MKNVKN。2.2 预制桩基设计建筑物基础设计方案采用混凝土预制桩,具体设计方案如下:室外地坪标高为-0.45m,自然地面标高同室外地坪标高。该建筑桩基属于丙级建筑桩基,拟采用直径为 400mm的混凝土沉管灌注桩, 以...

1、当您付费下载文档后,您只拥有了使用权限,并不意味着购买了版权,文档只能用于自身使用,不得用于其他商业用途(如 [转卖]进行直接盈利或[编辑后售卖]进行间接盈利)。
2、本站所有内容均由合作方或网友上传,本站不对文档的完整性、权威性及其观点立场正确性做任何保证或承诺!文档内容仅供研究参考,付费前请自行鉴别。
3、如文档内容存在违规,或者侵犯商业秘密、侵犯著作权等,请点击“违规举报”。

碎片内容

桩基础课程设计山东建筑大学

文库当当响+ 关注
实名认证
内容提供者

该用户很懒,什么也没介绍

确认删除?
VIP
微信客服
  • 扫码咨询
会员Q群
  • 会员专属群点击这里加入QQ群
客服邮箱
回到顶部