电脑桌面
添加小米粒文库到电脑桌面
安装后可以在桌面快捷访问

检验报告风机VIP免费

检验报告风机_第1页
1/3
检验报告风机_第2页
2/3
检验报告风机_第3页
3/3
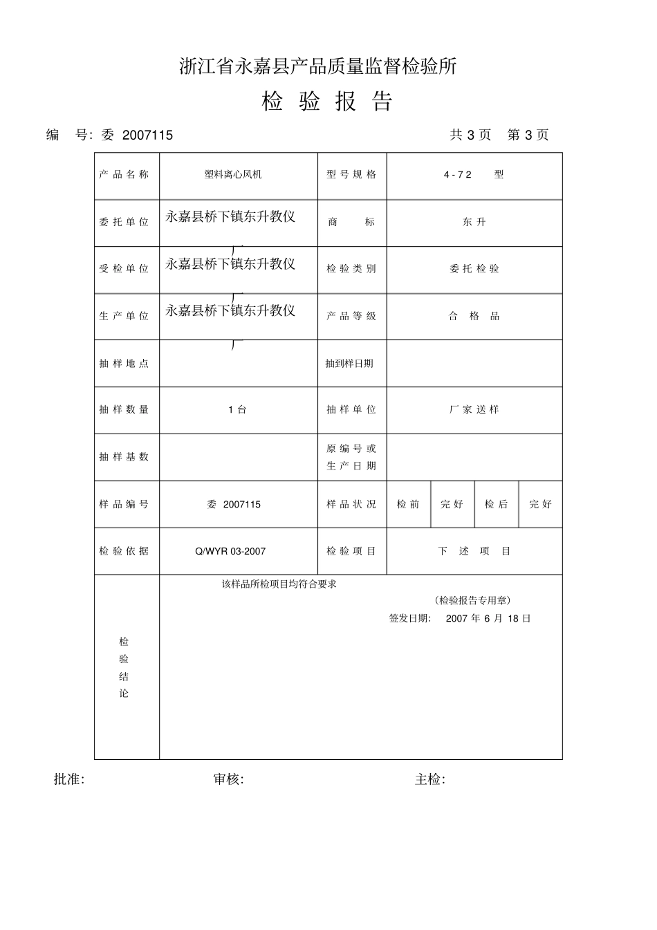
检 验 报 告报告编号委 2007115 产品名称 4-72型塑料离心风机委检单位永嘉县桥下镇东升教仪厂委托单位永嘉县桥下镇东升教仪厂检验类别委托检验浙江省永嘉县产品质量监督检验所二 00 七 年六 月 一十六 日4 - 7 2 型 离 心 风 机 检 验 报 告编号:委 2007115 共 3 页第 2 页序号检验项目标准要求实测结果结论1 性 能 试 验型 号 : 6 号 离 心 式 风 机功 率 : 5.5K W 转 速 : 1450 r/m in 风 量 : 0-18 500m3/ 小 时风 压 : 1136.8-781on 毒 气 排 污 率 : 97% 有 效 率 : 90% 符 合 要 求符合浙江省永嘉县产品质量监督检验所检 验 报 告编号:委 2007115 共 3 页第 3 页产 品 名 称塑料离心风机型 号 规 格4 - 7 2型委 托 单 位永嘉县桥下镇东升教仪厂商标东 升受 检 单 位永嘉县桥下镇东升教仪厂检 验 类 别委 托 检 验生 产 单 位永嘉县桥下镇东升教仪厂产 品 等 级合格品抽 样 地 点抽到样日期抽 样 数 量1 台抽 样 单 位厂 家 送 样抽 样 基 数原 编 号 或生 产 日 期样 品 编 号委 2007115 样 品 状 况检 前完 好检 后完 好检 验 依 据Q/WYR 03-2007 检 验 项 目下述项目检验结论该样品所检项目均符合要求(检验报告专用章)签发日期:2007 年 6 月 18 日批准:审核:主检:

1、当您付费下载文档后,您只拥有了使用权限,并不意味着购买了版权,文档只能用于自身使用,不得用于其他商业用途(如 [转卖]进行直接盈利或[编辑后售卖]进行间接盈利)。
2、本站所有内容均由合作方或网友上传,本站不对文档的完整性、权威性及其观点立场正确性做任何保证或承诺!文档内容仅供研究参考,付费前请自行鉴别。
3、如文档内容存在违规,或者侵犯商业秘密、侵犯著作权等,请点击“违规举报”。

碎片内容

检验报告风机

确认删除?
VIP
微信客服
  • 扫码咨询
会员Q群
  • 会员专属群点击这里加入QQ群
客服邮箱
回到顶部