电脑桌面
添加小米粒文库到电脑桌面
安装后可以在桌面快捷访问

楼地面施工质量控制要点VIP免费

楼地面施工质量控制要点_第1页
1/8
楼地面施工质量控制要点_第2页
2/8
楼地面施工质量控制要点_第3页
3/8
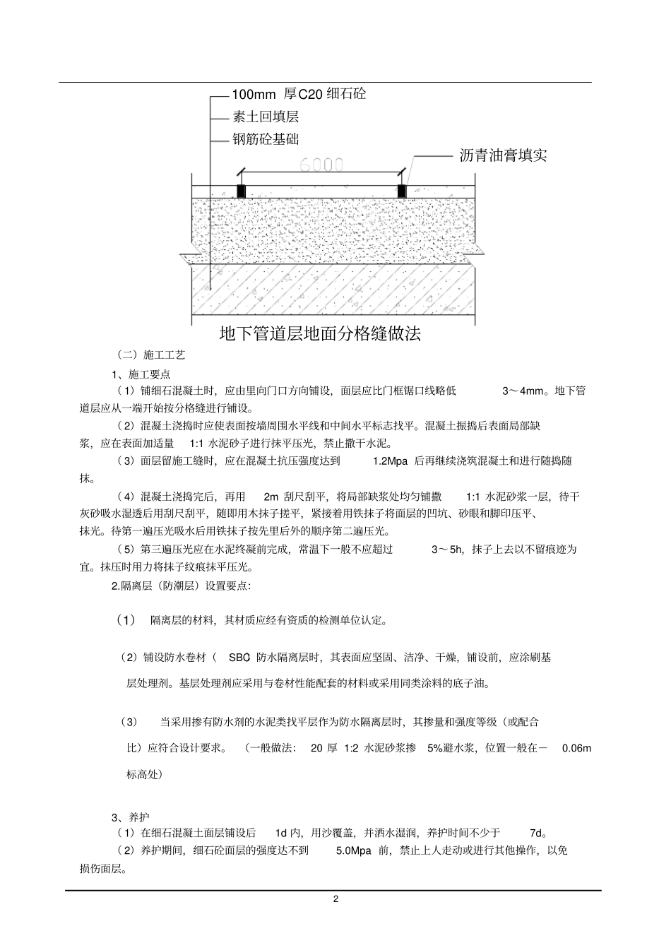
1 楼地面施工质量控制要点第一部分施工准备(一)、材料、机具准备1. 材料进场时,严格检查“三证 ”,确认包装上的材料名称、生产厂家、出厂日期的有效性。对不合格的产品严禁入场,合格的产品进行保管和标识。2. 材料进场后,按规定检查外观质量、取样复试,报监理合格后方能使用。第二部分主要施工方法控制要点一、细石混凝土地面施工:(一)施工准备1. 材料要求(1)水泥:宜采用矿渣硅酸盐水泥,水泥标号不低于32.5 号。(2)骨料:细骨料宜用中砂或粗砂,也可两者混合使用;粗骨料采用碎石或卵石,其粒径应不大于 15mm 及面层厚度的2/3,含泥量小于2%。2. 基层处理(1)地下管道层基层为回填土基层,应处理平整。(2)楼面基层为结构层,应清除干净基层上的浮灰、杂质;表面较滑的基层,应进行凿毛,并用清水冲洗干净。3. 找规矩(1)弹准线:地面铺设前,应先在墙上和柱弹上一道+100cm 标高线,作为确定细石砼面层标高的依据。(2)做标筋:根据水平基准线再把楼地面面层上皮的水平基准线弹出。面积不大的房间,可根据水平基准线直接用长木杠抹标筋,施工中进行几次复尺即可。面积较大的房间应根据水平基准线,在四周墙角每隔1.5m~2.0m 用 1:2 水泥砂浆抹标志块,标志块大小一般是8~10cm 见方。待标志块结硬后, 再以标志块的高度做出纵横通长的标筋以控制面层厚度。标筋用 1:2 水泥砂浆, 抹 8~10cm宽。(3)找坡度:户内卫生间楼面,应在地漏四周找出不小于1%的泛水,并弹好水平线,避免地面“倒流水”或积水。抄平时应注意卫生间室内与其它楼面高度的关系。4. 分格缝的设置地下管道层的细石砼地面(墙角、門垛)应设置分格缝,分格缝间距不大于6m,缝中钢筋应断开,面层施工时用1.5cm 厚的木条(塑料条)做分格,经过养护期后将木条取出,在缝两边弹线(间距 2cm)用切割机沿线将分格缝切为2cm 宽,将缝内清理干净用沥青油膏填实。(见下图)2 钢筋砼基础素土回填层100mm 厚C20 细石砼沥青油膏填实地下管道层地面分格缝做法(二)施工工艺1、施工要点( 1)铺细石混凝土时,应由里向门口方向铺设,面层应比门框锯口线略低3~4mm。地下管道层应从一端开始按分格缝进行铺设。( 2)混凝土浇捣时应使表面按墙周围水平线和中间水平标志找平。混凝土振捣后表面局部缺浆,应在表面加适量1:1 水泥砂子进行抹平压光,禁止撒干水泥。( 3)面层留施工缝时,应在混凝土抗压强度达到1.2Mpa 后再继续浇筑混凝土和...

1、当您付费下载文档后,您只拥有了使用权限,并不意味着购买了版权,文档只能用于自身使用,不得用于其他商业用途(如 [转卖]进行直接盈利或[编辑后售卖]进行间接盈利)。
2、本站所有内容均由合作方或网友上传,本站不对文档的完整性、权威性及其观点立场正确性做任何保证或承诺!文档内容仅供研究参考,付费前请自行鉴别。
3、如文档内容存在违规,或者侵犯商业秘密、侵犯著作权等,请点击“违规举报”。

碎片内容

楼地面施工质量控制要点

文库响当当+ 关注
实名认证
内容提供者

该用户很懒,什么也没介绍

确认删除?
VIP
微信客服
  • 扫码咨询
会员Q群
  • 会员专属群点击这里加入QQ群
客服邮箱
回到顶部