电脑桌面
添加小米粒文库到电脑桌面
安装后可以在桌面快捷访问

楼板厚度检测报告VIP免费

楼板厚度检测报告_第1页
1/1
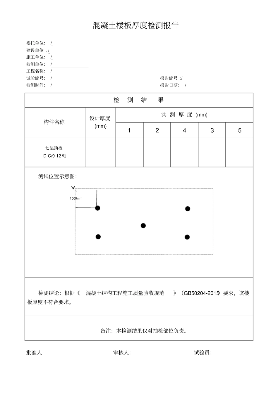
混凝土楼板厚度检测报告委托单位: / 建设单位 : / 施工单位: /检测单位: / 工程名称: / 试验编号: / 报告编号 :/检测时间: / 报告日期: /检测结果构件名称设计厚度(mm)实 测 厚 度 (mm)12435七层顶板D-C/9-12 轴测试位置示意图:1000mm检测结论:根据《混凝土结构工程施工质量验收规范》(GB50204-2015)要求,该楼板厚度不符合要求。备注:本检测结果仅对抽检部位负责。批准人:审核人:试验员:

1、当您付费下载文档后,您只拥有了使用权限,并不意味着购买了版权,文档只能用于自身使用,不得用于其他商业用途(如 [转卖]进行直接盈利或[编辑后售卖]进行间接盈利)。
2、本站所有内容均由合作方或网友上传,本站不对文档的完整性、权威性及其观点立场正确性做任何保证或承诺!文档内容仅供研究参考,付费前请自行鉴别。
3、如文档内容存在违规,或者侵犯商业秘密、侵犯著作权等,请点击“违规举报”。

碎片内容

楼板厚度检测报告

确认删除?
VIP
微信客服
  • 扫码咨询
会员Q群
  • 会员专属群点击这里加入QQ群
客服邮箱
回到顶部