电脑桌面
添加小米粒文库到电脑桌面
安装后可以在桌面快捷访问

模具部S检查表VIP免费

模具部S检查表_第1页
1/3
模具部S检查表_第2页
2/3
模具部S检查表_第3页
3/3
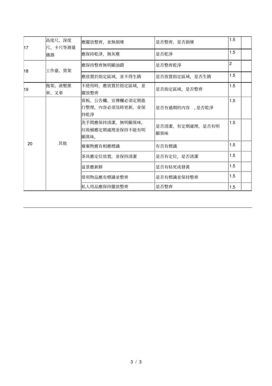
1 / 3 模具部 5S 檢查表得分:檢查日期:檢查員:序號檢查項目5S 標 准檢查(達要求得滿分 ;未達要求得零分)分值得分1 辦公區辦公室應標識是否標識1 辦公椅、辦公桌應保持乾淨、無汙跡、灰塵是否乾淨1.5檔、資料、表單應整齊放置不得淩亂檔、資料、表單是否參差不齊,歪斜、淩亂2 人離開辦公桌後,辦公椅應推至桌下,且應緊挨辦公桌平行放置是否推至桌下或未呈水平放置1.5 2 文件櫃、文件夾應保持乾淨、無灰塵是否有汙跡、灰塵1.5檔櫃、檔夾外應有標識,統一位置貼是否統一標識1檔夾、櫃內檔、資料、表單應擺放整齊,分類放置是否整齊,是否分類擺放2檔、資料應保持有目錄是否有目錄13 電腦、印表機、電話、計算器等辦公用品應保持擺放整齊並乾淨,無灰塵、無汙跡是否整齊?是否有灰塵、汙跡2 配線應束起來,不得淩亂是否沒有束起來或淩亂2 4 飲水機、電風扇、空調、燈管等電器無人或不用時須關閉電源是否節約用電1.5 應保持乾淨、清潔是否乾淨、清潔1.5 5 地面地面保持乾淨,無垃圾、無汙跡、紙屑、煙頭等以及鐵屑、銅屑及時處理是否乾淨,是否及時處理36 人員上班穿著整潔,佩帶廠牌是否整潔,佩帶廠牌1.5上班不得穿拖鞋是否有拖鞋現象1不得在工作區域吸煙、玩遊戲、上班時間打磕睡等不良現象是否有吸煙、玩遊戲、打磕睡等現象2工作態度文明、熱情是否有工作不配合、事難辦等現象27 門、窗、通道指示燈等門、窗必須有指定人員管理是否有指定人員管理1.5通道、出口必須標識清楚是否有標識1.5 保持門、窗乾淨、無灰塵、油蹟、無蛛網通道保持無油蹟、紙屑、紙是否有汙跡、灰塵、蛛網、是否有垃圾22 / 3 皮、煙頭等垃圾所有通道必須暢通,無障礙物是否有障礙物2指示燈應保持能正常使用是否能正常使用1.5 8 開關電源、排插、排線等電源開關、排插應保持乾淨並無破損是否乾淨、破損2開關是否有標識節約用電及責任人是否有標識1.5線路排線必須有保護,不得外露,排插排線不得淩亂、破損是否有保護、淩亂、破損29 消防栓、滅火器必須放置在指定區域內是否放在紅線內1.5不得超出有效期,並有定期點檢是否超出有效期,是否有點檢記錄1.510 車間應有標識,應有佈局圖是否有標識,是否有佈局圖1.5 應有區域劃分,產品、設備應按區域放置是否劃分區域,是否按區域放置2 11 鑽床、磨床、火花機、線切割、磨刀機等設備應有編號標識及責任人標識是否有標識1.5 應放置整齊是否整齊2 應保持無明顯灰塵,油不得外瀉是否乾淨,...

1、当您付费下载文档后,您只拥有了使用权限,并不意味着购买了版权,文档只能用于自身使用,不得用于其他商业用途(如 [转卖]进行直接盈利或[编辑后售卖]进行间接盈利)。
2、本站所有内容均由合作方或网友上传,本站不对文档的完整性、权威性及其观点立场正确性做任何保证或承诺!文档内容仅供研究参考,付费前请自行鉴别。
3、如文档内容存在违规,或者侵犯商业秘密、侵犯著作权等,请点击“违规举报”。

碎片内容

模具部S检查表

您可能关注的文档

确认删除?
VIP
微信客服
  • 扫码咨询
会员Q群
  • 会员专属群点击这里加入QQ群
客服邮箱
回到顶部