电脑桌面
添加小米粒文库到电脑桌面
安装后可以在桌面快捷访问

模板支撑体系操作指引与施工注意事项VIP免费

模板支撑体系操作指引与施工注意事项_第1页
1/31
模板支撑体系操作指引与施工注意事项_第2页
2/31
模板支撑体系操作指引与施工注意事项_第3页
3/31
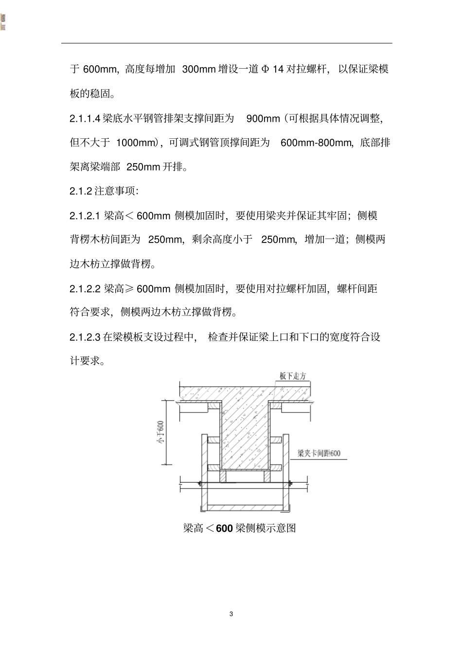
1 模板支撑系统操作指引及施工注意事项目录一、模板选型 .................................. 2 二、梁、板模板 .............................. 2 三、墙、柱模板 ............................... 7 四、细部模板 ................................... 15 五、模板施工工艺........................... 25 六、模板拆除 ................................... 29 七、质量保证措施............................ 31 八、安全保证措施............................ 322 模板支撑系统操作指引及施工注意事项为了提高混凝土工程的外观质量,避免出现错台、胀模等质量通病,保证支撑体系的强度、刚度、稳定性,禁止使用门式架作为模板支撑体系,建议使用扣件式钢管架、平插式钢管架、碗扣式钢管架作为模板支撑体系。 本操作指引适用于普通住宅木模板支撑系统,不适用于钢模板和砖胎模以及高支模等。一、模板选型剪力墙、柱、梁、板均采用18mm 厚多层板,50mm*100mm木枋作背楞,φ 48 钢管作主楞, 剪力墙模板设置不小于 φ 14 的对拉螺杆,人防区域内剪力墙(人防墙不是外墙时不设置)采用一次性螺杆,地下室外墙采用止水螺杆。二、梁、板模板2.1 梁模板2.1.1 具体做法2.1.1.1 梁底模及侧模板采用18mm 厚多层板,梁宽为200mm 时,底部设两根纵向木枋;梁宽大于200mm 时,底部每间隔100mm 设一根纵向木枋,木枋尺寸为50mm*100mm。2.1.1.2 当高< 600mm 时,梁侧模沿梁高方向设水平木枋背楞,间距为 250mm,采用梁夹固定。2.1.1.3 当梁高≥ 600mm 时,梁侧模沿梁高方向设置水平木枋背楞,间距为 250mm,采用对拉螺杆紧固,对拉螺杆沿梁长方向间距不大3 于 600mm,高度每增加 300mm 增设一道 Φ 14 对拉螺杆,以保证梁模板的稳固。2.1.1.4 梁底水平钢管排架支撑间距为900mm(可根据具体情况调整,但不大于 1000mm),可调式钢管顶撑间距为600mm-800mm,底部排架离梁端部 250mm 开排。2.1.2 注意事项:2.1.2.1 梁高< 600mm 侧模加固时,要使用梁夹并保证其牢固;侧模背楞木枋间距为 250mm,剩余高度小于250mm,增加一道;侧模两边木枋立撑做背楞。2.1.2.2 梁高≥ 600mm 侧模加固时,要使用对拉螺杆加固,螺杆间距符合要求,侧模两边木枋立撑做背楞。2.1.2.3 在梁模板支设过程中, 检查并保证梁上口和下口的宽度符合设计要求。梁高<600 梁侧模示意图4 梁高<600 梁模板照片大于600...

1、当您付费下载文档后,您只拥有了使用权限,并不意味着购买了版权,文档只能用于自身使用,不得用于其他商业用途(如 [转卖]进行直接盈利或[编辑后售卖]进行间接盈利)。
2、本站所有内容均由合作方或网友上传,本站不对文档的完整性、权威性及其观点立场正确性做任何保证或承诺!文档内容仅供研究参考,付费前请自行鉴别。
3、如文档内容存在违规,或者侵犯商业秘密、侵犯著作权等,请点击“违规举报”。

碎片内容

模板支撑体系操作指引与施工注意事项

文库当当响+ 关注
实名认证
内容提供者

该用户很懒,什么也没介绍

确认删除?
VIP
微信客服
  • 扫码咨询
会员Q群
  • 会员专属群点击这里加入QQ群
客服邮箱
回到顶部