电脑桌面
添加小米粒文库到电脑桌面
安装后可以在桌面快捷访问

武汉枢纽新建滠口货场工程第三批及舵落口货场改扩建精VIP免费

武汉枢纽新建滠口货场工程第三批及舵落口货场改扩建精_第1页
1/9
武汉枢纽新建滠口货场工程第三批及舵落口货场改扩建精_第2页
2/9
武汉枢纽新建滠口货场工程第三批及舵落口货场改扩建精_第3页
3/9
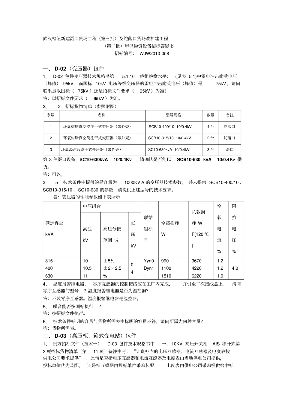
武汉枢纽新建滠口货场工程(第三批)及舵落口货场改扩建工程(第二批)甲供物资设备招标答疑书招标编号: WJW2010-058 一、 D-02(变压器)包件1、 D-02 包件变压器技术规格书第5.1.10绕组绝缘水平:(见表 5.1)中雷电冲击耐受电压(峰值) 95kV ,而国标 10kV 电压等级变压器的雷电冲击耐受电压(峰值)是75kV ,请问联系是以国标(75kV )还是招标文件要求(95kV )为准?答:以招标文件要求(95kV )为准。2、2 招标货物清单(参照附图)序号名称型号规格数量备注1 环氧树脂真空浇注干式变压器(带外壳)SCB10-400/10 10/0.4kV 4 台舵落口2 环氧树脂真空浇注干式变压器(带外壳)SCB10-315/10 10/0.4kV 2 台舵落口3 环氧浇注线绕干式变压器(带外壳)SC10-630kvA 10/0.4kV 3 台滠口第 3 件滠口设备SC10-630kvA 10/0.4Kv,请确认是否能以SCB10-630 kvA 10/0.4Kv 供货。答:可以。3、5 技术条件中提供的是容量为1000KV A 的变压器技术参数, 并未提供 SCB10-400/10 、SCB10-315/10 、SC10-630 的参数,请提供上述型号的技术要求。答:变压器的性能参数如下表所示额定容量kVA 电压组合联结组标号空载损耗W 负载损耗 W F(120 ℃) 空载电流% 阻抗电压% 高压kV 高压分接范围 % 低压kV 315 400 630 10;10.5 ;11 ±5%±2×2.5% 0.4 Yyn0 Dyn11 990 1100 1510 3670 4220 6220 1.2 1.2 1.0 4.0 4、 温度报警继电器,零序互感器的控制接线应在工厂内完成,并引至二次接线盒上。请问零序互感器的型号? 温度报警继电器是否为温控器?答:不装零序互感器。温度报警继电器是温控器。5、 噪音能否按国标执行? 答:按招标文件执行。6、 技术条件标明的容量与货物所需表中标明的容量不符,请问所需为何种容量?答:货物所需表。二、 D-03(高压柜、箱式变电站)包件1、 贵方招标文件(技术一)D-03 包件技术规格书中一、 10KV 高压开关柜AIS 移开式第2 项招标货物清单(第11 页)备注中写: “计费柜内的电压互感器、电流互感器及电度表按供电公司要求提供” 。此句是否指电压互感器和电流互感器及电度表由当地供电公司提供,投标单位代为装配,还是指互感器由投标单位采购装配,电度表由供电公司采购提供给中标人装配?请明确。答:投标文件应包含电压互感器、电流互感器及电度表等报价,签订技术协议及实施时再与当地供电公司协调。2、 D-03 包件技术规格书中一、 ...

1、当您付费下载文档后,您只拥有了使用权限,并不意味着购买了版权,文档只能用于自身使用,不得用于其他商业用途(如 [转卖]进行直接盈利或[编辑后售卖]进行间接盈利)。
2、本站所有内容均由合作方或网友上传,本站不对文档的完整性、权威性及其观点立场正确性做任何保证或承诺!文档内容仅供研究参考,付费前请自行鉴别。
3、如文档内容存在违规,或者侵犯商业秘密、侵犯著作权等,请点击“违规举报”。

碎片内容

武汉枢纽新建滠口货场工程第三批及舵落口货场改扩建精

确认删除?
VIP
微信客服
  • 扫码咨询
会员Q群
  • 会员专属群点击这里加入QQ群
客服邮箱
回到顶部