电脑桌面
添加小米粒文库到电脑桌面
安装后可以在桌面快捷访问

VB与PLC的通信VIP免费

VB与PLC的通信_第1页
1/12
VB与PLC的通信_第2页
2/12
VB与PLC的通信_第3页
3/12
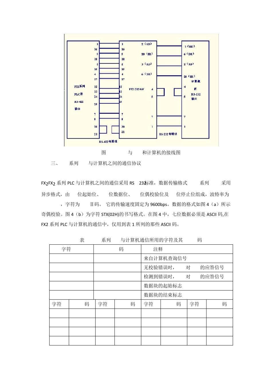
利 用 VB6.0 实 现 PC 与 三 菱 PLC 的 通 信 本 文 介 绍 的 PC 与 三 菱 FX 系 列 PLC 通 信 , 是 通 过 PLC 的 编 程 口 与 PC 机 的 串 口 进行 的 , 采 用 编 程 电 缆 作 为 计 算 机 与 PLC 通 信 的 连 线 。 FX2系 列 PLC的 编 程 接 口 采 用 RS-422标 准 , 而 计 算 机 的 串 行 口 采 用 的 是 RS-232标 准 ,因 此 作 为 实 现 PLC与 计 算 机 通 信 的 接 口 模 块 FX-232AW,必 须 将 RS-422标 准 转 换 成 RS-232标准 , 同 时 在 实 现 上 述 过 程 中 采 用 光 电 隔 离 技 术 。 图 1 一 、 串 口 的 相 关 知 识 1) 串 行 通 信 的 概 念 图 2 所 谓 “串 行 通 信 ”是 指 外 设 和 计 算 机 间 使 用 一 根 数 据 信 号 线 (另 外 需 要 地 线 ,可 能 还 需 要控 制 线 ),数 据 在 一 根 数 据 信 号 线 上 一 位 一 位 地 进 行 传 输 ,每 一 位 数 据 都 占 据 一 个 固 定 的 时 间长 度 。 如 图 2 所 示 。 这 种 通 信 方 式 使 用 的 数 据 线 少 , 在 远 距 离 通 信 中 可 以 节 约 通 信 成 本 , 当然 , 其 传 输 速 度 比 并 行 传 输 慢 2) 常 见 的 串 口 通 信 规 约 : 目 前 较为 常 用 的 串 口 有9针串 口 (DB9) 和 25 针串 口 (DB25), 通 信 距 离 较近时 (<12m),可 以 用 电 缆 线 直接 连 接 标 准 RS232端口 (RS422,RS485较远 ), 若距 离 较远 , 需 附加调制 解调器(MODEM)。 最为 简单且常 用 的 是 三 线 制 接 法, 即地 、 接 收数 据 和 发送数 据 三 脚相 连 , 且直接 用RS232相 连 。 RS-232C: “1”=-3~-15; “0”=+3~+15 速 率: 0~20000bps;一 般传 输距 离 : 15m。 RS-422: 采 用 平衡传 输 , 平衡发送器、 差动接 收器, 速 率: 10Mbps/15m; 90Kbps/1200m抗 干 扰 能 力 强 。 DB9和DB25的常用信号脚说明 9针串口(DB9) 25针串口(DB25) 针号 功能说明 缩写 针号 功能说明 缩写 1 数据载波检测 DCD 8 数据载波检测 DCD 2 ...

1、当您付费下载文档后,您只拥有了使用权限,并不意味着购买了版权,文档只能用于自身使用,不得用于其他商业用途(如 [转卖]进行直接盈利或[编辑后售卖]进行间接盈利)。
2、本站所有内容均由合作方或网友上传,本站不对文档的完整性、权威性及其观点立场正确性做任何保证或承诺!文档内容仅供研究参考,付费前请自行鉴别。
3、如文档内容存在违规,或者侵犯商业秘密、侵犯著作权等,请点击“违规举报”。

碎片内容

VB与PLC的通信

小辰7+ 关注
实名认证
内容提供者

出售各种资料和文档

相关标签

确认删除?
VIP
微信客服
  • 扫码咨询
会员Q群
  • 会员专属群点击这里加入QQ群
客服邮箱
回到顶部