电脑桌面
添加小米粒文库到电脑桌面
安装后可以在桌面快捷访问

X62W万能铣床电气原理图VIP免费

X62W万能铣床电气原理图_第1页
1/17
X62W万能铣床电气原理图_第2页
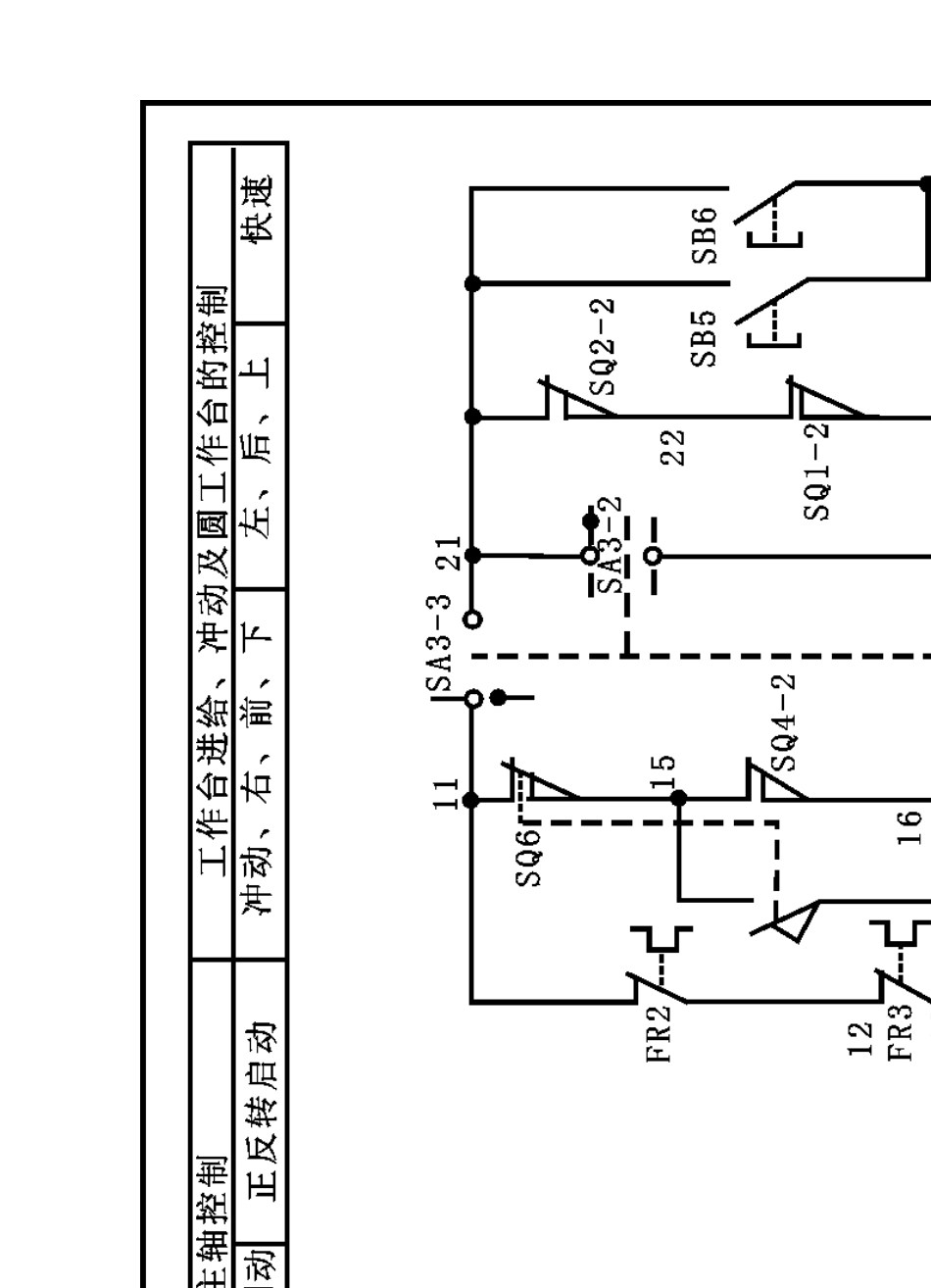
2/17
X62W万能铣床电气原理图_第3页
3/17
6 X62W 万能铣床的实训说明 一、X62W 万能铣床实训的基本组成 1、面板 1 面板上安装有机床的所有主令电器及动作指示灯、机床的所有操作都在这块面板上进行,指示灯可以指示机床的相应动作。 2、面板 2 面板上装有断路器、熔断器、接触器、热继电器、变压器等元器件,这些元器件直接安装在面板表面,可以很直观的看它们的动作情况。 3、电动机 三个 380V 三相鼠笼异步电动机,分别用作主轴电动机、进给电动机和冷却泵电动机。 4、故障开关箱 设有 32 个开关,其中 K1 到 K29 用于故障设置;K30 到 K31 四个开关保留;K32 用作指示灯开关,可以用来设置机床动作指示与不指示。 二、原理图 7 8 三、机床分析 1 、机床的主要结构及运动形式 (1 )主要结构 由床身、主轴、刀杆、 横梁、工作台、回转盘、横溜板和升降台等 几部分组成,如右图所示。 (2 )运动形式 1 )主轴转动是由主轴电动机通过弹性 联轴器来驱动传动机构,当机构中的一个双 联滑动齿轮块啮合时,主轴即可旋转。 1 ) 工作台面的移动是由进给电动机驱动,它通过机械机构使工作台能进行三种形式六个方向的移动,即:工作台面能直接在溜板上部可转动部分的导轨上作纵向(左、右)移动;工作台面借助横溜板作横向(前、后)移动;工作台面还能借助升降台作垂直(上、下)移动。 2 、机床对电气线路的主要要求 (1 )机床要求有三台电动机,分别称为主轴电动机、进给电动机和冷却泵电动机。 (2 )由于加工时有顺铣和逆铣两种,所以要求主轴电动机能正反转及在变速时能瞬时冲动一下,以利于齿轮的啮合,并要求还能制动停车和实现两地控制。 (3 )工作台的三种运动形式、六个方向的移动是依靠机械的方法来达到的,对进给电动机要求能正反转,且要求纵向、横向、垂直三种运动形式相互间应有联锁,以确保操作安全。同时要求工作台进给变速时,电动机也能瞬间冲动、快速进给及两地控制等要求。 (4 )冷却泵电动机只要求正转。 (5 )进给电动机与主轴电动机需实现两台电动的联锁控制,即主轴工作后才能进行进给。 3 .电气控制线路分析 9 机床电气控制线路见图。电气原理图是由主电路 、控制电路和照明电路三部分组成。 (1)主电路 有三台电动机。M1 是主轴电动机;M2 是进给电动机;M3 是冷却泵电动机。 1)主轴电动机M1 通过换相开关SA5 与接触器KM1 配合,能进行正反转控制,而与接触器KM2﹑制动电阻器R 及...

1、当您付费下载文档后,您只拥有了使用权限,并不意味着购买了版权,文档只能用于自身使用,不得用于其他商业用途(如 [转卖]进行直接盈利或[编辑后售卖]进行间接盈利)。
2、本站所有内容均由合作方或网友上传,本站不对文档的完整性、权威性及其观点立场正确性做任何保证或承诺!文档内容仅供研究参考,付费前请自行鉴别。
3、如文档内容存在违规,或者侵犯商业秘密、侵犯著作权等,请点击“违规举报”。

碎片内容

X62W万能铣床电气原理图

您可能关注的文档

确认删除?
VIP
微信客服
  • 扫码咨询
会员Q群
  • 会员专属群点击这里加入QQ群
客服邮箱
回到顶部