电脑桌面
添加小米粒文库到电脑桌面
安装后可以在桌面快捷访问

XMT600系列产品说明书VIP免费

XMT600系列产品说明书_第1页
1/7
XMT600系列产品说明书_第2页
2/7
XMT600系列产品说明书_第3页
3/7
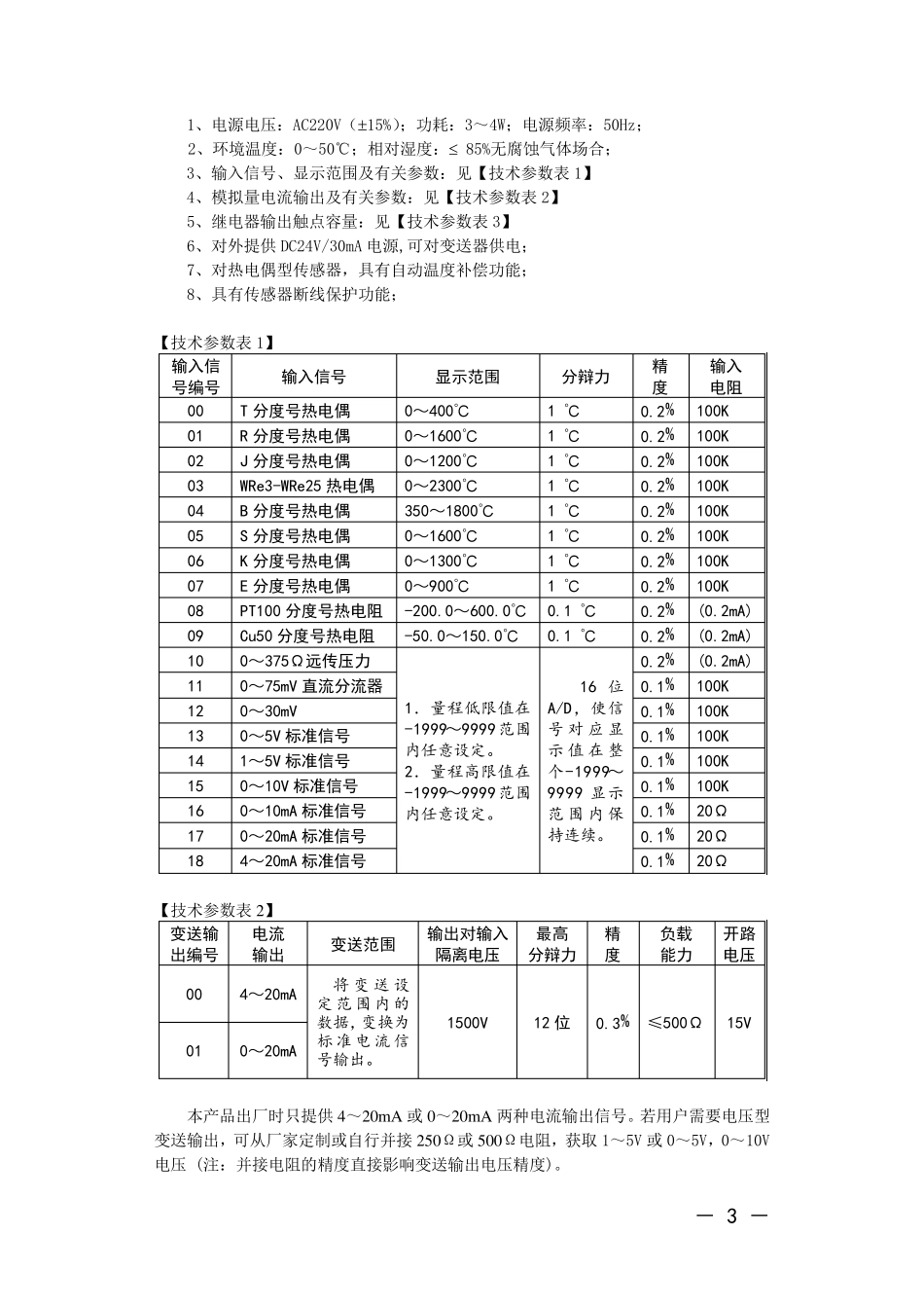
- 1 - XMT60X系列显示 、控制、变送智能仪表 使 用 说 明 书 - 2 - 产品概述 XMT60X 系 列 智 能 仪 表 , 集 成 了 显 示 、 控 制 、 变 送 等 多 种 功 能 , 可 广 泛 应 用 于 各 种自 动 控 制 领 域 。 其 主 要 特 点 如 下 : ●多 种 热 电 阻 、 电 偶 或 标 准 输 入 信 号 【 技 术 参 数 表 1】 可 随 时 设 定 。 对 非 线 性 输入 信 号 , 量 程 显 示 可 修 正 。 对 线 性 输 入 信 号 , 量 程 显 示 可 任 意 设 定 、 修 正 。 ●隔 离 模 拟 量 变 送 输 出 (12 位 分 辨 力 )。 变 送 范 围 任 意 设 定 、 修 正 。 ●两 路 继 电 器 输 出 , 任 意 组 态 。 一、型号命名及功能表达 1、 型 号 : XMT60X 系 列 仪 表 按 外 形 , 命 名 为 7 种 型 号 , 内 在 功 能 完 全 相 同 。 型号 外形尺寸 安装开孔尺寸 备注 XMT 602 48×48×108 44+0.5×44+0.5 有J2 报警灯,无J2 继电器 XMT 603 48×96×112(竖式) 44+0.5×92+0.7 XMT 604 96×48×112(横式) 92+0.7×44+0.5 XMT 605 72×72×112 67+0.7×67+0.7 XMT 606 96×96×112 92+0.7×92+0.7 XMT 607 80×160×80(竖式) 76+0.7×152+0.8 XMT 608 160×80×80(横式) 152+0.8×76+0.7 2、 功 能 表 达 : 在 型 号 后 面 , 按 如 下 格 式 , 加 写 后 缀 , 以 明 确 表 达 所 需 功 能 : XMT60X- □ - (□ )/(□ )- (□ )/(□ ) ① ② ③ ④ ⑤ ① 0: 无 继 电 器 (单 显 示 ); 1: 单 继 电 器 ; 2: 双 继 电 器 ; ② 分 度 号 或 输 入 信 号 (共 19 种 , 见【 技 术 参 数 表 1】 ); ③ 量 程 显 示 范 围 (见【 技 术 参 数 表 1】 ); ④ 变 送 输 出 信 号 (共 2 种 , 见【 技 术 参 数 表 2】 ); ⑤ 变 送 范 围 ; 例1: XMT608- 2- (0~75mV)/(0~8000) - (4~20mA)/(0~7000); 160×80×80 外 形 , 双 继 电 器 , 0~75mV 输 入 , 显 示 0~8000, 0~7000 数 据变 为 4~20mA 送 出 。 例2: XMT604...

1、当您付费下载文档后,您只拥有了使用权限,并不意味着购买了版权,文档只能用于自身使用,不得用于其他商业用途(如 [转卖]进行直接盈利或[编辑后售卖]进行间接盈利)。
2、本站所有内容均由合作方或网友上传,本站不对文档的完整性、权威性及其观点立场正确性做任何保证或承诺!文档内容仅供研究参考,付费前请自行鉴别。
3、如文档内容存在违规,或者侵犯商业秘密、侵犯著作权等,请点击“违规举报”。

碎片内容

XMT600系列产品说明书

确认删除?
VIP
微信客服
  • 扫码咨询
会员Q群
  • 会员专属群点击这里加入QQ群
客服邮箱
回到顶部