电脑桌面
添加小米粒文库到电脑桌面
安装后可以在桌面快捷访问

YXD12864BVIP专享VIP免费

YXD12864B_第1页
1/8
YXD12864B_第2页
2/8
YXD12864B_第3页
3/8
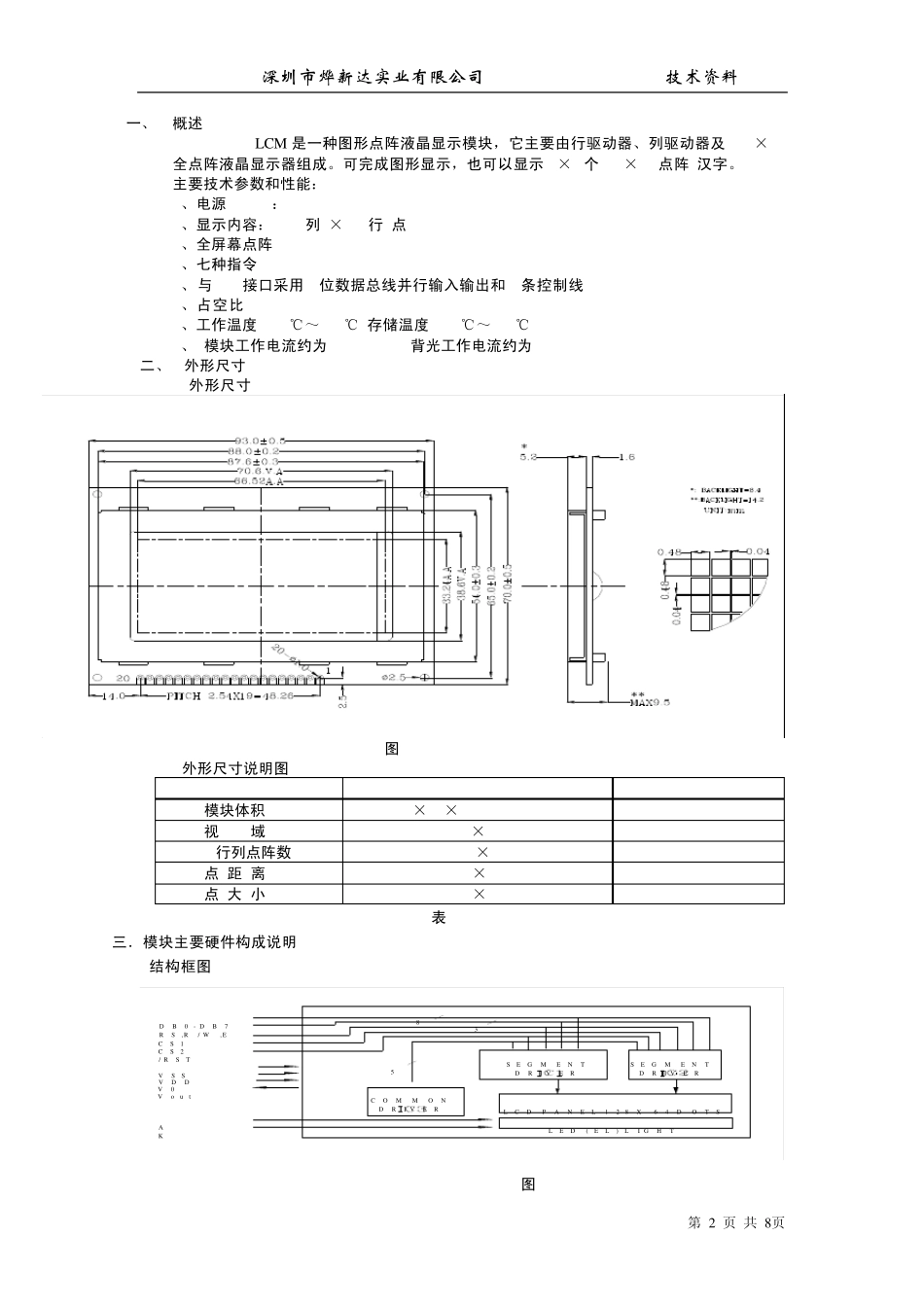
深圳市烨新达实业有限公司 YXD-12864B LCM 技术资料 第 1 页 共 8 页 深圳市烨新达实业有限公司 图形点阵液晶显示模组使用手册YXD-12864B (KS0107、KS0108 IC) 深圳市烨新达实业有限公司(ShenZhen YEXINDA Industrial Co.,Ltd) 电话(Tel): 0086-0755-83490153,83490160,83490163 传真(Fax): 0086-0755-83422596,83427152 邮编(Postcode): 518048 地址:深圳市福田区沙嘴金地工业区134栋四楼 ★E-mail:yexinda@szinfo.com 深圳市烨新达实业有限公司 YXD-12864B LCM 技术资料 第 2 页 共 8页 一、 概述 YXD-12864B LCM 是一种图形点阵液晶显示模块,它主要由行驱动器、列驱动器及128×64全点阵液晶显示器组成。可完成图形显示,也可以显示4×8个(16×16点阵)汉字。 主要技术参数和性能: 1、电源(VDD) :+5V 2、显示内容:128(列)×64(行)点 3、全屏幕点阵 4、七种指令. 5、与CPU接口采用 8位数据总线并行输入输出和 8条控制线 6、占空比(DUTY):1/64 7、工作温度:-20℃~+70℃,存储温度:-30℃~+85℃ 8、 模块工作电流约为 3.4mA(5V),背光工作电流约为 520mA(5V). 二、 外形尺寸 1.外形尺寸 图 1 2.外形尺寸说明图 ITEM NOMINSL DIMEN UNIT 模块体积 93×70×9.5(LED 14.2) MM 视 域 66.52×33.24 MM 行列点阵数 128×64 DOTS 点 距 离 0.52×0.52 MM 点 大 小 0.48×0.48 MM 表 1 三.模块主要硬件构成说明 1.结构框图 RS,R/ W,EVoutVDDVSSV0CS1CS2/ RSTKALCD PANEL 128 X 64 DOTSSEGMENT DRI VER COMMON DRI VER 5LED (EL) LI GHTSEGMENT DRI VER DB0- DB783 图2 深圳市烨新达实业有限公司 YXD-12864B LCM 技术资料 第 3 页 共 8页 2. 结构图说明 IC3为行驱动器。IC1、IC2为列驱动器。IC1、IC2、IC3含有如下主要功能器件。了解如下器件有利于对 LCD模块编程。 1. 指令积存器 (IR) IR是用来寄存指令码,与数据寄存器寄存数据相对应。当 D/I=0时在 E信号下降沿的作用下,指令码写入 IR。 2. 数据寄存器 (DR) DR是用来寄存数据的,与指令寄存器寄存指令相对应。当 D/I=1时,在 E信号的下降沿作用下,图形显示数据写入 DR,或在 E信号高电平作用下由 DR读到 DB7-DB0数据总线。DR和 DDRAM之间的数据传输是模块内部自动执行的。 3. 忙标志:BF BF标志提供内部工作情况。BF=1表示模块在进行内部操...

1、当您付费下载文档后,您只拥有了使用权限,并不意味着购买了版权,文档只能用于自身使用,不得用于其他商业用途(如 [转卖]进行直接盈利或[编辑后售卖]进行间接盈利)。
2、本站所有内容均由合作方或网友上传,本站不对文档的完整性、权威性及其观点立场正确性做任何保证或承诺!文档内容仅供研究参考,付费前请自行鉴别。
3、如文档内容存在违规,或者侵犯商业秘密、侵犯著作权等,请点击“违规举报”。

碎片内容

确认删除?
VIP
微信客服
  • 扫码咨询
会员Q群
  • 会员专属群点击这里加入QQ群
客服邮箱
回到顶部