电脑桌面
添加小米粒文库到电脑桌面
安装后可以在桌面快捷访问

消防给水及消火栓系统技术规范VIP免费

消防给水及消火栓系统技术规范_第1页
1/34
消防给水及消火栓系统技术规范_第2页
2/34
消防给水及消火栓系统技术规范_第3页
3/34
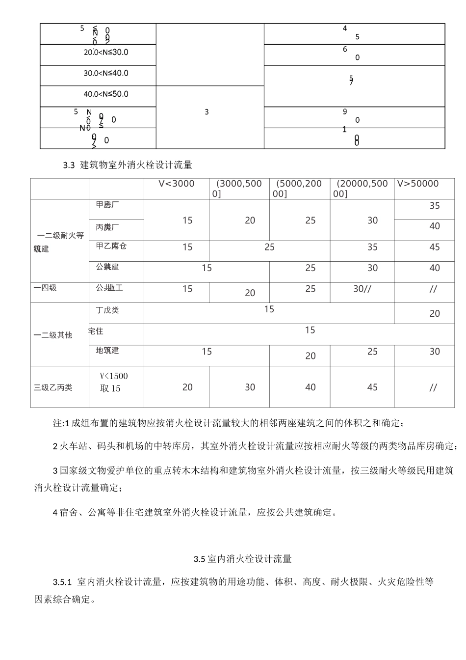
消防给水及消火栓系统技术规范3 差不多参数3.1一样规定3.1.1 工厂、仓库、堆场、储罐区或民用建筑的室外消防给水用水量,应按同一时刻内火灾起数和一起火灾灭火室外消防给水用水量确定。同一时刻内的火灾起数应符合以下规定:物筑建面积数人住数起灾区罐储、场堆、厂工苻huol^-人万5彳V-1>万人2住记起huo>丄2丄建民和库仓C£QCTQCOJVI1rmr^>Z3.1.2 消防给水一起火灾灭火设计流量应由建筑的室外消火栓系统、室内消火栓系统、自动喷水系统、泡沫灭火系统、水喷雾灭火系统、固定消防炮灭火系统、固定冷却水系统等需要同时作用的各种水灭火系统的设计流量组成,并应符合以下规定:1 应按需要同时作用的水灭火系统最大设计流量之和确定;2 两栋或两座及以上建筑合用时,应按其中一栋或设计流量最大者确定;3 当消防给水与生活、生产给水合用时,合用给水的设计流量应为消防给水设计流量与生活生产最大时流量之和,其中生活最大小时流量运算时,淋浴用水量按 15%计,浇洒及洗刷等火灾时能停用的用水量可不计。3.2 市政消防给水设计流量3.2.1 市政消防给水设计流量,应依照当地火灾统计资料,火灾扑救用水量资料、灭火用水量保证率,建筑的组成和市政给水管网运行合理性等因素综合运算确定。3.2.2 城镇和居住区等市政消防给水量设计流量,应按同一时刻火灾起数和一起火灾灭火设计流量经运算确定。同一时刻内的火灾起数和一起火灾灭火设计流量不应小于以下规定:人N 万〕数〔人同时火起数一刻灾数火灭设流量 s〕起灾火计量〔〕N011151N5<202<02V<3000(3000,5000](5000,20000](20000,50000]V>50000一二级耐火等级建筑甲乙厂房1520253035丙类厂房40甲乙丙仓库15253545公共建筑15253040一四级公共\工业15202530////一二级其他丁戊类1520住宅15地下建筑15202530三级乙丙类V<1500取 1520304045//注:1 成组布置的建筑物应按消火栓设计流量较大的相邻两座建筑之间的体积之和确定;2 火车站、码头和机场的中转库房,其室外消火栓设计流量应按相应耐火等级的两类物品库房确定;3 国家级文物爱护单位的重点转木木结构和建筑物室外消火栓设计流量,按三级耐火等级民用建筑消火栓设计流量确定;4 宿舍、公寓等非住宅建筑室外消火栓设计流量,应按公共建筑确定。3.5 室内消火栓设计流量3.5.1 室内消火栓设计流量,应按建筑物的用途功能、体积、高度、耐火极限、火灾危险性等因素综合确定。3.5.2 建筑物室内消火栓设计流量不应小于下表〔下页〕规定...

1、当您付费下载文档后,您只拥有了使用权限,并不意味着购买了版权,文档只能用于自身使用,不得用于其他商业用途(如 [转卖]进行直接盈利或[编辑后售卖]进行间接盈利)。
2、本站所有内容均由合作方或网友上传,本站不对文档的完整性、权威性及其观点立场正确性做任何保证或承诺!文档内容仅供研究参考,付费前请自行鉴别。
3、如文档内容存在违规,或者侵犯商业秘密、侵犯著作权等,请点击“违规举报”。

碎片内容

消防给水及消火栓系统技术规范

您可能关注的文档

确认删除?
VIP
微信客服
  • 扫码咨询
会员Q群
  • 会员专属群点击这里加入QQ群
客服邮箱
回到顶部