电脑桌面
添加小米粒文库到电脑桌面
安装后可以在桌面快捷访问

气瓶验收及台账VIP免费

气瓶验收及台账_第1页
1/3
气瓶验收及台账_第2页
2/3
气瓶验收及台账_第3页
3/3
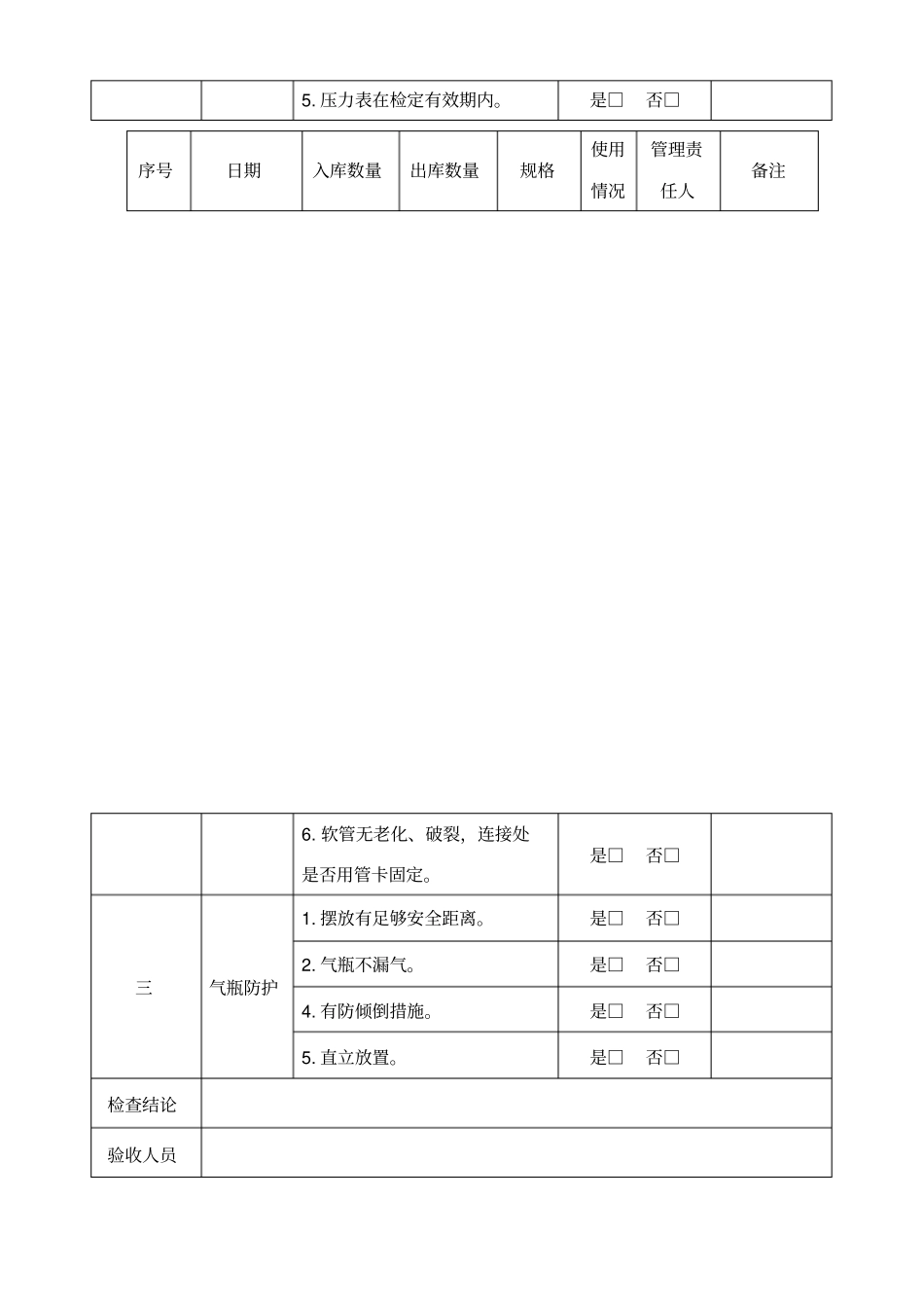
气瓶安全验收检查表气瓶类型氧气、乙炔规格型号验收时间2018、3、10验收地点施工现场供货单位天津津钢氧气厂验收单位中建三局序号检查项目检查内容符合? 不符合 ?备注一气瓶外观1. 表面颜色。是□否□乙炔瓶白色、氧气瓶淡兰色、氮气瓶黑色2. 刚印气体标识。是□否□3. 色环气体标识。是□否□4. 瓶体 上张 贴 有 安全 警示标签。是□否□5. 瓶体上张贴有充装合格证。是□否□6. 瓶体无锈蚀、损伤、变形、裂纹等。是□否□7. 瓶肩上有钢印字码,在有效期内。检定有效期:是□否□氧气、氮气、乙炔气瓶三年检验一次;氩气气瓶五年检验一次8. 瓶阀处、瓶体无油污。是□否□二气瓶附件1. 有瓶帽以及瓶帽完好。是□否□2. 有 2 个防震圈,并均匀放置。是□否□3. 手轮配制正常,操作灵活。是□否□4. 减压器显示正常,无损伤、无泄露。是□否□5. 压力表在检定有效期内。是□否□6. 软管无老化、破裂,连接处是否用管卡固定。是□否□三气瓶防护1. 摆放有足够安全距离。是□否□2. 气瓶不漏气。是□否□4. 有防倾倒措施。是□否□5. 直立放置。是□否□检查结论验收人员序号日期入库数量出库数量规格使用情况管理责任人备注氧气、乙炔瓶管理使用台账1要求现场管理人员每天进行检查,使用情况栏正常打? ,若存在问题,写明问题原因及整改情况。234567891011121314151617181920

1、当您付费下载文档后,您只拥有了使用权限,并不意味着购买了版权,文档只能用于自身使用,不得用于其他商业用途(如 [转卖]进行直接盈利或[编辑后售卖]进行间接盈利)。
2、本站所有内容均由合作方或网友上传,本站不对文档的完整性、权威性及其观点立场正确性做任何保证或承诺!文档内容仅供研究参考,付费前请自行鉴别。
3、如文档内容存在违规,或者侵犯商业秘密、侵犯著作权等,请点击“违规举报”。

碎片内容

气瓶验收及台账

确认删除?
VIP
微信客服
  • 扫码咨询
会员Q群
  • 会员专属群点击这里加入QQ群
客服邮箱
回到顶部