电脑桌面
添加小米粒文库到电脑桌面
安装后可以在桌面快捷访问

氩气岗位应急处置卡VIP免费

氩气岗位应急处置卡_第1页
1/1
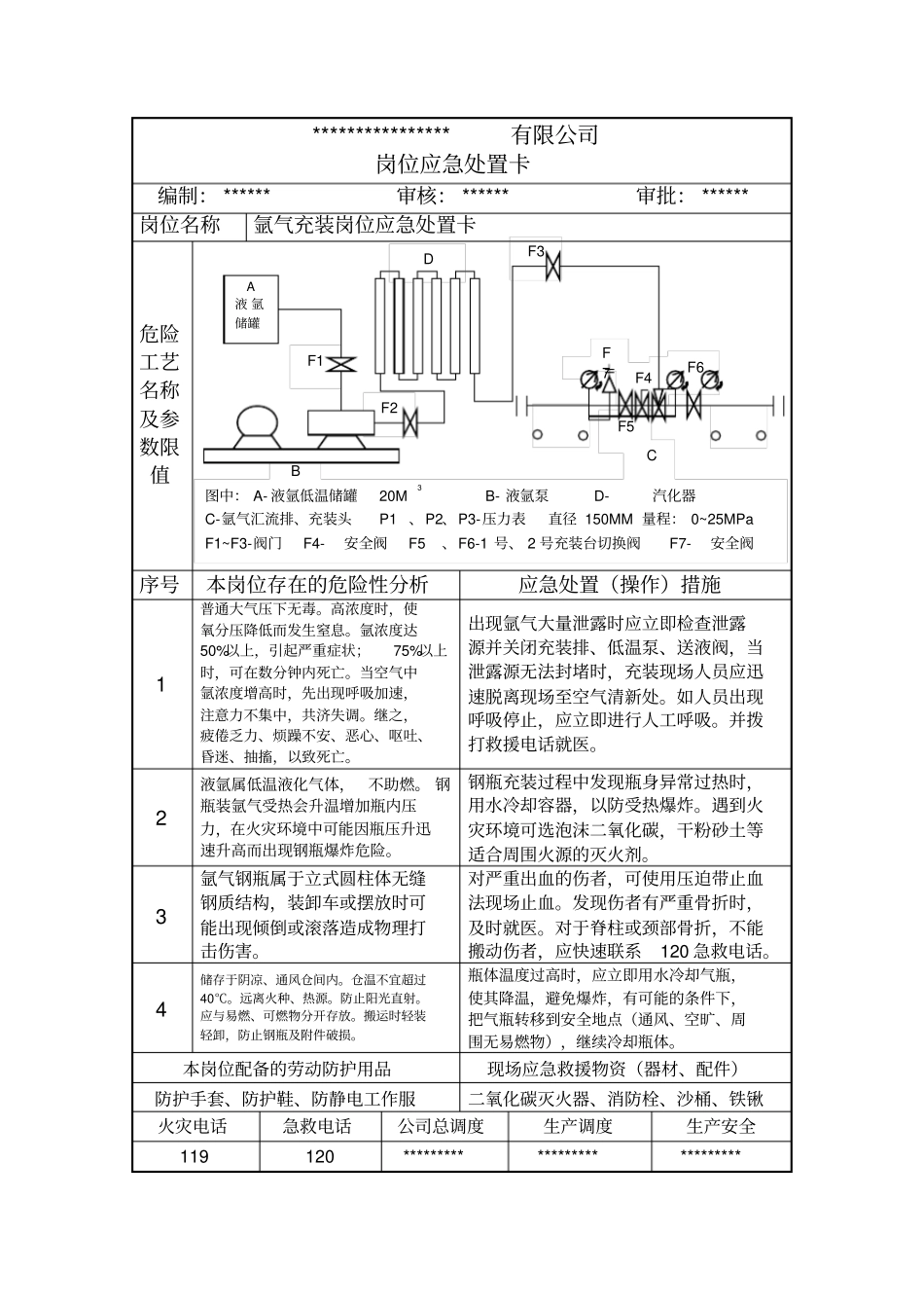
F3F1****************有限公司岗位应急处置卡编制: ****** 审核: ****** 审批: ****** 岗位名称氩气充装岗位应急处置卡危险工艺名称及参数限值序号本岗位存在的危险性分析应急处置(操作)措施1普通大气压下无毒。高浓度时,使氧分压降低而发生窒息。氩浓度达50%以上,引起严重症状;75%以上时,可在数分钟内死亡。当空气中氩浓度增高时,先出现呼吸加速,注意力不集中,共济失调。继之,疲倦乏力、烦躁不安、恶心、呕吐、昏迷、抽搐,以致死亡。出现氩气大量泄露时应立即检查泄露源并关闭充装排、低温泵、送液阀,当泄露源无法封堵时,充装现场人员应迅速脱离现场至空气清新处。如人员出现呼吸停止,应立即进行人工呼吸。并拨打救援电话就医。2液氩属低温液化气体,不助燃。 钢瓶装氩气受热会升温增加瓶内压力,在火灾环境中可能因瓶压升迅速升高而出现钢瓶爆炸危险。钢瓶充装过程中发现瓶身异常过热时,用水冷却容器,以防受热爆炸。遇到火灾环境可选泡沫二氧化碳,干粉砂土等适合周围火源的灭火剂。3氩气钢瓶属于立式圆柱体无缝钢质结构,装卸车或摆放时可能出现倾倒或滚落造成物理打击伤害。对严重出血的伤者,可使用压迫带止血法现场止血。发现伤者有严重骨折时,及时就医。对于脊柱或颈部骨折,不能搬动伤者,应快速联系120 急救电话。4储存于阴凉、通风仓间内。仓温不宜超过40℃。远离火种、热源。防止阳光直射。应与易燃、可燃物分开存放。搬运时轻装轻卸,防止钢瓶及附件破损。瓶体温度过高时,应立即用水冷却气瓶,使其降温,避免爆炸,有可能的条件下,把气瓶转移到安全地点(通风、空旷、周围无易燃物),继续冷却瓶体。本岗位配备的劳动防护用品现场应急救援物资(器材、配件)防护手套、防护鞋、防静电工作服二氧化碳灭火器、消防栓、沙桶、铁锹火灾电话急救电话公司总调度生产调度生产安全119120***************************F7F6BF2F4F5A液 氩储罐C图中: A- 液氩低温储罐 20M3 B- 液氩泵 D-汽化器C-氩气汇流排、充装头 P1、P2、P3-压力表直径 150MM 量程: 0~25MPaF1~F3-阀门 F4-安全阀 F5、F6-1 号、 2 号充装台切换阀 F7-安全阀D

1、当您付费下载文档后,您只拥有了使用权限,并不意味着购买了版权,文档只能用于自身使用,不得用于其他商业用途(如 [转卖]进行直接盈利或[编辑后售卖]进行间接盈利)。
2、本站所有内容均由合作方或网友上传,本站不对文档的完整性、权威性及其观点立场正确性做任何保证或承诺!文档内容仅供研究参考,付费前请自行鉴别。
3、如文档内容存在违规,或者侵犯商业秘密、侵犯著作权等,请点击“违规举报”。

碎片内容

氩气岗位应急处置卡

您可能关注的文档

爱的疯狂+ 关注
实名认证
内容提供者

该用户很懒,什么也没介绍

确认删除?
VIP
微信客服
  • 扫码咨询
会员Q群
  • 会员专属群点击这里加入QQ群
客服邮箱
回到顶部