电脑桌面
添加小米粒文库到电脑桌面
安装后可以在桌面快捷访问

水工钢结构平时作业VIP免费

水工钢结构平时作业_第1页
1/11
水工钢结构平时作业_第2页
2/11
水工钢结构平时作业_第3页
3/11
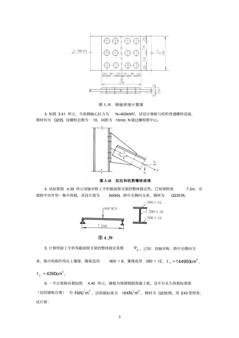
1 《水工钢结构》平时作业要求平时作业(一)注: 本次作业对应于文字教材1 至 2 章,应按相应教学进度完成。问答题:1. 试述钢结构工程的特点。2. 结合所在地区使用钢结构的情况,你认为应该怎样合理选择钢结构?3. 试述钢结构在水工结构中的合理应用范围。4. 水工钢结构的发展主要有哪些方面?5. 钢材的塑性破坏和脆性破坏各有何特点?如何防止脆性破坏?6. 简述建筑钢材单项拉伸应力——应变曲线各阶段的特征。7. 建筑钢材的主要机械性能指标有哪些?各反映材料的什么性质?8. 应力场对钢材的破坏形式有何影响?为什么?9. 什么叫钢材的疲劳?它属于什么性质的破坏?其主要影响因素和防止措施有哪些?10. 影响钢材性能的因素有哪些?各有何影响?11. 简述钢材的牌号表示方法。12. 选择建筑钢材时主要考虑哪些因素的影响?13. 钢结构按概率极限状态设计法与容许应力设计法有何不同?14. 分项系数RQG,,分别代表什么?应如何取值?15. 什么是极限状态?承载能力极限状态和正常使用极限状态有什么区别?16. 说明常幅和变幅疲劳验算公式的意义。平时作业(二)注: 本次作业对应于文字教材3 至 4 章,应按相应教学进度完成。一、问答题1. 常用的连接有哪几类?各类的特点是什么?2. 角焊缝的尺寸在构造上有哪些要求?为什么?3. 扭矩作用下焊缝强度计算的基本假定是什么?如何求得焊缝最大应力?4. 焊接残余应力与残余变形的成因是什么?焊接残余应力对构件的影响是什么?如何减少焊接残余应力和焊接残余变形?5. 普通螺栓与高强度螺栓在受力特性方面有什么区别?单个螺栓的抗剪承载力设计值是如何确定的?6. 螺栓群在扭矩作用下, 在弹性受力阶段受力最大的螺栓其内力值是在什么假定下求得的?7. 为什么要控制高强度螺栓的预拉力?8. 常用的钢梁形式有哪几种?工字梁和槽钢梁的受力性能有什么特点?9. 梁的强度计算包括哪几项内容?画出弹性阶段以及截面部分发展塑性时,截面弯曲正应力的分布。10. 什么条件下简支钢梁可按部分截面发展塑性计算抗弯强度?11. 写出弯曲正应力、剪应力以及折算应力的计算公式。12. 组合梁在什么情况下需进行折算应力计算?计算公式中的符号分别代表什么意义?13. 钢梁丧失整体稳定性的原因是什么?整体稳定临界应力与哪些因素有关?如何提高和保证梁的整体稳定性?提高梁的整体稳定性最有效的方法是什么?2 14. 钢梁的整体稳定如何验算?公式中b 代表什么意义?b >0.6...

1、当您付费下载文档后,您只拥有了使用权限,并不意味着购买了版权,文档只能用于自身使用,不得用于其他商业用途(如 [转卖]进行直接盈利或[编辑后售卖]进行间接盈利)。
2、本站所有内容均由合作方或网友上传,本站不对文档的完整性、权威性及其观点立场正确性做任何保证或承诺!文档内容仅供研究参考,付费前请自行鉴别。
3、如文档内容存在违规,或者侵犯商业秘密、侵犯著作权等,请点击“违规举报”。

碎片内容

水工钢结构平时作业

爱的疯狂+ 关注
实名认证
内容提供者

该用户很懒,什么也没介绍

确认删除?
VIP
微信客服
  • 扫码咨询
会员Q群
  • 会员专属群点击这里加入QQ群
客服邮箱
回到顶部