电脑桌面
添加小米粒文库到电脑桌面
安装后可以在桌面快捷访问

水暖管道安装距离VIP免费

水暖管道安装距离_第1页
1/9
水暖管道安装距离_第2页
2/9
水暖管道安装距离_第3页
3/9
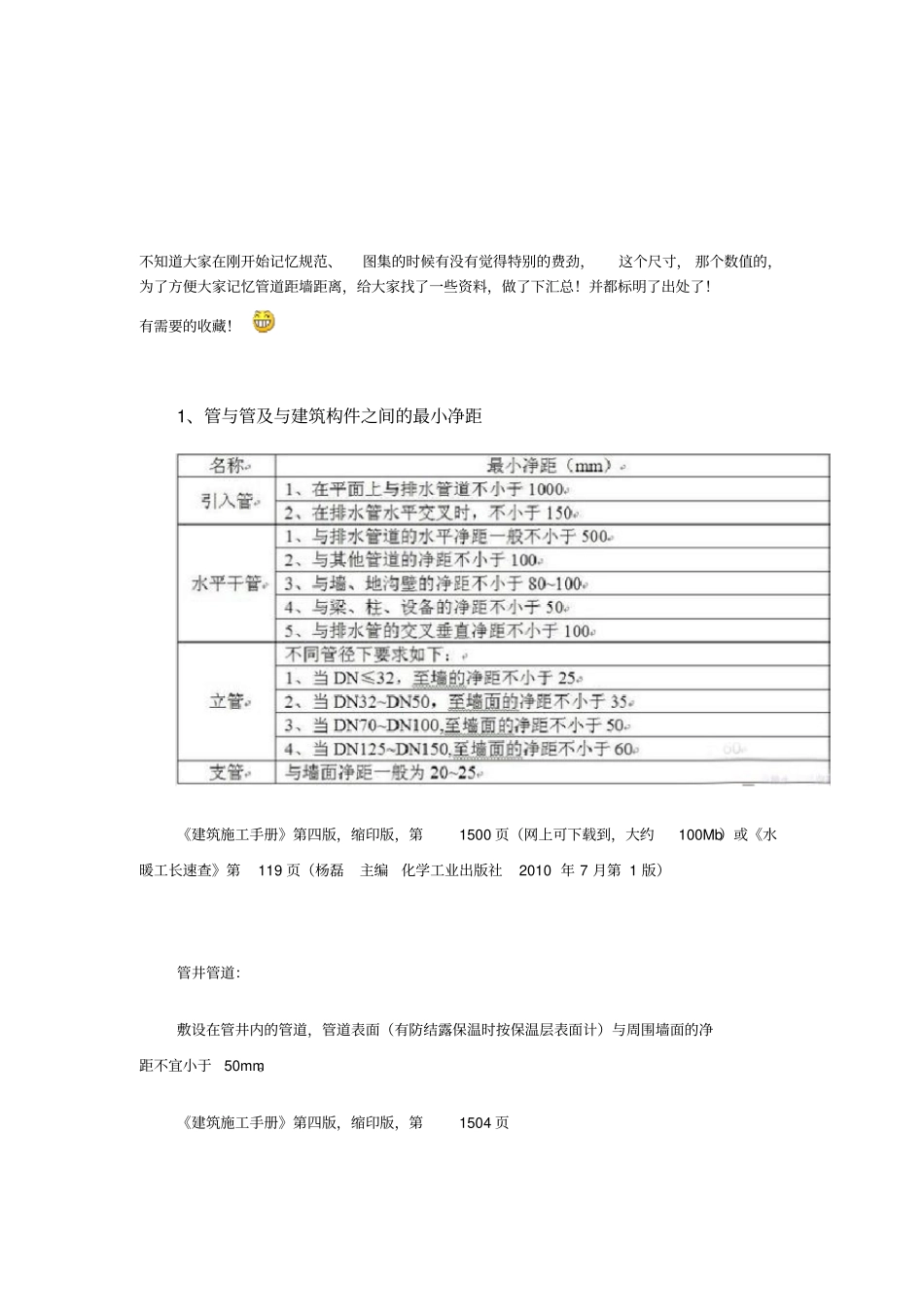
不知道大家在刚开始记忆规范、图集的时候有没有觉得特别的费劲,这个尺寸, 那个数值的,为了方便大家记忆管道距墙距离,给大家找了一些资料,做了下汇总!并都标明了出处了!有需要的收藏!1、管与管及与建筑构件之间的最小净距《建筑施工手册》第四版,缩印版,第1500 页(网上可下载到,大约100Mb)或《水暖工长速查》第119 页(杨磊主编化学工业出版社 2010 年 7 月第 1 版)管井管道:敷设在管井内的管道,管道表面(有防结露保温时按保温层表面计)与周围墙面的净距不宜小于50mm。《建筑施工手册》第四版,缩印版,第1504 页2、水暖管离墙距离水暖管离墙距离:标准图规定给水、热水、采暖管(DN15~DN32)中心起距墙表面50mm为宜, DN40以上取 60mm为宜。因为距离过近,立管阀门安装不便,有时需要破坏墙面才能将阀门装上;距离过远则影响美观,且占用空间(其他管道也一样—清秋怀远)。均采用管外皮距墙表面30mm;而对于排水管,由于打口所需,采用承口距墙表面50mm。《给水排水及采暖工程现场施工处理方法与技巧》,第39 页3、排水柔性接口铸铁管离墙距离当管道沿墙或墙角敷设时,应保证管道及附件的安装及检修距离,管道与墙体面层净距一般为 40~60mm,管道及附件不得入墙,其卡箍与法兰压盖的螺栓位置应调整至墙(角)的外侧,以便于拧紧螺栓。《排水柔性接口铸铁管技术规程》(DB11/T364-2006, 北京地方标准,可在百度文库下载到),第6 页4、立管管外皮距建筑装饰面的间距(mm)(明装给水立管)管径32 以下32~50 65~100 125~150 间距20~25 25~30 30~50 60 《建筑给排水 及采暖工程施工工艺标准》(DBJ/T61-38-2005 )第 42 页;(此书为陕西地方标准,可在百度文库下载到)采暖干管距墙尺寸:供水干管沿内墙架空敷设,当管径< DB80时,供水干管距墙尺寸为150mm;当管径≥ DB80时,供水干管距墙尺寸为180mm。回水干管在室内地坪以上沿内墙敷设时,当管径<DN80时,回水干管距墙尺寸为50mm;当管径≥ DN80 时,回水干管距墙尺寸为65mm。《建筑给排水及采暖工程施工工艺标准》(DBJ/T61-38-2005 )第 189 页采暖立管距墙尺寸:当设计采用单立管安装时,立管中心距后墙尺寸为50mm,如仅后墙有一组散热器(一臂形)时,则立管中心距侧墙尺寸为65mm;如后墙和侧墙另一侧各有一组散热器(双臂形)时,距侧墙尺寸仍为65mm;如后墙和侧墙同侧有散热器(直角形) 时,距侧墙尺寸为200mm;如后侧、侧墙同侧...

1、当您付费下载文档后,您只拥有了使用权限,并不意味着购买了版权,文档只能用于自身使用,不得用于其他商业用途(如 [转卖]进行直接盈利或[编辑后售卖]进行间接盈利)。
2、本站所有内容均由合作方或网友上传,本站不对文档的完整性、权威性及其观点立场正确性做任何保证或承诺!文档内容仅供研究参考,付费前请自行鉴别。
3、如文档内容存在违规,或者侵犯商业秘密、侵犯著作权等,请点击“违规举报”。

碎片内容

水暖管道安装距离

确认删除?
VIP
微信客服
  • 扫码咨询
会员Q群
  • 会员专属群点击这里加入QQ群
客服邮箱
回到顶部