电脑桌面
添加小米粒文库到电脑桌面
安装后可以在桌面快捷访问

水泥搅拌桩施工及检测技术要求新VIP免费

水泥搅拌桩施工及检测技术要求新_第1页
1/4
水泥搅拌桩施工及检测技术要求新_第2页
2/4
水泥搅拌桩施工及检测技术要求新_第3页
3/4
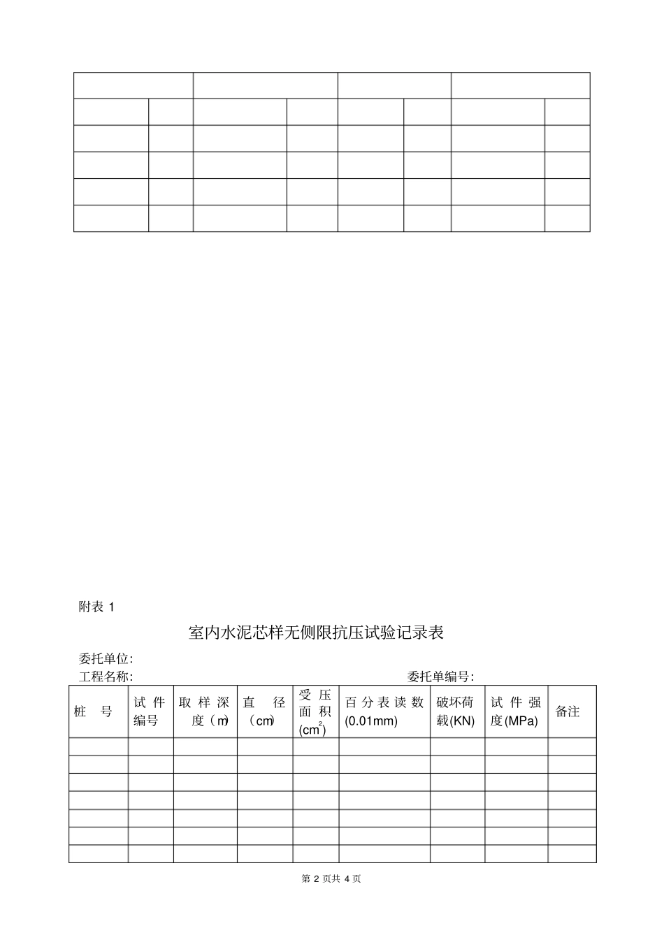
第 1 页共 4 页水泥搅拌桩施工及检测技术要求第 2 页共 4 页附表 1 室内水泥芯样无侧限抗压试验记录表委托单位:工程名称:委托单编号:桩号试 件编号取 样 深度( m)直径(cm)受 压面 积(cm2) 百 分 表 读 数(0.01mm) 破坏荷载(KN) 试 件 强度(MPa) 备注第 3 页共 4 页计算:复核:审核:日期:第 4 页共 4 页附表 2 搅拌桩桩身检测记录表工程名称 : 成桩日期 : 桩头距地面距离 : 米桩号:桩长:米检测日期 : 钻进回次深度(米)取样深度(米)标贯深度 (米)标贯实测击数(击)桩身及芯样描述班长 : 记录 : 监理:

1、当您付费下载文档后,您只拥有了使用权限,并不意味着购买了版权,文档只能用于自身使用,不得用于其他商业用途(如 [转卖]进行直接盈利或[编辑后售卖]进行间接盈利)。
2、本站所有内容均由合作方或网友上传,本站不对文档的完整性、权威性及其观点立场正确性做任何保证或承诺!文档内容仅供研究参考,付费前请自行鉴别。
3、如文档内容存在违规,或者侵犯商业秘密、侵犯著作权等,请点击“违规举报”。

碎片内容

水泥搅拌桩施工及检测技术要求新

您可能关注的文档

确认删除?
VIP
微信客服
  • 扫码咨询
会员Q群
  • 会员专属群点击这里加入QQ群
客服邮箱
回到顶部