电脑桌面
添加小米粒文库到电脑桌面
安装后可以在桌面快捷访问

水电站项目划分表VIP免费

水电站项目划分表_第1页
1/5
水电站项目划分表_第2页
2/5
水电站项目划分表_第3页
3/5
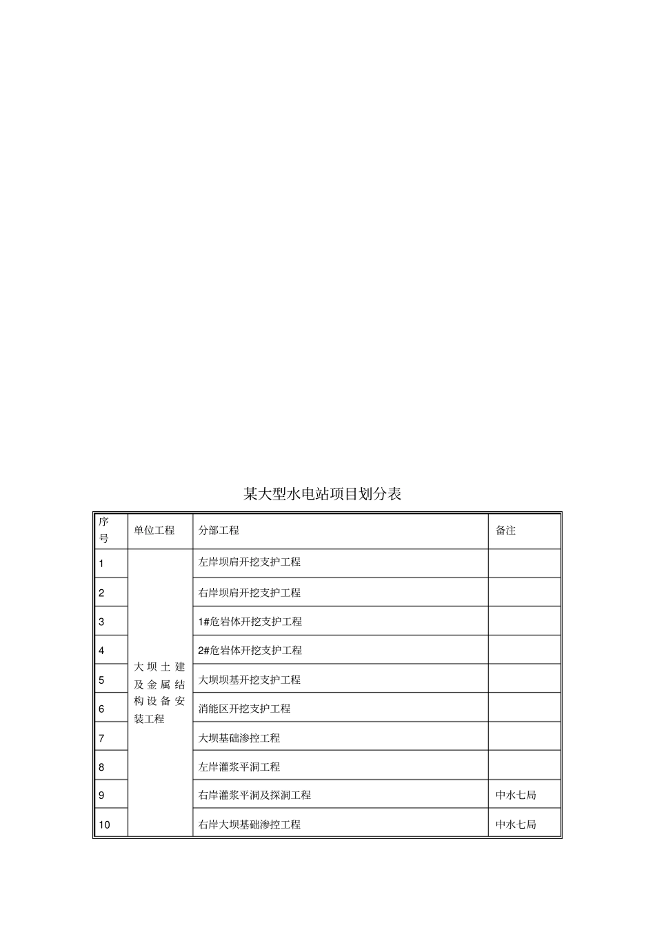
某大型水电站项目划分表序号单位工程分部工程备注1 大 坝 土 建及 金 属 结构 设 备 安装工程左岸坝肩开挖支护工程2 右岸坝肩开挖支护工程3 1#危岩体开挖支护工程4 2#危岩体开挖支护工程5 大坝坝基开挖支护工程6 消能区开挖支护工程7 大坝基础渗控工程8 左岸灌浆平洞工程9 右岸灌浆平洞及探洞工程中水七局10 右岸大坝基础渗控工程中水七局11 排水工程12 非溢流坝段工程13 溢流坝段工程14 混凝土预制工程15 消能区及护坦混凝土工程16 大坝闸门及启闭机工程17 泄洪坝顶门机安装工程18 大坝机械辅助设备工程19 大坝电气设备安装20 坝顶细部结构工程21 大坝集控楼土建工程22 导流洞封堵工程23 2#引水洞土建工程24 3#引水洞土建工程25 4#引水洞土建工程26 通 航 建 筑物 土 建 及设 备 安 装工程航建开挖与支护工程27 EL270 排水洞工程28 EL300 排水洞工程29 桃树沟排水洞工程30 左岸上坝交通洞工程31 上游引航道工程32 1#坝段工程33 船闸工程34 中间渠道及渡槽工程35 F1 断层支护工程36 垂直升船机工程37 下游引航道工程38 通航消防系统安装工程39 船闸设备安装工程40 升船机设备安装工程41 升船机辅助设备安装工程42 升船机电气设备安装工程43 进 水 口 及引 水 隧 洞工程进水口开挖与支护工程44 1#引水隧洞土建工程45 2#引水隧洞土建工程46 3#引水隧洞土建工程47 4#引水隧洞土建工程48 5#引水隧洞土建工程49 进水口混凝土与固结灌浆工程50 KW51岩溶系统工程51 进水口金属结构安装工程52 进水口与引水隧洞安全监测工程53 压力钢管制作安装工程54 尾 水 隧 洞及 尾 水 出口工程1#尾水隧洞工程55 2#尾水隧洞工程56 3#尾水隧洞工程57 4#尾水隧洞工程58 5#尾水隧洞工程59 尾水出口混凝土及固结灌浆工程60 尾水隧洞及尾水出口边坡安全监测工程61 尾水出口金属结构安装工程62 尾水出口开挖与支护工程63 下游右岸边坡及21#公路工程64 主 厂 房 及附 属 洞 室工程厂房混凝土工程65 机组检修闸门廊道金属结构安装工程66 机组检修闸门廊道土建工程67 厂房开挖、支护及排水工程68 主厂房灌浆工程69 厂房安全监测工程70 主厂房排水工程71 地下厂房建筑装饰工程72 进场交通洞73 岩溶系统处理及封堵工程74 500KV变电站工程母线洞及竖井工程75 500KV开挖支护工程76 500KV圬工及排水工程77 500KV混凝土工程78 500KV鸭公溪挡水坝79 500KV装饰...

1、当您付费下载文档后,您只拥有了使用权限,并不意味着购买了版权,文档只能用于自身使用,不得用于其他商业用途(如 [转卖]进行直接盈利或[编辑后售卖]进行间接盈利)。
2、本站所有内容均由合作方或网友上传,本站不对文档的完整性、权威性及其观点立场正确性做任何保证或承诺!文档内容仅供研究参考,付费前请自行鉴别。
3、如文档内容存在违规,或者侵犯商业秘密、侵犯著作权等,请点击“违规举报”。

碎片内容

水电站项目划分表

确认删除?
VIP
微信客服
  • 扫码咨询
会员Q群
  • 会员专属群点击这里加入QQ群
客服邮箱
回到顶部