电脑桌面
添加小米粒文库到电脑桌面
安装后可以在桌面快捷访问

《事故伤害损失工作日标准》(GBT154991995)VIP免费

《事故伤害损失工作日标准》(GBT154991995)_第1页
1/32
《事故伤害损失工作日标准》(GBT154991995)_第2页
2/32
《事故伤害损失工作日标准》(GBT154991995)_第3页
3/32
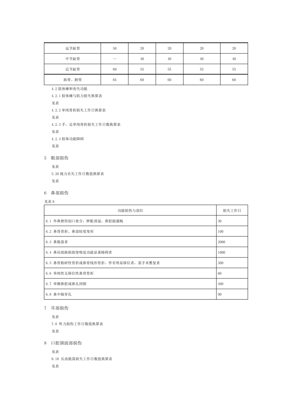
事 故 伤 害 损 失 工 作 日 标 准 GB/T15499-1995 GB/T15499-1995 1 主 题 内 容 与 适 用 范 围 本 标 准 规 定 了 定 量 记 录 人 体 伤 害 程 度 的 方 法 及 伤 害 对 应 的 损 失 工 作 日 数 值 。 本 标 准 适 用 于 企 业 职 工 伤 亡 事 故 造 成 的 身 体 伤 害 。 2 引 用 标 准 GB6441 企 业 职 工 伤 亡 事 故 分 类 GB7794 职 业 性 急 性 有 机 磷 农 药 中 毒 诊 断 标 准 及 处 理 原 则 GB7799 职 业 性 急 性 丙 烯 腈 中 毒 诊 断 标 准 及 处 理 原 则 GB7800 职 业 性 急 性 氨 中 毒 诊 断 标 准 及 处 理 原 则 GB8781 职 业 性 急 性 一 氧 化 碳 中 毒 诊 断 标 准 及 处 理 原 则 GB8787 职 业 性 急 性 光 气 中 毒 诊 断 标 准 及 处 理 原 则 GB8789 职 业 性 急 性 硫 化 氢 中 毒 诊 断 标 准 及 处 理 原 则 GB11533 标 准 对 数 视 力 表 3 术 语 3.1 累 积 伤 害 accumulated injury 同 一 、 同 名 肢 体 、 或 器 官 、 或 组 织 系 统 的 多 处 伤 害 。 3.2 共 存 伤 害 coexistant injury 功 能 无 关 的 肢 体 、 器 官 、 组 织 系 统 的 伤 害 。 3.3 损 失 工 作 日 lost workdays 指 被 伤 害 者 失 能 的 工 作 时 间 。 3.4 损 伤 injury 受 伤 害 人 员 心 理 、 生 理 、 功 能 或 解 剖 .组 织 学 上 异 常 或 缺 失 。 4 肢 体 损 伤 4.1 截 肢 部 位 损 失 工 作 日 数 换 算 表 见 表 4 手 拇 指 食 指 中 指 无 名 指 小指 远节指 骨 60 50 40 35 30 中 节指 骨 — 55 40 35 30 近节指 骨 60 60 60 50 40 掌骨 70 60 60 60 60 足 拇 趾 二趾 三趾 四趾 小趾 远节趾骨 50 20 20 20 20 中节趾骨 — 40 40 40 40 近节趾骨 60 55 55 55 55 跖骨、跗骨 65 60 60 60 60 4.2 肢体瘫和丧失功能 4.2.1 肢体瘫与肌力损失换算表 见表 4.2.2 单纯骨折损失工作日换算表 见表 4.2.3 手、足单纯骨折损失工作日数换算表 见表 4.2.4 肢体...

1、当您付费下载文档后,您只拥有了使用权限,并不意味着购买了版权,文档只能用于自身使用,不得用于其他商业用途(如 [转卖]进行直接盈利或[编辑后售卖]进行间接盈利)。
2、本站所有内容均由合作方或网友上传,本站不对文档的完整性、权威性及其观点立场正确性做任何保证或承诺!文档内容仅供研究参考,付费前请自行鉴别。
3、如文档内容存在违规,或者侵犯商业秘密、侵犯著作权等,请点击“违规举报”。

碎片内容

《事故伤害损失工作日标准》(GBT154991995)

确认删除?
VIP
微信客服
  • 扫码咨询
会员Q群
  • 会员专属群点击这里加入QQ群
客服邮箱
回到顶部