电脑桌面
添加小米粒文库到电脑桌面
安装后可以在桌面快捷访问

《建筑施工安全检查标准》JGJ592011(检查评分附表)VIP免费

《建筑施工安全检查标准》JGJ592011(检查评分附表)_第1页
1/33
《建筑施工安全检查标准》JGJ592011(检查评分附表)_第2页
2/33
《建筑施工安全检查标准》JGJ592011(检查评分附表)_第3页
3/33
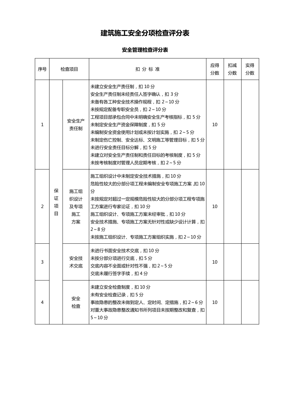
建 筑 施 工 安 全检查评分汇总表 建 筑 施 工 安 全检查评分汇总表 工 程 项 目 名 称 : 施 工 单 位 : 年 月 日 单 位 工 程 名 称 建 筑 面 积 ( m2) 结 构类 型 总 计 得 分 ( 满 分 分 值 100 分 ) 项 目 名 称 及 分 值 安 全 管 理( 满 分 10分 ) 文 明 施 工( 满 分 15分 ) 脚 手 架 ( 满 分 10分 ) 基 坑 工 程( 满 分 10分 ) 模 板 支 架 ( 满 分 10分 ) 高 处 作 业( 满 分 10分 ) 施 工 用 电( 满 分 10分 ) 物 料 提 升 机与施 工 升 降机 ( 满 分 10分 ) 塔式起重机与起重吊装( 满 分 10分 ) 施 工 机 具( 满 分 5分 ) 评语: 检查单 位 名 称 检查人 受检项 目 现场负责人 建 筑 施 工 安 全分项检查评分表 安 全管理检查评分表 序 号 检 查 项 目 扣 分 标 准 应 得 分 数 扣 减 分 数 实 得 分 数 1 保 证 项 目 安 全 生 产 责 任 制 未 建 立 安 全 生 产 责 任 制 , 扣10 分 安 全 生 产 责 任 制 未 经 责 任 人 签 字 确 认 , 扣3 分 未 备 有 各 工 种 安 全 技 术 操 作 规 程 , 扣2~ 10 分 未 按 规 定 配 备 专 职 安 全 员 , 扣2~ 10 分 工 程 项 目 部 承 包 合 同 中 未 明 确 安 全 生 产 考 核 指 标 , 扣5 分 未 制 定 安 全 生 产 资 金 保 障 制 度 , 扣5 分 未 编 制 安 全 资 金 使 用 计 划 或 未 按 计 划 实 施 , 扣2~ 5 分 未 制 定 伤 亡 控 制 、安 全 达标 、文明 施 工 等管理目 标 , 扣 5 分 未 进行安 全 责 任 目 标 分 解, 扣 5 分 未 建 立 对安 全 生 产 责 任 制 和责 任 目 标 的考 核 制 度 , 扣5 分 未 按 考 核 制 度 对管理人 员 定 期考 核 , 扣 2~ 5 分 10 2 施 工 组 织设计 及专 项 施 工 方案 施 工 组织设计 中 未 制 定 安 全 技 术 措施 , 扣 10 分 危险性较大的分 部 分 项 工 程 未 编 制 安 全 专 项 施 工 方案,扣 10分 未 按 规 定 对超过一定 规 模危险...

1、当您付费下载文档后,您只拥有了使用权限,并不意味着购买了版权,文档只能用于自身使用,不得用于其他商业用途(如 [转卖]进行直接盈利或[编辑后售卖]进行间接盈利)。
2、本站所有内容均由合作方或网友上传,本站不对文档的完整性、权威性及其观点立场正确性做任何保证或承诺!文档内容仅供研究参考,付费前请自行鉴别。
3、如文档内容存在违规,或者侵犯商业秘密、侵犯著作权等,请点击“违规举报”。

碎片内容

《建筑施工安全检查标准》JGJ592011(检查评分附表)

小辰6+ 关注
实名认证
内容提供者

出售各种资料和文档

确认删除?
VIP
微信客服
  • 扫码咨询
会员Q群
  • 会员专属群点击这里加入QQ群
客服邮箱
回到顶部