电脑桌面
添加小米粒文库到电脑桌面
安装后可以在桌面快捷访问

2024年省道改建工程工地试验室建设方案VIP免费

2024年省道改建工程工地试验室建设方案_第1页
1/24
2024年省道改建工程工地试验室建设方案_第2页
2/24
2024年省道改建工程工地试验室建设方案_第3页
3/24
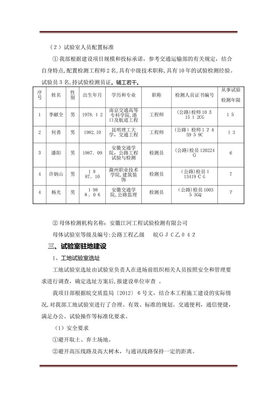
省道改建工程工地试验室建设方案目录一、试验室人员配置二、试验室驻地建设三、试验室各功能区具体布置情况四、工地试验室试验检测业务范围表五、试验室各功能室主要仪器一览表(附件)六、试验室各项管理制度七、试验室建设进度计划八、结语后附:试验室平面图一、编制依据1、招投标文件2、皖交质监局〔2012〕6号文二、试验室人员配置(1)工地试验室人员配备的原则①工地试验室根据合同的要求合理配备试验检测人员。②工地试验室主任和技术负责人必须持有交通部质监总站颁发的《试验检测工程师证书》专业覆盖CGQ,其他试验人员必须持有省级交通质监机构颁发的《试验检测员证书》专业覆盖CGQ。试验报告的签发和审核人员必须持有试验检测工程师证书,并经由母体检测机构授权。③工地试验室应建立试验人员管理档案和台帐,重视对试验检测人员的培训,档案内要记录理论学习、技能培训、考核的有关资料(2)试验室人员配置标准①我部根据建设项目规模和投标承诺,参考交通运输部的有关规定,结合自身特点,配置检测工程师2名,具有中级技术职称,具有10年的试验检测经验。试验员3名,持试验检测员证。辅工若干。序号姓名性别出生年月学历和专业职称检测人员证书编号从事试验检测年限1李献全男1978.12南京交通高等专科学院,港口及航道工程工程师(公路)检师1031512CG152何勇男1982.10昆明理工大学,交通工程工程师(公路)检师1245959C133潘阳男1987.09安徽交通学院,公路工程试验与检测检测员(公路)检员120224G64许炳山男1987.10滁州职业技术学院,建筑装饰检测员(公路)检员113419CG74杨光男1988.06安徽交通学院,公路监理检测员(公路)检员100353GQ7②母体检测机构名称:安徽江河工程试验检测有限公司母体试验室等级及编号:公路工程乙级皖GJC乙042三、试验室驻地建设1、工地试验室选址工地试验室选址由试验室负责人在进场前组织相关人员按照安全和管理要求进行调查,确定选址方案后,报建设单位审查。我项目部根据皖交质监局〔2012〕6号文,结合本工程施工建设的实际情况,对我部工地试验室进行了合理、有效、标准的规划。交通便利,通信便捷,满足办公、试验操作等标准化要求。(1)安全要求①避开取土、弃土场地。②避开高压线路及高大树木,与通讯线路保持一定的距离。③办公生活区采用封闭式管理,有固定的出入口。出入口处设置大门,配备专职保卫人员,制定专门的管理制度。(2)管理要求①靠近现场,管理方便,不受施工干扰。②交通便利,尽量靠近公路。③通信畅通,满足施工单位办公自动化要求。2、工地试验室硬件设施标准(1)工地试验室硬件设施内容工地试验室按照投标文件、合同文件有关承诺,规范用房及场地建设。试验室除了要有便利的交通条件、通电、通水、通电话外,具备信息化办公管理条件。试验室用房面积不少于285㎡。试验室用房坚固、安全、耐用,并满足工作要求;办公区和生活区内均应配置必要的消防安全器具,工地试验室应根据危险源配备相应的灭火器和砂箱,合理分布在各功能室外,灭火器悬挂离地一定高度或置灭火箱。试验室建立安全、卫生管理制度,落实专人维护和保洁;工地试验室各试验场所面积最低要求宜不小于下表所列。工地试验室各试验场所面积最低要求(皖交质监局〔2012﹞6号文)功能区类别授权负责室检测人员室资料室留样室现场检测室土工室集料室水泥室水泥混凝土室沥青室沥青混合料室化学分析室标养室力学室面积要求(m2)105/人202020201520252025202035注:(1)各功能区之间必须具有有效隔离措施,避免开展试验时相互干扰。(2)有温、湿度要求的功能区必须安装必要的温、湿度控制设备。(3)工地试验室必须做好必要的安全和环保措施。我部试验室分办公区域与功能室,办公区域包括办公室和档案室。功能室分为养护室、力学室、混凝土室、集料室、水泥室、土工室、留样室、化学分析室、、沥青室、沥青混合料室、现场检测室及档案室。试验室总占地面积333.0m2,试验室采用轻钢结构板房建筑,白色墙面,地面瓷砖铺砌。各功能区具体面积如下:功能区类别授权负责室检测人员室资料室留样室现场检测室土工室集料室水泥室水泥混凝土室沥青室沥青混...

1、当您付费下载文档后,您只拥有了使用权限,并不意味着购买了版权,文档只能用于自身使用,不得用于其他商业用途(如 [转卖]进行直接盈利或[编辑后售卖]进行间接盈利)。
2、本站所有内容均由合作方或网友上传,本站不对文档的完整性、权威性及其观点立场正确性做任何保证或承诺!文档内容仅供研究参考,付费前请自行鉴别。
3、如文档内容存在违规,或者侵犯商业秘密、侵犯著作权等,请点击“违规举报”。

碎片内容

2024年省道改建工程工地试验室建设方案

您可能关注的文档

确认删除?
VIP
微信客服
  • 扫码咨询
会员Q群
  • 会员专属群点击这里加入QQ群
客服邮箱
回到顶部