电脑桌面
添加小米粒文库到电脑桌面
安装后可以在桌面快捷访问

汇川技术高压变频器在大功率同步电机中的应用

汇川技术高压变频器在大功率同步电机中的应用_第1页
1/7
汇川技术高压变频器在大功率同步电机中的应用_第2页
2/7
汇川技术高压变频器在大功率同步电机中的应用_第3页
3/7
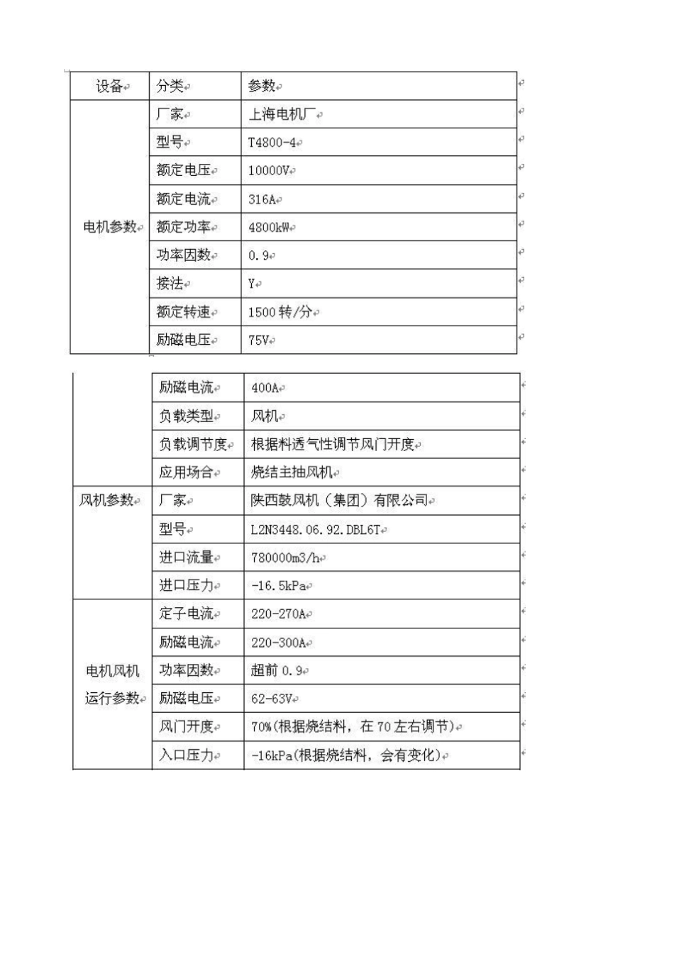
汇川技术高压变频器在大功率同步电机中的应用在冶金行业中,烧结主抽风机往往采用大功率同步电机来驱动。同步机启动方式为工频异步降压软起动,通过挡板来调节流量,但这种启动和调节方式存在诸多问题,例如启动电流大、重载下容易产生失步、电能浪费严重等,因此对高压大功率同步电机进行变频改造势在必行。汇川此次针对河北某钢铁主抽风机的现场情况,采用先进的磁链闭环矢量控制技术,对同步电机进行了变频节能改造。改造后,彻底解决了启动电流大、重载失步、维护费用高等问题,每年实现节电费用达320 万以上。此次对同步机的成功改造标志着汇川在同步电机应用中的突破。[ 关键词 ]冶金;节能改造;高压大功率同步电机;烧结主抽风机;高压变频器1 引言众所周知,冶金行业是国民经济生产中的耗能大户和污染大户。在冶金行业生产过程中,风机和水泵的耗电量占到其生产成本的35%~45%。近几年,国家实行节能减排政策,针对冶金行业等耗能大户重点改造;通过几年的发展和总结,现国产高压变频器在风机水泵负载上的节能技术日趋成熟,节能减排效果明显。在冶金行业有诸多设备具有变频应用前景和空间,但是其中广泛推广、被众多用户所接受的还主要集中在风机和循环水泵两类负载上。冶金行业典型应用负载有很多种,其中烧结主抽风机、高炉鼓风机及制氧压缩机的功率较大,其运行速度由不同工况而改变, 节能改造效果明显。 烧结主抽风机由于其工艺的节能空间大,很多 EMC 厂家对其改造很感兴趣。一背景1.1 烧结工艺过程为了保证供给高炉的铁矿石中铁含量均匀,并且保证高炉的透气性,需要把选矿工艺产出的铁精矿制成10~25mm 的块状原料铁矿粉。造块目前主要有两种方法:烧结法和球团法。两种方法所获得的块矿分别为烧结矿和球团矿。目前以抽风工艺烧结为多,烧结机分为带式和环式。图 1 烧结工艺烧结工艺是指根据原料特性所选择的加工程序和烧结工艺制度,它对烧结生产的产量和质量有着直接而重要的影响。 按照烧结过程的内在规律选择合适的工艺流程和操作制度,利用现代科学技术成果,强化烧结生产过程,能够获得先进的技术经济指标,保证实现高产、优质、低耗。本生产工艺流程有原料的接受,兑灰,拌合,筛分破碎及溶剂燃料的破碎筛分,配料,混料,点火,抽风烧结,抽风冷却,破碎筛分,除尘等环节组成。目前生产上广泛采用带式抽风烧结机生产烧结矿。1.2 节能改造河北某铸业烧结厂烧结为110m2 的带式烧结,该线配置了1 台上海某...

1、当您付费下载文档后,您只拥有了使用权限,并不意味着购买了版权,文档只能用于自身使用,不得用于其他商业用途(如 [转卖]进行直接盈利或[编辑后售卖]进行间接盈利)。
2、本站所有内容均由合作方或网友上传,本站不对文档的完整性、权威性及其观点立场正确性做任何保证或承诺!文档内容仅供研究参考,付费前请自行鉴别。
3、如文档内容存在违规,或者侵犯商业秘密、侵犯著作权等,请点击“违规举报”。

碎片内容

汇川技术高压变频器在大功率同步电机中的应用

您可能关注的文档

确认删除?
VIP
微信客服
  • 扫码咨询
会员Q群
  • 会员专属群点击这里加入QQ群
客服邮箱
回到顶部