电脑桌面
添加小米粒文库到电脑桌面
安装后可以在桌面快捷访问

汽机本体班班长岗位说明书

汽机本体班班长岗位说明书_第1页
1/2
汽机本体班班长岗位说明书_第2页
2/2
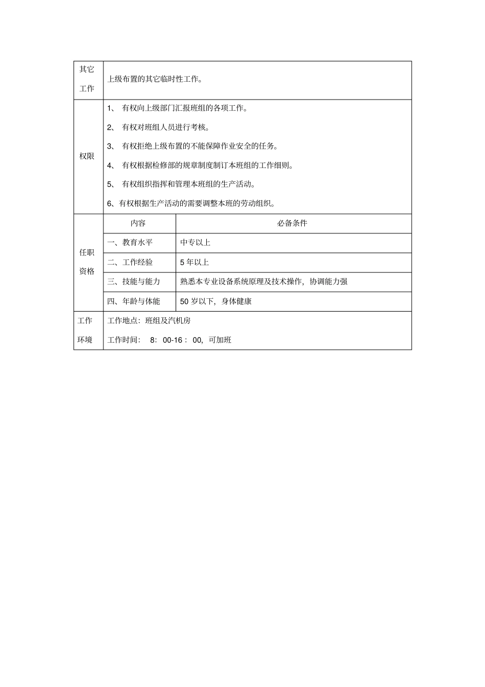
汽机本体班班长岗位说明书基本信息岗位名称:汽机本体班班长岗位编号:所属部门:检修部编制日期:岗位类型:操作岗位岗级:岗等:工作关系直接上级:检修部经理直接下属:班组成员内部关系:物资中心、人力资源部、技术安全部、运行部外部关系:主要职责描述1、 组织并带领职工完成上级布置的生产任务,搞好班组管理,完成各项安全生产经济及技术指标,管理好本班组的设备、器材、工器具。2、 承担起班组安全第一责任人的职责,带头执行并督促班组成员认真执行安全生产的规章制度,经常安全检查,安全活动及时传达上级精神。3、 协调好班组间、上下间纵横关系,使生产均衡有序,班组的台帐、表册记录齐全正确,符合规范化、标准化、现场设备文明化。4、 抓好岗位技能培训,学习新技术、新工艺,开展技术革新和合理化建议,推行现代化管理方法,抓好班组经济核算,注重经济指标活动,提高经济效益。5、 做好班组政治思想工作,关心班组成员的生活和工作,发挥班组五大员的作用。6、 工好班前会、班后后,安排工作时做到“两交底”和事后“两检查”。7、 负责三台机的日常及文明卫生。8、 负责班组日常维护及大小修备品备件及计划工作。9、设备更新、技术改造和设备评级。10、做好岗前培训,负责对外援工、临时工及转岗人员的安全及技术培训。11、每日不少于一次检查班组工作场所的主、重要设备的健康状况,组织好消缺工作。12、对本班组的不安全情况及时登记上帐,并配合专工处理及做好预控措施。其它工作上级布置的其它临时性工作。权限1、 有权向上级部门汇报班组的各项工作。2、 有权对班组人员进行考核。3、 有权拒绝上级布置的不能保障作业安全的任务。4、 有权根据检修部的规章制度制订本班组的工作细则。5、 有权组织指挥和管理本班组的生产活动。6、有权根据生产活动的需要调整本班的劳动组织。任职资格内容必备条件一、教育水平中专以上二、工作经验5 年以上三、技能与能力熟悉本专业设备系统原理及技术操作,协调能力强四、年龄与体能50 岁以下,身体健康工作环境工作地点:班组及汽机房工作时间: 8:00-16 :00,可加班

1、当您付费下载文档后,您只拥有了使用权限,并不意味着购买了版权,文档只能用于自身使用,不得用于其他商业用途(如 [转卖]进行直接盈利或[编辑后售卖]进行间接盈利)。
2、本站所有内容均由合作方或网友上传,本站不对文档的完整性、权威性及其观点立场正确性做任何保证或承诺!文档内容仅供研究参考,付费前请自行鉴别。
3、如文档内容存在违规,或者侵犯商业秘密、侵犯著作权等,请点击“违规举报”。

碎片内容

汽机本体班班长岗位说明书

确认删除?
VIP
微信客服
  • 扫码咨询
会员Q群
  • 会员专属群点击这里加入QQ群
客服邮箱
回到顶部