电脑桌面
添加小米粒文库到电脑桌面
安装后可以在桌面快捷访问

汽车二级维护项目评分标准资料

汽车二级维护项目评分标准资料_第1页
1/8
汽车二级维护项目评分标准资料_第2页
2/8
汽车二级维护项目评分标准资料_第3页
3/8
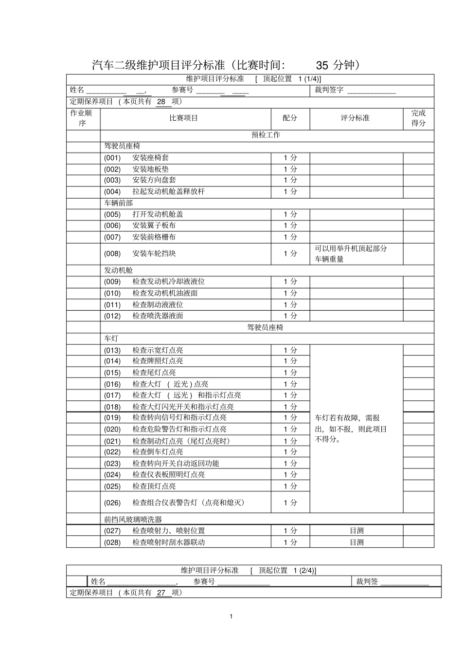
1 汽车二级维护项目评分标准(比赛时间:35 分钟)维护项目评分标准 [ 顶起位置1 (1/4)] 姓名 __________ __, 参赛号 _______ ____ 裁判签字 ____________ 定期保养项目 ( 本页共有 28 项)作业顺序比赛项目配分评分标准完成得分预检工作驾驶员座椅(001) 安装座椅套1 分(002) 安装地板垫1 分(003) 安装方向盘套1 分(004) 拉起发动机舱盖释放杆1 分车辆前部(005) 打开发动机舱盖1 分(006) 安装翼子板布1 分(007) 安装前格栅布1 分(008) 安装车轮挡块1 分可以用举升机顶起部分车辆重量发动机舱(009) 检查发动机冷却液液位1 分(010) 检查发动机机油液面1 分(011) 检查制动液液位1 分(012) 检查喷洗器液面1 分驾驶员座椅车灯(013) 检查示宽灯点亮1 分车灯若有故障,需报出,如不报,则此项目不得分。(014) 检查牌照灯点亮1 分(015) 检查尾灯点亮1 分(016) 检查大灯 ( 近光 ) 点亮1 分(017) 检查大灯 ( 远光 ) 和指示灯点亮1 分(018) 检查大灯闪光开关和指示灯点亮1 分(019) 检查转向信号灯和指示灯点亮1 分(020) 检查危险警告灯和指示灯点亮1 分(021) 检查制动灯点亮(尾灯点亮时)1 分(022) 检查倒车灯点亮1 分(023) 检查转向开关自动返回功能1 分(024) 检查仪表板照明灯点亮1 分(025) 检查顶灯点亮1 分(026) 检查组合仪表警告灯(点亮和熄灭)1 分前挡风玻璃喷洗器(027) 检查喷射力、喷射位置1 分目测(028) 检查喷射时刮水器联动1 分目测维护项目评分标准 [顶起位置 1 (2/4)] 姓名 _________________, 参赛号 _____________ 裁判签 ____________ 定期保养项目 ( 本页共有 27 项)2 作业顺序比赛项目配分评分标准完成得分前挡风玻璃刮水器(029) 检查工作情况 ( 低速 ) 1 分(030) 检查工作情况 ( 高速 ) 1 分(031) 检查自动回位位置1 分(032) 检查刮拭状况1 分目测喇叭(033) 检查工作情况1 分需转动方向盘配合检查驻车制动器(034) 检查驻车制动杆行程1 分(035) 检查驻车制动器指示灯点亮1 分制动器(036) 检查制动器踏板应用状况(响应性)1 分(037) 检查制动器踏板应用状况 ( 完全踩下 ) 1 分(038) 检查制动器踏板应用状况 ( 异常噪声 ) 1 分(039) 检查制动器踏板应用状况 ( 过度松动 ) 1 分(040) 测量制动踏板高度1 分应掀开地板垫测量(041) 测量制动踏板自由行程1 分(042) 测量制动踏板行程余量1...

1、当您付费下载文档后,您只拥有了使用权限,并不意味着购买了版权,文档只能用于自身使用,不得用于其他商业用途(如 [转卖]进行直接盈利或[编辑后售卖]进行间接盈利)。
2、本站所有内容均由合作方或网友上传,本站不对文档的完整性、权威性及其观点立场正确性做任何保证或承诺!文档内容仅供研究参考,付费前请自行鉴别。
3、如文档内容存在违规,或者侵犯商业秘密、侵犯著作权等,请点击“违规举报”。

碎片内容

汽车二级维护项目评分标准资料

爱的疯狂+ 关注
实名认证
内容提供者

该用户很懒,什么也没介绍

确认删除?
VIP
微信客服
  • 扫码咨询
会员Q群
  • 会员专属群点击这里加入QQ群
客服邮箱
回到顶部