电脑桌面
添加小米粒文库到电脑桌面
安装后可以在桌面快捷访问

沥青沥青混合料技术参数讲解

沥青沥青混合料技术参数讲解_第1页
1/8
沥青沥青混合料技术参数讲解_第2页
2/8
沥青沥青混合料技术参数讲解_第3页
3/8
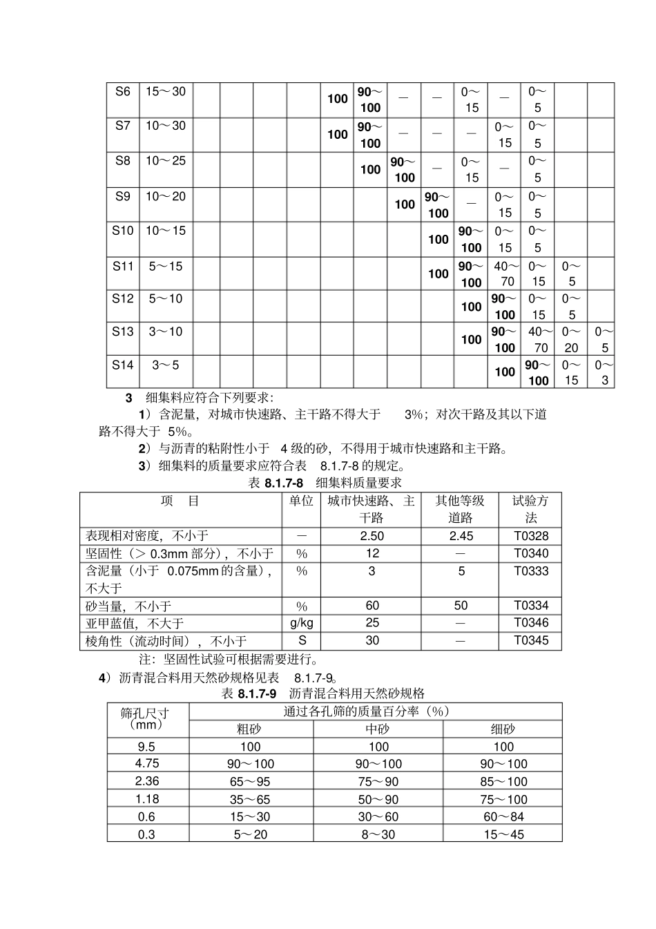
表 8.1.7-6沥青混合料用粗集料质量技术要求指标单位城市快速路、主干路其他等级道路试验方法表面层其他层次石料压碎值,不大于% 26 28 30 T0316 洛杉矶磨耗损失, 不大于% 28 30 35 T0317 表观相对密度,不小于-2.60 2.5 2.45 T0304 吸水率,不大于% 2.0 3.0 3.0 T0304 坚固性,不大于% 12 12 -T0314 针片状颗粒含量(混合料),不大于其中粒径大于 9.5mm,不大于其中粒径小于 9.5mm,不大于% % % 15 12 18 18 15 20 20 --T0312 水洗法< 0.075mm 颗粒含量,不大于% 1 1 1 T0310 软石含量,不大于% 3 5 5 T0320 注: 1 坚固性试验可根据需要进行。2 用于城市快速路、主干路时,多孔玄武岩的视密度可放宽至2.45t/m3,吸水率可放宽至3%,但必须得到建设单位的批准,且不得用于 SMA 路面。3 对 S14 即 3~5 规格的粗集料,针片状颗粒含量可不予要求,小于0.075mm 含量可放宽到 3%。4)粗集料的粒径规格应按表8.1.7-7 的规定生产和使用。表 8.1.7-7沥青混合料用粗集料规格规格名称公称粒径(mm)通过下列筛孔( mm)的质量百分率(%)106 75 63 53 37.5 31.5 26.5 19.0 13.2 9.5 4.75 2.36 0.6 S1 40~75 100 90~100 --0~15 -0~5 S2 40~60 100 90~100 -0~15 -0~5 S3 30~60 100 90~100 --0~15 -0~5 S4 25~50 100 90~100 --0~15 -0~5 S5 20~40 100 90~100 --0~15 -0~5 S6 15~30 100 90~100 --0~15 -0~5 S7 10~30 100 90~100 ---0~15 0~5 S8 10~25 100 90~100 -0~15 -0~5 S9 10~20 100 90~100 -0~15 0~5 S10 10~15 100 90~100 0~15 0~5 S11 5~15 100 90~100 40~70 0~15 0~5 S12 5~10 100 90~100 0~15 0~5 S13 3~10 100 90~100 40~70 0~20 0~5 S14 3~5 100 90~100 0~15 0~3 3细集料应符合下列要求:1)含泥量,对城市快速路、主干路不得大于3%;对次干路及其以下道路不得大于 5%。2)与沥青的粘附性小于4 级的砂,不得用于城市快速路和主干路。3)细集料的质量要求应符合表8.1.7-8 的规定。表 8.1.7-8细集料质量要求项目单位城市快速路、主干路其他等级道路试验方法表现相对密度,不小于-2.50 2.45 T0328 坚固性(> 0.3mm 部分),不小于%12 -T0340 含泥量(小于 0.07...

1、当您付费下载文档后,您只拥有了使用权限,并不意味着购买了版权,文档只能用于自身使用,不得用于其他商业用途(如 [转卖]进行直接盈利或[编辑后售卖]进行间接盈利)。
2、本站所有内容均由合作方或网友上传,本站不对文档的完整性、权威性及其观点立场正确性做任何保证或承诺!文档内容仅供研究参考,付费前请自行鉴别。
3、如文档内容存在违规,或者侵犯商业秘密、侵犯著作权等,请点击“违规举报”。

碎片内容

沥青沥青混合料技术参数讲解

您可能关注的文档

爱的疯狂+ 关注
实名认证
内容提供者

该用户很懒,什么也没介绍

确认删除?
VIP
微信客服
  • 扫码咨询
会员Q群
  • 会员专属群点击这里加入QQ群
客服邮箱
回到顶部