电脑桌面
添加小米粒文库到电脑桌面
安装后可以在桌面快捷访问

2024年室内给水管道安装施工标准VIP专享VIP免费

2024年室内给水管道安装施工标准_第1页
1/48
2024年室内给水管道安装施工标准_第2页
2/48
2024年室内给水管道安装施工标准_第3页
3/48
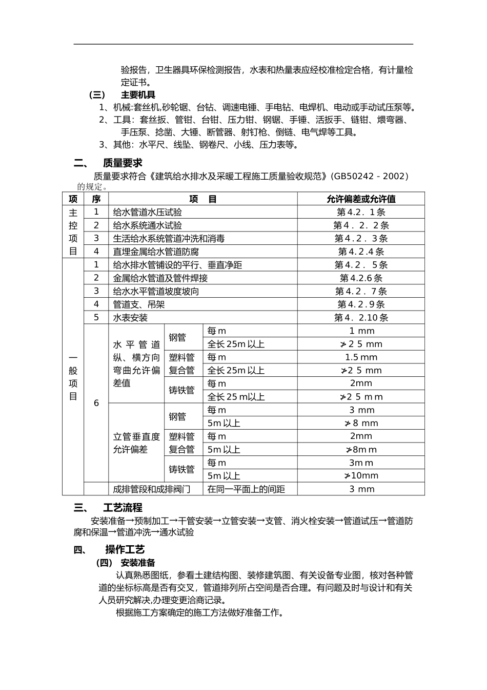
建筑安装工程技术交底室内给水管道安装工程标准一、施工准备(一)作业条件1、地下管道铺设必须在房心土回填夯实或挖到管底标高,沿管线铺设位置清理干净,管道穿墙处巳留管洞或安装套管,其洞口尺寸和套管规格符合要求,坐标、标高正确。2、暗装管道应在地沟盖板前或吊顶封闭前进行安装。3、明装托、吊干管安装必须在安装层的结构顶板完成后进行。沿管线安装位置的模板及杂物清理干净,托吊卡件均已安装牢固,位置正确。4、立管安装宜在主体结构完成后进行。高层建筑在主体结构达到安装条件后,适当插入进行。每层均应有明确的标高线,暗装竖井管道,应把竖井内的模板及杂物清除干净,并有防坠落措施。5、支管安装应在墙体砌筑完毕墙面未装修前进行。(二)材料要求1、铸铁给水管及管件质量标准应执行YB/T5188、GB3287。其规格尺寸应符合设计要求,管壁厚度均匀,内外光滑整洁,不得有砂眼、裂纹、毛刺和疙瘩;承插口的内外径及管件应造型规矩,管内外表面的防腐涂层应整洁均匀,附着牢固。室外给水铸铁管安装多数采用橡胶圈接口,管道与橡胶圈采用同一厂家产品,已经配好橡胶圈。给水铸铁管件采用自来水公司配套产品。手锤轻轻敲打,沙沙声说明质量不好,应检查是否有裂缝;用锤击断管壁,断面呈灰色,组织均匀、紧密、细颗粒为合格。2、镀锌给水管及管件质量标准应执行GB/T3091。其规格种类应符合设计要求,管内外镀锌均匀,无锈蚀,无毛刺。管件无偏扣、乱扣、丝扣不全或角度不准等现象。将几个相同直径的管件串起来,看是否乱扣、偏扣、角度不准,然后试压。3、消火栓系统管材按设计要求选用,一般采用碳素钢管或无缝钢管,管材不得有弯曲、锈蚀、重皮及凹凸不平等现象。4、消火栓箱体的规格型号应符合设计图纸要求,箱体表面平整、光洁,无锈蚀、划伤,箱门开启灵活。箱体方正,箱内配件齐全。栓阀外形规矩,无裂纹,启闭灵活,关闭严密,密封填料完好。5、水表的规格应符合设计图纸要求,其中每户使用DN15水表。热水系统选用符合温度要求的热水表。表壳铸造规矩,无砂眼、裂纹,表玻璃盖无损坏,铅封完整。6、阀门的规格型号应符合设计要求,热水系统阀门符合温度要求。阀体铸造规矩,表面光洁,无裂纹,开关灵活,关闭严密,填料密封完好无渗漏,手轮完整无损坏,干管上的阀门全部试压检验,一般阀门抽查10%。若有不合格的,则抽查20%,还有不合格的,则逐个检验。7、不得使用国家限制使用和淘汰落后的建材。以上工程物资都应有产品质量合格证及相关检验报告。对于国家及北京市有规定的特定设备及材料,如消防、卫生、压力容器,应附有相应资质等级检验单位提供的检验报告;如安全阀、减压阀的调试报告,给水管道材料卫生检验报告,卫生器具环保检测报告,水表和热量表应经校准检定合格,有计量检定证书。(三)主要机具1、机械:套丝机,砂轮锯、台钻、调速电锤、手电钻、电焊机、电动或手动试压泵等。2、工具:套丝扳、管钳、台钳、压力钳、钢锯、手锤、活扳手、链钳、煨弯器、手压泵、捻凿、大锤、断管器、射钉枪、倒链、电气焊等工具。3、其他:水平尺、线坠、钢卷尺、小线、压力表等。二、质量要求质量要求符合《建筑给水排水及采暖工程施工质量验收规范》(GB50242-2002)的规定。项序项目允许偏差或允许值主控项目1给水管道水压试验第4.2.1条2给水系统通水试验第4.2.2条3生活给水系统管道冲洗和消毒第4.2.3条4直埋金属给水管道防腐第4.2.4条一般项目1给水排水管铺设的平行、垂直净距第4.2.5条2金属给水管道及管件焊接第4.2.6条3给水水平管道坡度坡向第4.2.7条4管道支、吊架第4.2.9条5水表安装第4.2.10条6水平管道纵、横方向弯曲允许偏差值钢管每m1mm全长25m以上≯25mm塑料管复合管每m1.5mm全长25m以上≯25mm铸铁管每m2mm全长25m以上≯25mm立管垂直度允许偏差钢管每m3mm5m以上≯8mm塑料管复合管每m2mm5m以上≯8mm铸铁管每m3mm5m以上≯10mm成排管段和成排阀门在同一平面上的间距3mm三、工艺流程安装准备→预制加工→干管安装→立管安装→支管、消火栓安装→管道试压→管道防腐和保温→管道冲洗→通水试验四、操作工艺(四)安装准备认真熟悉图纸...

1、当您付费下载文档后,您只拥有了使用权限,并不意味着购买了版权,文档只能用于自身使用,不得用于其他商业用途(如 [转卖]进行直接盈利或[编辑后售卖]进行间接盈利)。
2、本站所有内容均由合作方或网友上传,本站不对文档的完整性、权威性及其观点立场正确性做任何保证或承诺!文档内容仅供研究参考,付费前请自行鉴别。
3、如文档内容存在违规,或者侵犯商业秘密、侵犯著作权等,请点击“违规举报”。

碎片内容

2024年室内给水管道安装施工标准

您可能关注的文档

确认删除?
VIP
微信客服
  • 扫码咨询
会员Q群
  • 会员专属群点击这里加入QQ群
客服邮箱
回到顶部