电脑桌面
添加小米粒文库到电脑桌面
安装后可以在桌面快捷访问

井下探放水牌板示意图

井下探放水牌板示意图_第1页
1/8
井下探放水牌板示意图_第2页
2/8
井下探放水牌板示意图_第3页
3/8
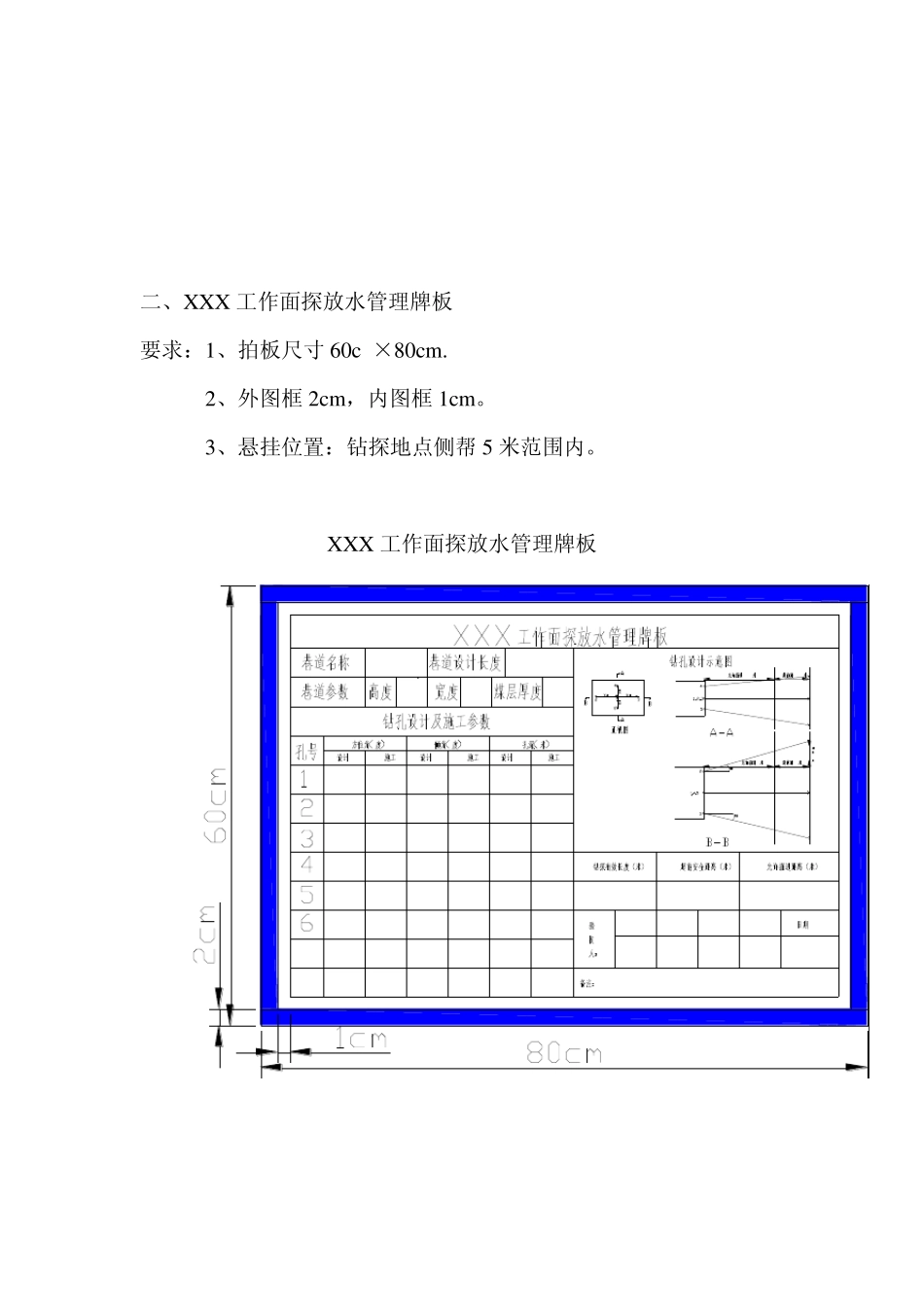
一、 ⅩⅩⅩ工作面探放水钻孔设计图 内容要求:1、钻孔设计示意图。2、钻孔参数。3、外图框 2cm ,内图框 1cm 。 悬挂位置:放置在工作面大样牌板处。 尺寸:大小规格与大样牌板一样。 XXX 工作面探放水示意图 二、XXX 工作面探放水管理牌板 要求:1、拍板尺寸60cm×80cm . 2、外图框 2cm ,内图框 1cm 。 3、悬挂位置:钻探地点侧帮 5 米范围内。 XXX 工作面探放水管理牌板 三、准掘牌板 要求:1、尺寸:45cm×35cm 。 2、外图框 2cm ,内图框 1cm 。 3、悬挂位置:交班时悬挂于工作面迎头永久支护 5 米范围内。 4、由掘进队组安检工负责填写。 四、探放水起始点牌板 要求:1、悬挂位置:钻探地点侧帮。 2、由钻探队负责悬挂。 3、尺寸:25cm ×30cm 。 4、外图框 2cm ,内图框 1cm 。 五、当班掘进起始点指示牌 要求:1、悬挂位置:交班时永久支护最前侧帮。 2、钢板喷红漆 3、尺寸:10cm ×50cm 。

1、当您付费下载文档后,您只拥有了使用权限,并不意味着购买了版权,文档只能用于自身使用,不得用于其他商业用途(如 [转卖]进行直接盈利或[编辑后售卖]进行间接盈利)。
2、本站所有内容均由合作方或网友上传,本站不对文档的完整性、权威性及其观点立场正确性做任何保证或承诺!文档内容仅供研究参考,付费前请自行鉴别。
3、如文档内容存在违规,或者侵犯商业秘密、侵犯著作权等,请点击“违规举报”。

碎片内容

井下探放水牌板示意图

确认删除?
VIP
微信客服
  • 扫码咨询
会员Q群
  • 会员专属群点击这里加入QQ群
客服邮箱
回到顶部