电脑桌面
添加小米粒文库到电脑桌面
安装后可以在桌面快捷访问

井控试题库及答案

井控试题库及答案_第1页
1/63
井控试题库及答案_第2页
2/63
井控试题库及答案_第3页
3/63
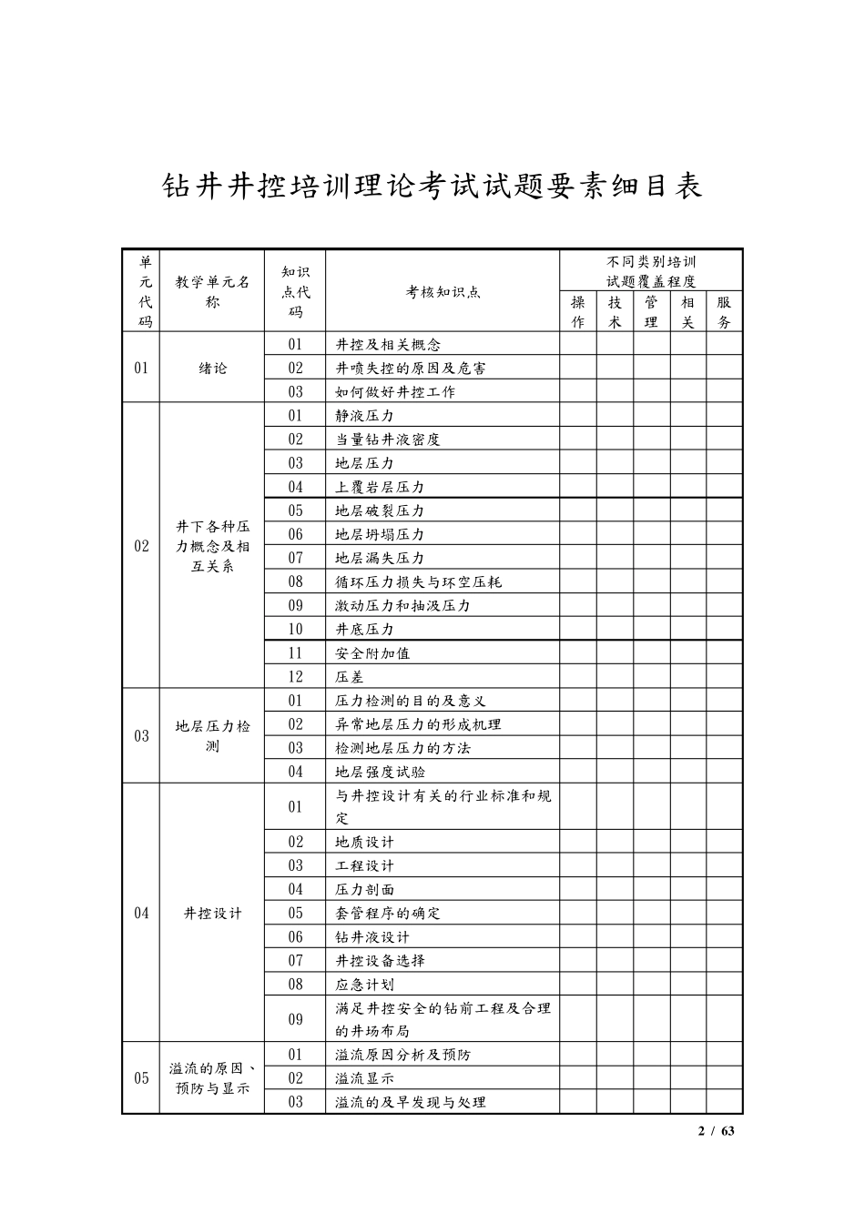
1 / 63 钻 井 井 控 培 训 理 论 考 试 试 题 ( 请 各 井 队 下 载 , 作 为 岗 位 技 校 教 学 容 。) 工 人 掌 握 容 : (蓝 色 部 分 ) 一 、 井 控 设 备 及 H2S 部 分 , 单 元 代 码 : 10-22 1.单 项 选 择 题 2.多 项 选 择 题 3.判 断 题 4.简 答 题 二 、 井 控 技 术 部 分 , 单 元 代 码 : 01-09 1.单 项 选 择 题 2.判 断 题 技 术 人 员 掌 握 容 : 全 部 联 系 人 : 培 训 中 心 解 其 兵 : 86761141 2 / 63 钻 井 井 控 培 训 理 论 考 试 试 题 要 素 细 目 表 单元 代码 教 学 单 元 名称 知 识点 代码 考 核 知 识 点 不 同 类 别 培 训 试 题 覆 盖 程 度 操作 技术 管理 相关 服务 01 绪 论 01 井 控 及 相 关 概 念 02 井 喷 失 控 的 原 因 及 危 害 03 如 何 做 好 井 控 工 作 02 井 下 各 种 压力 概 念 及 相互 关 系 01 静 液 压 力 02 当 量 钻 井 液 密 度 03 地 层 压 力 04 上 覆 岩 层 压 力 05 地 层 破 裂 压 力 06 地 层 坍 塌 压 力 07 地 层 漏 失 压 力 08 循 环 压 力 损 失 与 环 空 压 耗 09 激 动 压 力 和 抽 汲 压 力 10 井 底 压 力 11 安 全 附 加 值 12 压 差 03 地 层 压 力 检测 01 压 力 检 测 的 目 的 及 意 义 02 异 常 地 层 压 力 的 形 成 机 理 03 检 测 地 层 压 力 的 方 法 04 地 层 强 度 试 验 04 井 控 设 计 01 与 井 控 设 计 有 关 的 行 业 标 准 和 规定 02 地 质 设 计 03 工 程 设 计 04 压 力 剖 面 05 套 管 程 序 的 确 定 06 钻 井 液 设 计 07 井 控 设 备 选择 08 应急计 划 09 满足井 控 安 全 的 钻 前工 程 及 合理的 井 场布局 05 溢流的 原 因 、预防与 显示 01 溢流原 因 分析及 预防 02 溢流显示 03 溢流的 及 早发现与 处理 3 / 63 单元 代码 教 学 单 元 名称 知 识点 代码 考 核 知 识 点 不 同 类 别 培 训 试 题 覆 盖 程 度 操作 技术 管理 ...

1、当您付费下载文档后,您只拥有了使用权限,并不意味着购买了版权,文档只能用于自身使用,不得用于其他商业用途(如 [转卖]进行直接盈利或[编辑后售卖]进行间接盈利)。
2、本站所有内容均由合作方或网友上传,本站不对文档的完整性、权威性及其观点立场正确性做任何保证或承诺!文档内容仅供研究参考,付费前请自行鉴别。
3、如文档内容存在违规,或者侵犯商业秘密、侵犯著作权等,请点击“违规举报”。

碎片内容

井控试题库及答案

您可能关注的文档

确认删除?
VIP
微信客服
  • 扫码咨询
会员Q群
  • 会员专属群点击这里加入QQ群
客服邮箱
回到顶部