电脑桌面
添加小米粒文库到电脑桌面
安装后可以在桌面快捷访问

洗煤厂危险源辨识卡最新资料VIP专享

洗煤厂危险源辨识卡最新资料_第1页
1/11
洗煤厂危险源辨识卡最新资料_第2页
2/11
洗煤厂危险源辨识卡最新资料_第3页
3/11
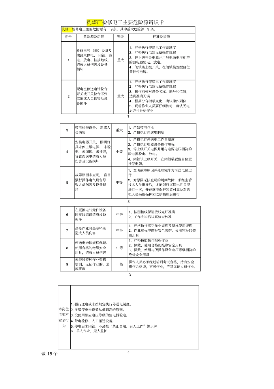
做 15 个洗煤厂检修电工主要危险源辨识卡洗煤厂检修电工主要危险源有9 条,其中重大危险源3 条。序号危险源及后果等级标准及措施1 检修电气 (器)设备及线路未停电、 闭锁、验电、放电、挂接地线,造成人员伤害及设备损坏重大1、严格执行停送电工作票制度2、严格执行电器设备操作规程3、停上级开关电源并用与电源电压相符的验电器验电、放电。4、闭锁该上级开关,在闭锁装置醒目位置挂停电牌。2 配电室停送电错拉合开关或开关拉合不到位造成人员伤害及设备损坏重大1、严格执行停送电工作票制度2、严格执行电器设备操作规程3、操作前核对设备名称、编号和位置,达到准确无误4、根据分合指示变化,确认操作到位5、现场作业人员要仔细核对,确认无电后方可开始作业1 3 带电检修设备, 造成人员伤害重大1、严禁带电作业2、严格执行停送电制度4 安装电器开关、 照明灯具未停上级电源、 未验电、未闭锁、未挂牌,导致误送电造成人员伤害及设备损坏中等1、严格执行停送电工作票制度2、严格执行电器设备操作规程3、停上级开关电源并用与电源电压相符的验电器验电、放电。4、闭锁该上级开关,在闭锁装置醒目位置挂停电牌。5 故障原因未查明, 盲目强行操作电气设备导致人员伤害及设备损坏中等1、查明故障原因并处理完毕方可送电试运行2、对原因无法查明的跳闸故障,须经主管技术人员批准后,才能强行试送电且只能进行一次,并在继电保护装置可靠及对送电人员采取保护和监护措施后进行36 在更换电气元件设备时接线错误造成设备损坏中等1、按图接线保证接线完好准确2、工作完毕后认真检查校准7 高处作业时高空坠落造成人员伤害中等1、严格执行高空作业规程及爬梯使用规程2、作业过程中做好安全防护,使用完好的登高用具8 停送电未按规程佩戴、使用合格的绝缘安全用具,造成人员伤害中等1、严格按照操作规程作业2、佩戴、使用合格的绝缘安全用具3、佩戴、使用与所操作设备电压等级相符的绝缘安全用具9 未经过特种作业资格培训,无证作业的,造成事故一般操作人员必须经过培训考试合格,持有安全操作合格证,方可作业,严禁无证人员作业。3本岗位主要不安全行为1. 强行送电或未按规定执行停送电制度。2. 多级停电未遵循从低到高的原则。3. 没使用相应电压等级的验电器验电。4. 带电检修、人工搬迁设备。5. 停电后未闭锁、不悬挂“禁止合闸,有人工作”警示牌6. 单人作业,无人监护4做 30 个洗煤厂检修钳工主要危险源辨识卡洗煤厂检...

1、当您付费下载文档后,您只拥有了使用权限,并不意味着购买了版权,文档只能用于自身使用,不得用于其他商业用途(如 [转卖]进行直接盈利或[编辑后售卖]进行间接盈利)。
2、本站所有内容均由合作方或网友上传,本站不对文档的完整性、权威性及其观点立场正确性做任何保证或承诺!文档内容仅供研究参考,付费前请自行鉴别。
3、如文档内容存在违规,或者侵犯商业秘密、侵犯著作权等,请点击“违规举报”。

碎片内容

洗煤厂危险源辨识卡最新资料

确认删除?
VIP
微信客服
  • 扫码咨询
会员Q群
  • 会员专属群点击这里加入QQ群
客服邮箱
回到顶部