电脑桌面
添加小米粒文库到电脑桌面
安装后可以在桌面快捷访问

人防工程水电安装检验批(全部范本)

人防工程水电安装检验批(全部范本)_第1页
1/63
人防工程水电安装检验批(全部范本)_第2页
2/63
人防工程水电安装检验批(全部范本)_第3页
3/63
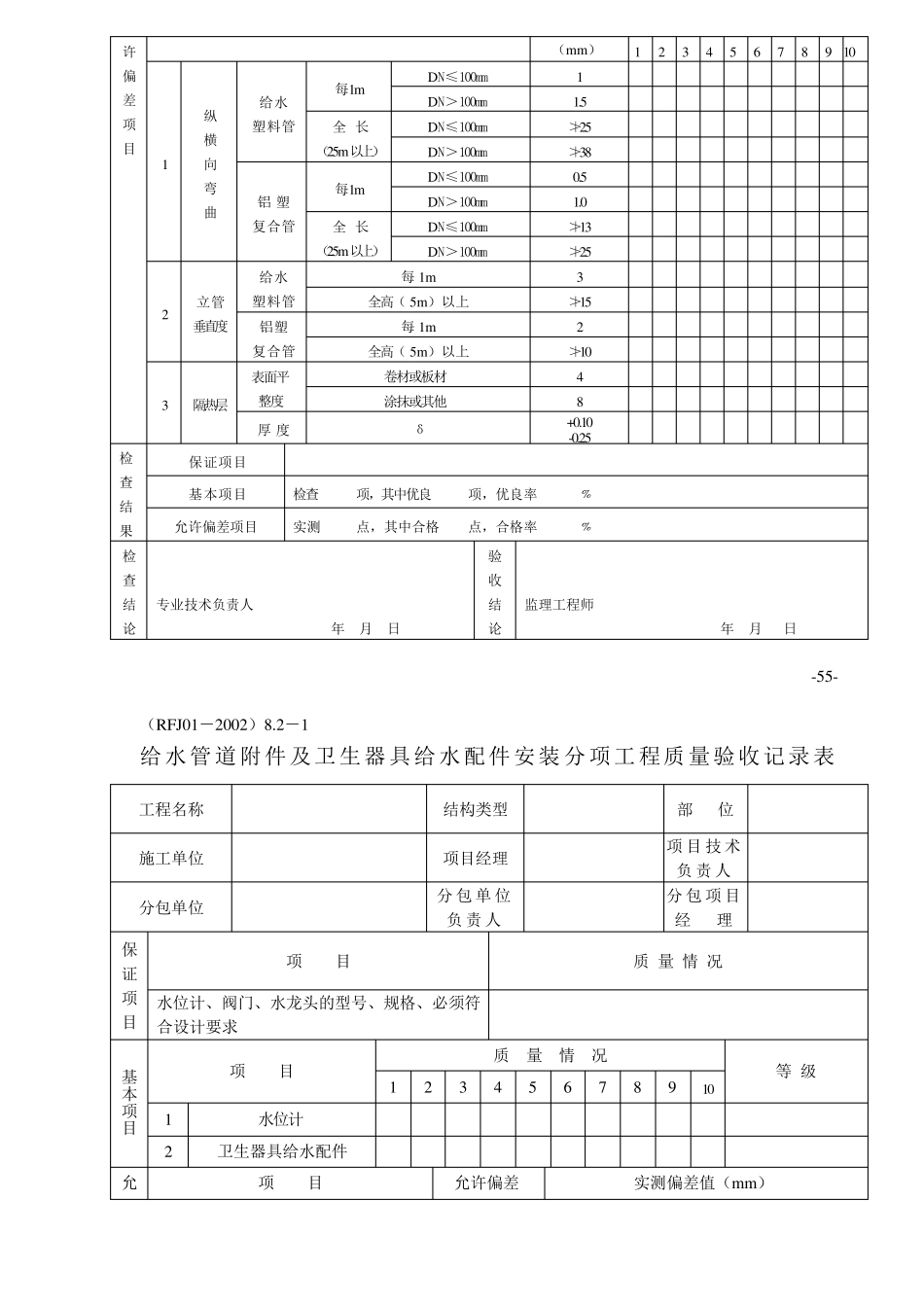
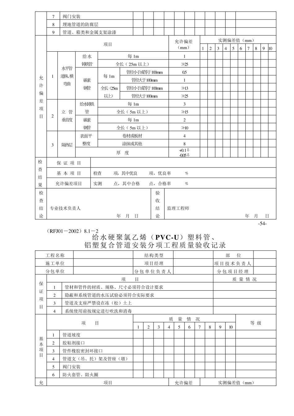
一、分项工程质量验收记录表 5、给水排水工程 (R FJ01-2002)8.1-1 给水管道安装分项工程质量验收记录表 工程名称 结构类型 部 位 施工单位 项目经理 项目技术负责人 分包单位 分包单位负责人 分包项目经理 保 证 项 目 项 目 质 量 情 况 1 隐蔽管道和给水系统的水压试验结果以及使用的管材品种、规格尺寸,必须符合设计要求和施工规范要求 2 管道及管道支座(墩),严禁铺设在未经处理的松土上 3 穿越水库水位线一下的水管,预制的柔性、刚性防水套管或带有翼环的防水穿墙短管,必须符合设计要求和施工规范的规定 4 给水系统竣工够或交付使用前,必须进行吹洗 基本项目 项 目 质 量 情 况 等 级 1 2 3 4 5 6 7 8 9 10 1 管道坡度 2 碳素钢管螺纹连接 3 碳素钢管法兰连接 4 非镀锌碳素钢管焊接 5 金属管道的承插和套箍接口 6 管道支(吊、托)架及管座(墩) 7 阀门安装 8 埋地管道的防腐层 9 管道、箱类和金属支架涂漆 允许偏差项目 项目 允许偏差(mm) 实测偏差值(mm) 1 2 3 4 5 6 7 8 9 10 1 水平管道纵、横弯曲 给 水 铸铁管 每1m 1 全长(25m 以上) ≯25 碳素 钢管 每1m 管径小于或等于100mm 0.5 管径大于100mm 1 全长(25m以上) 管径小于或等于100mm ≯13 管径大于100mm ≯25 2 立 管 垂直度 给水铸铁管 每1m 3 全长(5m 以上) ≯15 碳素 钢管 每1m 2 全长(5m 以上) ≯10 3 隔热层 表面平整度 卷材或板材 4 涂抹或其他 8 厚 度 +0. 1δ -0.05δ 检查 结果 保 证 项 目 基 本 项 目 检查 项,其中优良 项,优良率 ﹪ 允许偏差项目 实测 点,其中合格 点,合格率 ﹪ 检 查 结 论 专业技术负责人 年 月 日 验 收 结 论 监理工程师 年 月 日 -54- (RFJ01-2002)8.1-2 给水硬聚氯乙烯(PV C-U )塑料 管、 铝塑复合管道安装分项工程质量验收记录 工程名称 结构类型 部 位 施工单位 项目经理 项目技 术 负 责 人 分包单位 分 包 单 位 负 责 人 分 包 项目经 理 保 证 项 目 项 目 质 量 情 况 1 管材和管件的材质、规格、尺寸必须符合设计要求 2 隐蔽和系统管道的水压试验必须符合实际要求 3 管道及支座严禁设在冻(松)土上 4 系统使用前按规定进行吹洗和消毒 基本项目 项 目 质 量 情 况...

1、当您付费下载文档后,您只拥有了使用权限,并不意味着购买了版权,文档只能用于自身使用,不得用于其他商业用途(如 [转卖]进行直接盈利或[编辑后售卖]进行间接盈利)。
2、本站所有内容均由合作方或网友上传,本站不对文档的完整性、权威性及其观点立场正确性做任何保证或承诺!文档内容仅供研究参考,付费前请自行鉴别。
3、如文档内容存在违规,或者侵犯商业秘密、侵犯著作权等,请点击“违规举报”。

碎片内容

人防工程水电安装检验批(全部范本)

确认删除?
VIP
微信客服
  • 扫码咨询
会员Q群
  • 会员专属群点击这里加入QQ群
客服邮箱
回到顶部