电脑桌面
添加小米粒文库到电脑桌面
安装后可以在桌面快捷访问

人防资料范例

人防资料范例_第1页
1/45
人防资料范例_第2页
2/45
人防资料范例_第3页
3/45
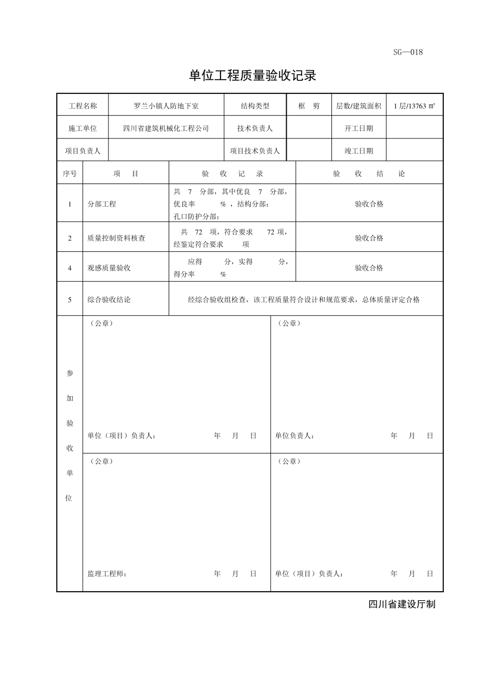
SG—018 单位工程质量验收记录 工程名称 罗兰小镇人防地下室 结构类型 框 剪 层数/建筑面积 1 层/1 3 7 6 3 ㎡ 施工单位 四川省建筑机械化工程公司 技术负责人 开工日期 项目负责人 项目技术负责人 竣工日期 序号 项 目 验 收 记 录 验 收 结 论 1 分部工程 共 7 分部,其中优良 7 分部,优良率 % ,结构分部: 孔口防护分部: 验收合格 2 质量控制资料核查 共 7 2 项,符合要求 7 2 项,经鉴定符合要求 项 验收合格 4 观感质量验收 应得 分,实得 分,得分率 % 验收合格 5 综合验收结论 经综合验收组检查,该工程质量符合设计和规范要求,总体质量评定合格 参 加 验 收 单 位 (公章) 单位(项目)负责人: 年 月 日 (公章) 单位负责人: 年 月 日 (公章) 监理工程师: 年 月 日 (公章) 单位(项目)负责人: 年 月 日 四川省建设厅制SG—19 单位工程质量控制资料核查记录 工程名称 光明大厦 施工单位 大华建筑公司 序号 项目 资 料 名 称 份数 核 查 意 见 核查人 1 建 筑 结 构 与 防 护 图纸会审、设计变更、洽商记录 完 整 2 工程定位测量、放线记录 / / 3 原材料出厂合格证及进场检验报告 完 整 4 施工试验报告及见证检测报告 完 整 5 隐蔽工程验收记录 完 整 6 施工记录 完 整 7 预制构件、预拌混凝土合格证 完 整 8 主体结构检验及抽样检测报告 完 整 9 防护门、防护密闭门、密闭门、防爆波活门出厂合格证书 完 整 10 防爆超压排气活门、自动排气活门出厂合格证书 完 整 11 分项、分部工程质量验收记录 完 整 12 工程质量事故及事故调查处理资料 / / 13 新材料、新工艺施工记录 / / 1 给 水 排 水 图纸会审、设计变更、洽商记录 完 整 2 材料配件出厂合格证及进场检验报告 完 整 3 管道、设备强度试验、严密性试验记录 完 整 4 隐蔽工程验收表施工记录 完 整 5 系统清洗、灌水、通水、通球试验记录 完 整 6 施工记录 完 整 7 分项、分部工程质量验收记录 完 整 1 通 风 采 暖 与 空 调 图纸会审、设计变更、洽商记录 完 整 2 材料、设备出厂合格证及进场检验报告 完 整 3 空调、水管道强度试验、严密性试验记录 / / 4 隐蔽工程验收记录 完 整 5 通风、空调系统调试记录 完 整 6 施工记录...

1、当您付费下载文档后,您只拥有了使用权限,并不意味着购买了版权,文档只能用于自身使用,不得用于其他商业用途(如 [转卖]进行直接盈利或[编辑后售卖]进行间接盈利)。
2、本站所有内容均由合作方或网友上传,本站不对文档的完整性、权威性及其观点立场正确性做任何保证或承诺!文档内容仅供研究参考,付费前请自行鉴别。
3、如文档内容存在违规,或者侵犯商业秘密、侵犯著作权等,请点击“违规举报”。

碎片内容

人防资料范例

确认删除?
VIP
微信客服
  • 扫码咨询
会员Q群
  • 会员专属群点击这里加入QQ群
客服邮箱
回到顶部