电脑桌面
添加小米粒文库到电脑桌面
安装后可以在桌面快捷访问

涂料防水层报验表讲解

涂料防水层报验表讲解_第1页
1/17
涂料防水层报验表讲解_第2页
2/17
涂料防水层报验表讲解_第3页
3/17
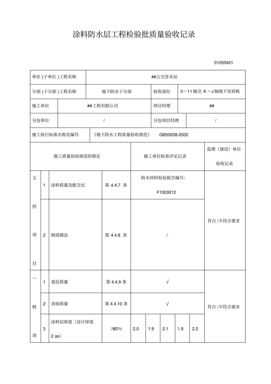
涂料防水层工程检验批质量验收记录01050401 单位 (子单位 )工程名称##公交首末站分部 (子分部 )工程名称地下防水子分部验收部位3~11 轴交 A ~J 轴地下室底板施工单位##工程有限公司项目经理##分包单位/ 分包项目经理/ 施工执行标准名称及编号《地下防水工程质量验收规范》GB50208-2002 施工质量验收规范的规定施工单位检查评定记录监理(建设)单位验收记录主控项目1 涂料质量及配合比第 4.4.7 条防水材料检验报告编号:F1003012 符合 /不符合要求2 细部做法第 4.4.8 条/ 一般项1 基层质量第 4.4.9 条√符合 /不符合要求2 表面质量第 4.4.10 条√3 涂料层厚度(设计厚度2 ㎜)≥80%2.0 1.9 2.1 1.9 2.2 目4 保护层与防水层粘结第4.4.12条√施工单位检查评定结果专业工长 (施工员 ) 施工班组长主控项目全部合格,一般项目满足设计及施工规范规定要求,评定为合格。项目专业质量检查员:2010 年 09 月 19 日监理 (建设 )单位验收结论同意 /不同意验收专业监理工程师:(建设单位项目专业技术负责人)年月日涂料防水层工程检验批质量验收记录01050402 单位 (子单位 )工程名称##公交首末站分部 (子分部 )工程名称地下防水子分部验收部位3~11 轴/J~ N 轴地下室底板施工单位##工程有限公司项目经理##分包单位/ 分包项目经理/ 施工执行标准名称及编号《地下防水工程质量验收规范》GB50208-2002 施工质量验收规范的规定施工单位检查评定记录监理(建设)单位验收记录主控项目1 涂料质量及配合比第 4.4.7 条防水材料检验报告编号:F1003012 符合 /不符合要求2 细部做法第 4.4.8 条/ 一般项目1 基层质量第 4.4.9 条√符合 /不符合要求2 表面质量第 4.4.10 条√3 涂料层厚度(设计厚度2 ㎜)≥80%1.9 2.1 2.2 1.9 2.0 4 保护层与防水层粘结第4.4.12条√施工单位检查评定结果专业工长 (施工员 ) 施工班组长主控项目全部合格,一般项目满足设计及施工规范规定要求,评定为合格。项目专业质量检查员:2010 年 09 月 29 日监理 (建设 )单位验收结论同意 /不同意验收专业监理工程师:(建设单位项目专业技术负责人)年月日涂料防水层工程检验批质量验收记录01050403 单位 (子单位 )工程名称##公交首末站分部 (子分部 )工程名称地下防水子分部验收部位1~ 11 轴/N~ Q 轴地下室底板施工单位##工程有限公司项目经理##分包单位/ 分包项目经理/ 施工执...

1、当您付费下载文档后,您只拥有了使用权限,并不意味着购买了版权,文档只能用于自身使用,不得用于其他商业用途(如 [转卖]进行直接盈利或[编辑后售卖]进行间接盈利)。
2、本站所有内容均由合作方或网友上传,本站不对文档的完整性、权威性及其观点立场正确性做任何保证或承诺!文档内容仅供研究参考,付费前请自行鉴别。
3、如文档内容存在违规,或者侵犯商业秘密、侵犯著作权等,请点击“违规举报”。

碎片内容

涂料防水层报验表讲解

您可能关注的文档

确认删除?
VIP
微信客服
  • 扫码咨询
会员Q群
  • 会员专属群点击这里加入QQ群
客服邮箱
回到顶部