电脑桌面
添加小米粒文库到电脑桌面
安装后可以在桌面快捷访问

润滑油工程车技术要求

润滑油工程车技术要求_第1页
1/4
润滑油工程车技术要求_第2页
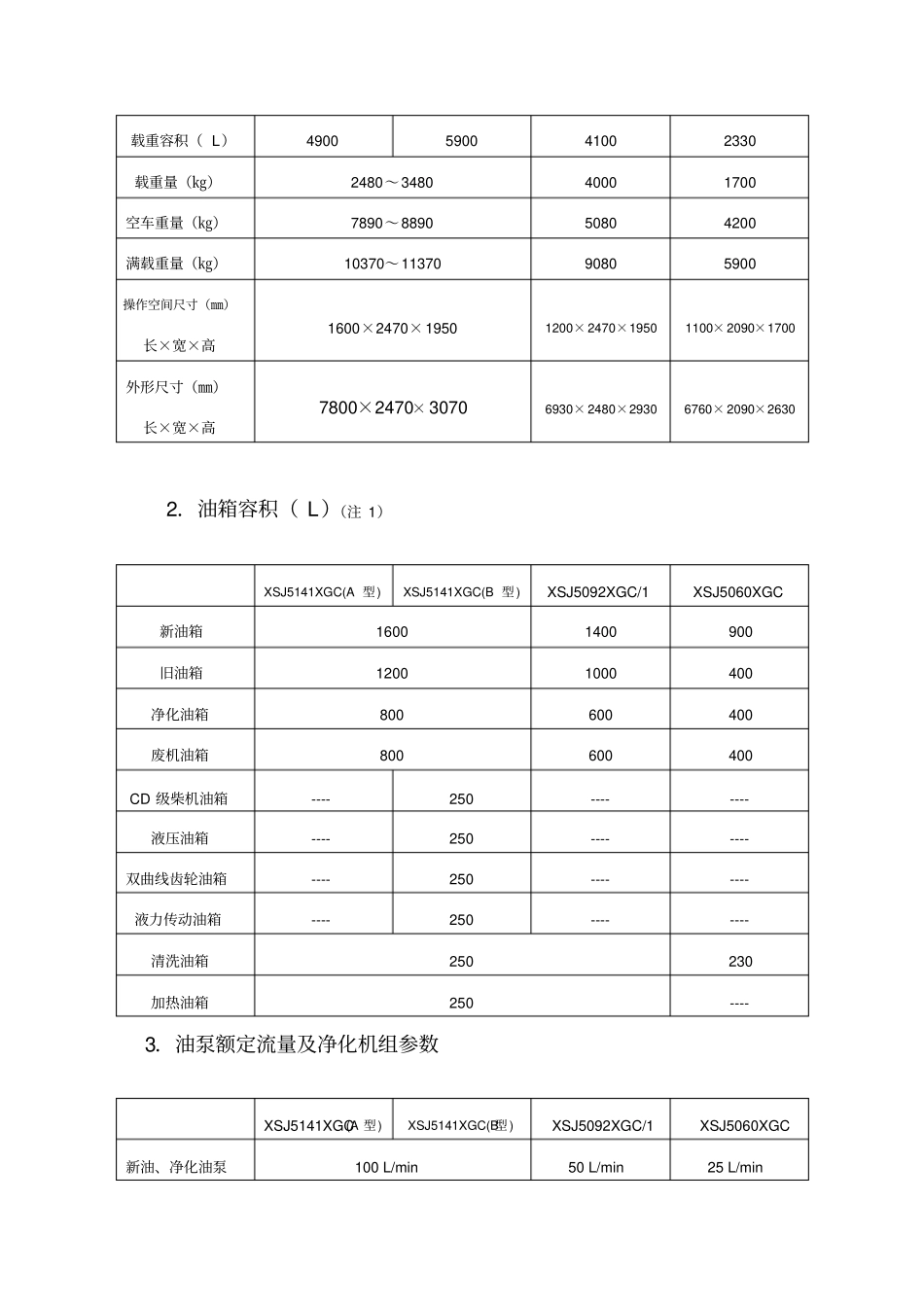
2/4
润滑油工程车技术要求_第3页
3/4
润滑油工程车技术要求一、总体要求1、免征车辆购置附加税,已通过国家“3C”认证。2、底盘车及台上运转设备采用集中自动润滑装置,装有发动机低温启动前预热装置 ,驾驶室、操作间配制冷空调及暖风设施,所有座位安装三点式安全带。3、整机由尾部换油平台、高压润滑脂加注机、组合油罐、操作间、组合式工具箱及货柜、车载发电机、净化机组、化验仪器、发动机清洗机等组成,整体布局合理紧凑、专用功能齐全、操作方便舒适、越野能力强、使用维修方便。对不同油品实行专罐专储,专泵专管专输,密闭输送,定期化验、按质换油,全部管线化密闭操作(采集化验油样、抽出旧油、喷射清洗减速箱、加注新油)。(1)换油平台,为独立空间,密封性好,内部合理安置油品加注设施,管线存、取方便,管线绞盘以及电驱动打油泵安装牢固,,油品加注枪自带计量功能。(2)高压润滑脂加注机,为电驱动,能够为野外作业设备快速、高压加注润滑脂。自身能够方便、快速地充装润滑脂,容量10 升。(3)组合油罐,罐体及内部隔板钢板厚度6mm,内部除锈彻底,并具有很强的防锈、防腐性能。油品入口、出口均加装方便更换的过滤器。出口接头、管线、阀件的安装位置要方便维修、更换。(4)操作间防尘、密封性好,内壁设计有密封式组合货柜,用于放置各类滤清器,柜门具有很好的密封防尘性能,带暗锁。(5)工具箱的设计遵循合理利用空间的原则,主要分布在车体外围,密封性好,带暗锁。(6)车载发电机选用5-8KW 久保田柴油发电机组。(7)净化机组,具有以下功能:能对液压油、非热机用柴机油、机械油、齿轮油、透平油和变压器油等进行净化。主要以物理净化的方法即加热降粘、多级过滤、 膜处理技术, 以及真空塔油 -气-水分离技术,以清除旧油中的机械杂质、 水份和各种气体, 使净化后的油恢复原有性能。(8)随车携带的油品质量快速化验仪能及时检测油品质量(要能够准确检测 CD、CF、CH、CI 级柴机油, 8#液力传动油, 80W-90 重负荷齿轮油等常用油品),并配备计算机管理信息系统,以便了解单台设备维护史和所有设备的运行质量情况。(9)发动机清洗机,能为各种发动机清洗油路。4、其它要求:(1)外观喷制中国石油及“吐哈油田井下公司”标识。(2)操作使用设备过程中,所有运行参数和控制开关要集中布局,分布直观、合理。(3)整车适合在风沙大- 30℃~+ 50℃环境下工作。(4)电机电器全部采用防爆级配置, 用于易燃有爆炸性气体的场合。(5)随机...

1、当您付费下载文档后,您只拥有了使用权限,并不意味着购买了版权,文档只能用于自身使用,不得用于其他商业用途(如 [转卖]进行直接盈利或[编辑后售卖]进行间接盈利)。
2、本站所有内容均由合作方或网友上传,本站不对文档的完整性、权威性及其观点立场正确性做任何保证或承诺!文档内容仅供研究参考,付费前请自行鉴别。
3、如文档内容存在违规,或者侵犯商业秘密、侵犯著作权等,请点击“违规举报”。

碎片内容

润滑油工程车技术要求

您可能关注的文档

确认删除?
VIP
微信客服
  • 扫码咨询
会员Q群
  • 会员专属群点击这里加入QQ群
客服邮箱
回到顶部