电脑桌面
添加小米粒文库到电脑桌面
安装后可以在桌面快捷访问

液压同步回路的方法与特点

液压同步回路的方法与特点_第1页
1/10
液压同步回路的方法与特点_第2页
2/10
液压同步回路的方法与特点_第3页
3/10
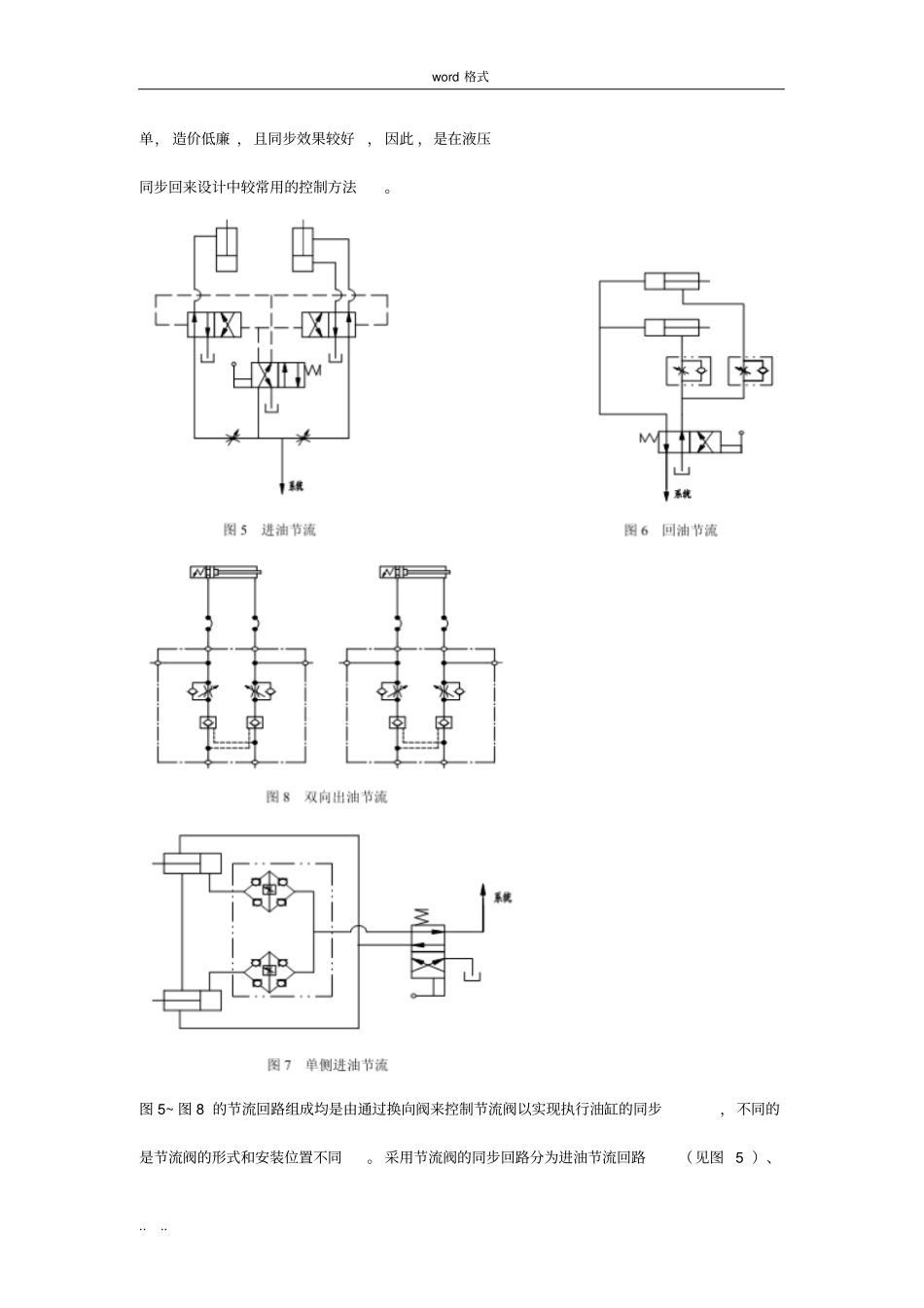
word 格式.. .. 液压同步回路的方法及特点液压缸机械结合同步回路图 1 中回路由两执行油缸和刚性梁组成,通过刚性梁联接实现两缸同步,图 2 中回路由两执行油缸、齿轮齿条缸组成,通过齿轮齿条将两缸联接在一起,从而实现同步。两液压回路液压缸的同步都是靠机械结构来保证的,这种回路特点是同步性能较可靠 ,但由于油缸的受力有差别时硬性的机械作用力可能对油缸有所损伤,同时对机械联接的强度要求增加.2 串联液压缸同步回路图 3 中回路由泵 、溢流阀 、换向阀 、两串联缸组成 ,要求实现两串联缸同步。实现此串联液压缸同步回路的前提条件是: 必须使用双侧带活塞杆的液压缸,或者串联的两油腔的有效作用面积相等, 这样根据油缸速度为流量与作用面积的比值,油缸的速度才能相同。 但word 格式.. .. 是, 这种结构往往由于制造上的误差、内部泄露及混入空气等原因而影响其同步性。对于负载一定时 ,需要的油路压力要增加,其增加的倍数为其所串联的油缸数。为了补偿因为泄露造成的油缸不同步问题,在设计同步回路时可以采用带补油装置的同步回路,见图 4。图 4 中回路较图3 增加了液压锁和控制液压锁打开的换向阀,这条油路的增加可使两串联缸更好地实现同步。同样 ,缸Ⅰ的有杆腔 A 和缸 Ⅱ的无杆腔 B 的受力面积相同。在工作状态 , 活塞杆伸出的情况下,如果缸 Ⅰ 先伸出到底部,限位开关的作用使电磁换向阀得电, 压力油进入B 腔补入一部分油液,使油缸 Ⅱ完成全部行程 ;如果缸 Ⅱ先伸出到底部 ,限位开关的作用使电磁阀得电,液控单向阀打开,使 A 腔放出部分油液,使油缸 Ⅰ完成全部行程 。3 采用节流阀的同步回路用节流阀来控制工作缸的同步,其结构比较简word 格式.. .. 单, 造价低廉 ,且同步效果较好, 因此 ,是在液压同步回来设计中较常用的控制方法。图 5~ 图 8 的节流回路组成均是由通过换向阀来控制节流阀以实现执行油缸的同步,不同的是节流阀的形式和安装位置不同。 采用节流阀的同步回路分为进油节流回路(见图 5 )、word 格式.. .. 回油节流回路( 见图6 )、 单侧进回油节流回路( 见图7 ) 和双向出油节流( 见图7 )。 图 7 的回路液压缸伸出和缩回均进行出油节流,调整节流阀可以实现两缸同时前进和后退 。在这种回路中 ,各个电磁换向阀必须同上切换, 如果液压缸操作回路管线长度不同 ,还需要考虑压力差异的影响。 由于载荷 ...

1、当您付费下载文档后,您只拥有了使用权限,并不意味着购买了版权,文档只能用于自身使用,不得用于其他商业用途(如 [转卖]进行直接盈利或[编辑后售卖]进行间接盈利)。
2、本站所有内容均由合作方或网友上传,本站不对文档的完整性、权威性及其观点立场正确性做任何保证或承诺!文档内容仅供研究参考,付费前请自行鉴别。
3、如文档内容存在违规,或者侵犯商业秘密、侵犯著作权等,请点击“违规举报”。

碎片内容

液压同步回路的方法与特点

爱的疯狂+ 关注
实名认证
内容提供者

该用户很懒,什么也没介绍

相关文档

确认删除?
VIP
微信客服
  • 扫码咨询
会员Q群
  • 会员专属群点击这里加入QQ群
客服邮箱
回到顶部