电脑桌面
添加小米粒文库到电脑桌面
安装后可以在桌面快捷访问

深圳中级安全主任培训模拟试题2

深圳中级安全主任培训模拟试题2_第1页
1/6
深圳中级安全主任培训模拟试题2_第2页
2/6
深圳中级安全主任培训模拟试题2_第3页
3/6
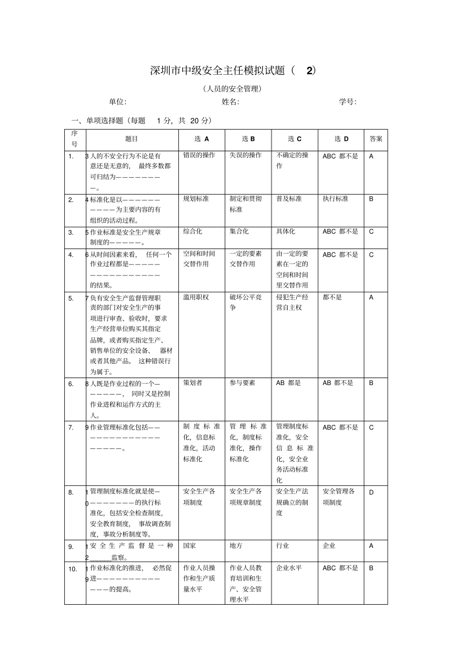
深圳市中级安全主任模拟试题(2)(人员的安全管理)单位:姓名:学号:一、单项选择题(每题1 分,共 20 分)序号题目选 A 选 B 选 C 选 D 答案1.3 人的不安全行为不论是有意还是无意的, 最终多数都可归结为————————。错误的操作失误的操作不确定的操作ABC 都不是A 2.4 标准化是以——————————为主要内容的有组织的活动过程。规划标准制定和贯彻标准普及标准执行标准B 3.5 作业标准是安全生产规章制度的—————。综合化集合化具体化ABC 都不是C 4.6 从时间因素来看, 任何一个作业过程都是————————————————的结果。空间和时间交替作用一定的要素交替作用由一定的要素在一定的空间和时间里交替作用ABC 都不是C 5.7 负有安全生产监督管理职责的部门对安全生产的事项进行审查、验收时,要求生产经营单位购买其指定品牌,或者购买指定生产、销售单位的安全设备、器材或者其他产品。 这种错误行为属于。滥用职权破坏公平竞争侵犯生产经营自主权都不是A 6.8 人既是作业过程的一个——————, 同时又是控制作业进程和运作方式的主人。策划者参与要素AB 都是AB 都不是B 7.9 作业管理标准化包括——————————————————。制 度 标 准化,信息标准化,活动标准化管 理 标 准化,制度标准化,操作标准化管理制度标准化,安全信 息 标 准化,安全业务活动标准化ABC 都不是C 8.10 管理制度标准化就是使————————的执行标准化,包括安全检查制度,安全教育制度, 事故调查制度,事故分析制度等。安全生产各项制度安全生产各项规章制度安全生产法规确立的制度安全管理各项制度D 9.12 安 全 生 产 监 督 是 一 种______监察。国家地方行业企业A 10.19 作业标准化的推进, 必然促进—————————————的提高。作业人员操作和生产质量水平作业人员教育培训和生产、安全管理水平企业水平ABC 都不是B 11.20 危险作业的特点决定了它们比固定地点的重复性作业有更多的————————————。事故潜在危险AB 都是AB 都不是B 12.21 要提高人员的安全素质,不正确的做法是:严把人员的选用与配置关做到“人员安全素质与岗位工作要求相匹配”缩短工作时间,增加休息时间加强人员的安全教育培训,提高在位人员的安全素质。C 13.22 根据《安全生产法》的要求和有关规定, 危险物品的生产、经营、储存单位以及矿山、建筑施工单...

1、当您付费下载文档后,您只拥有了使用权限,并不意味着购买了版权,文档只能用于自身使用,不得用于其他商业用途(如 [转卖]进行直接盈利或[编辑后售卖]进行间接盈利)。
2、本站所有内容均由合作方或网友上传,本站不对文档的完整性、权威性及其观点立场正确性做任何保证或承诺!文档内容仅供研究参考,付费前请自行鉴别。
3、如文档内容存在违规,或者侵犯商业秘密、侵犯著作权等,请点击“违规举报”。

碎片内容

深圳中级安全主任培训模拟试题2

您可能关注的文档

确认删除?
VIP
微信客服
  • 扫码咨询
会员Q群
  • 会员专属群点击这里加入QQ群
客服邮箱
回到顶部