电脑桌面
添加小米粒文库到电脑桌面
安装后可以在桌面快捷访问

混凝土及抹灰表面施涂油性涂料施工分项工程质量管理

混凝土及抹灰表面施涂油性涂料施工分项工程质量管理_第1页
1/4
混凝土及抹灰表面施涂油性涂料施工分项工程质量管理_第2页
2/4
混凝土及抹灰表面施涂油性涂料施工分项工程质量管理_第3页
3/4
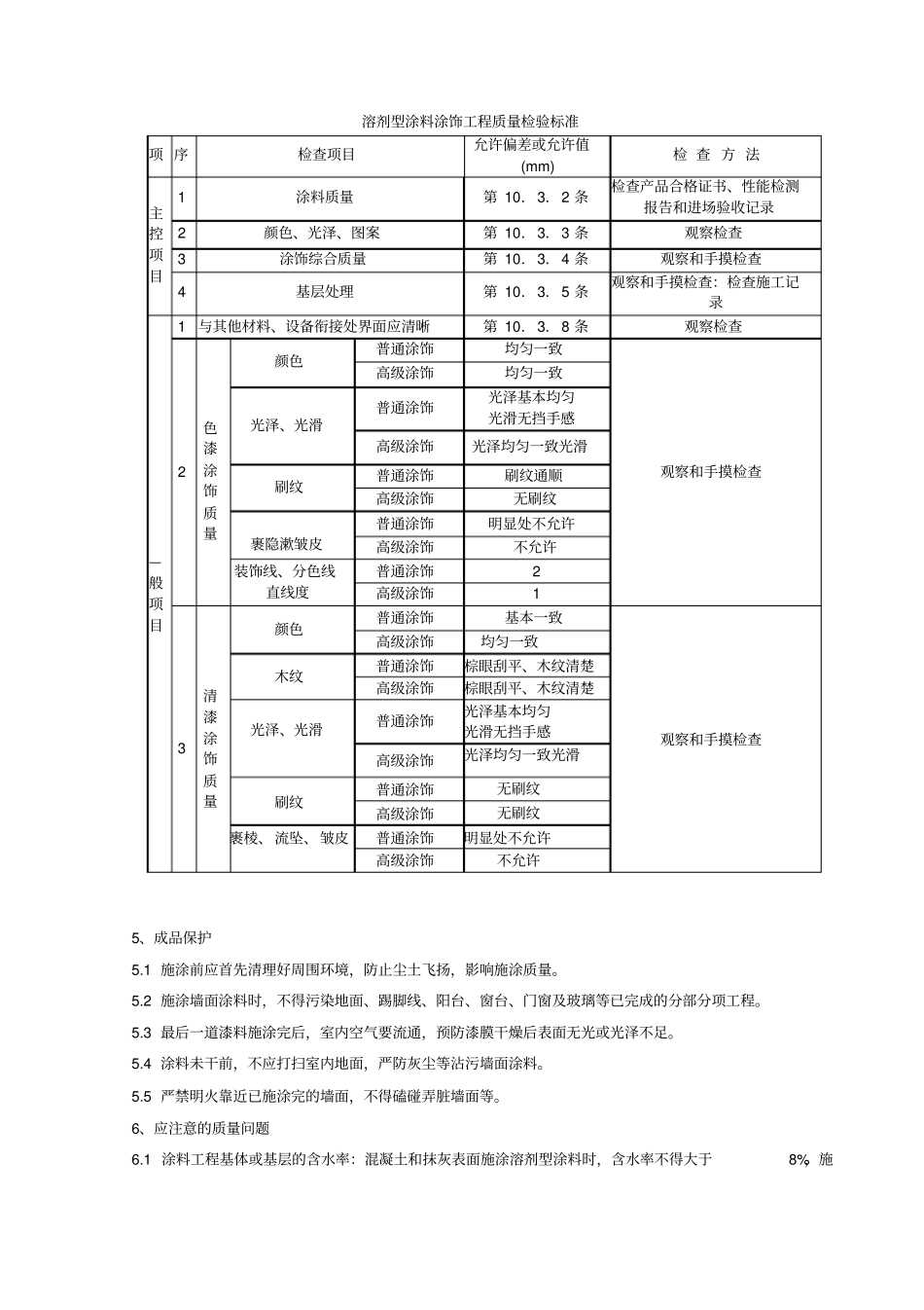
混凝土及抹灰表面施涂油性涂料施工工程质量管理1、依据标准:《建筑工程施工质量验收统一标准》 GB50300-2001 《建筑装饰装修工程施工质量验收规范》 GB50210-2001 2、施工准备2.1 材料要求2.1.1涂料:光油、清油、铅油、各色油性调和漆(酯胶调和漆、酚醛调和漆、醇酸调和漆等),或各色无光调和漆等;应有产品合格证、出厂日期及使用说明。2.1.2填充料:大白粉、滑石粉、石膏粉、地板黄、红土子、黑烟子、立德粉、羧甲基纤维素、聚醋酸乙烯乳液等。2.1.3稀释剂:汽油、煤油、松香水、酒精、醇酸稀料等与油漆相应配套的稀料。2.1.4各色颜料应耐碱、耐光。2.2 主要机具:2.2.1一般应备有高凳、脚手板、半截大桶、小油桶、铜丝箩、橡皮刮板、钢皮刮板、笤帚、腻子槽、开刀、刷子、排笔、砂纸、棉丝、擦布等。2.3 作业条件:2.3.1墙面必须干燥,基层含水率不得大于8%。2.3.2墙面的设备管洞应提前处理完毕,为确保墙面干燥,各种穿墙孔洞都应提前抹灰补齐。2.3.3门窗要提前安装好玻璃。2.3.4大面积施工前应事先做好样板间,经有关质量部门检查鉴定合格后,方可组织班组进行大面积施工。2.3.5施工环境应通风良好,湿作业已完成并具备一定的强度,环境比较干燥。2.3.6冬期施工室内油漆涂料工程,应在采暖条件下进行,室温保持均衡,一般室内温度不宜低于+10℃,相对湿度为60%,不得突然变化。同时应设专人负责测试和开关门窗,以利通风排除湿气。3、操作工艺3.1 工艺流程:基层处理→修补腻子→第一遍满刮腻子→第二遍满刮腻子→弹分色线→刷第一道涂料→刷第二道涂料→刷第三道涂料→刷第四道涂料。3.2 基层处理:应将墙面上的灰渣等杂物清理干净,用笤帚将墙面浮土等扫净。3.3 修补腻子:用石膏腻子将墙面、门窗口角等磕碰破损处、麻面、风裂、接槎缝隙等分别找补好,干燥后用砂纸将凸出处磨平。3.4第一遍满刮腻子:待满刮一遍腻子干燥后,用砂纸将墙面的腻子残渣、斑迹等磨平、磨光,然后将墙面清扫干净。腻子配合比为聚醋酸乙烯乳液(即白乳胶)﹕滑石粉或大白粉﹕2%羧甲基纤维素溶液 =1﹕5﹕35(重量比)。以上为适用于室内的腻子;如厨房、厕所、浴室等应采用室外工程的乳胶腻子,这种腻子耐水性能较好。其配合比为聚醋酸乙烯乳液(即白乳液)﹕水泥﹕水=1﹕5﹕1(重量比)。3.5 第二遍满刮腻子(施涂高级涂料):腻子配合比和操作方法与第一遍腻子相同。待腻子干燥后个别地方再复补腻子,个别大的孔洞可复补石膏腻子,彻底干燥后,用...

1、当您付费下载文档后,您只拥有了使用权限,并不意味着购买了版权,文档只能用于自身使用,不得用于其他商业用途(如 [转卖]进行直接盈利或[编辑后售卖]进行间接盈利)。
2、本站所有内容均由合作方或网友上传,本站不对文档的完整性、权威性及其观点立场正确性做任何保证或承诺!文档内容仅供研究参考,付费前请自行鉴别。
3、如文档内容存在违规,或者侵犯商业秘密、侵犯著作权等,请点击“违规举报”。

碎片内容

混凝土及抹灰表面施涂油性涂料施工分项工程质量管理

确认删除?
VIP
微信客服
  • 扫码咨询
会员Q群
  • 会员专属群点击这里加入QQ群
客服邮箱
回到顶部