电脑桌面
添加小米粒文库到电脑桌面
安装后可以在桌面快捷访问

混凝土排水管道闭水试验专项施工方案

混凝土排水管道闭水试验专项施工方案_第1页
1/14
混凝土排水管道闭水试验专项施工方案_第2页
2/14
混凝土排水管道闭水试验专项施工方案_第3页
3/14
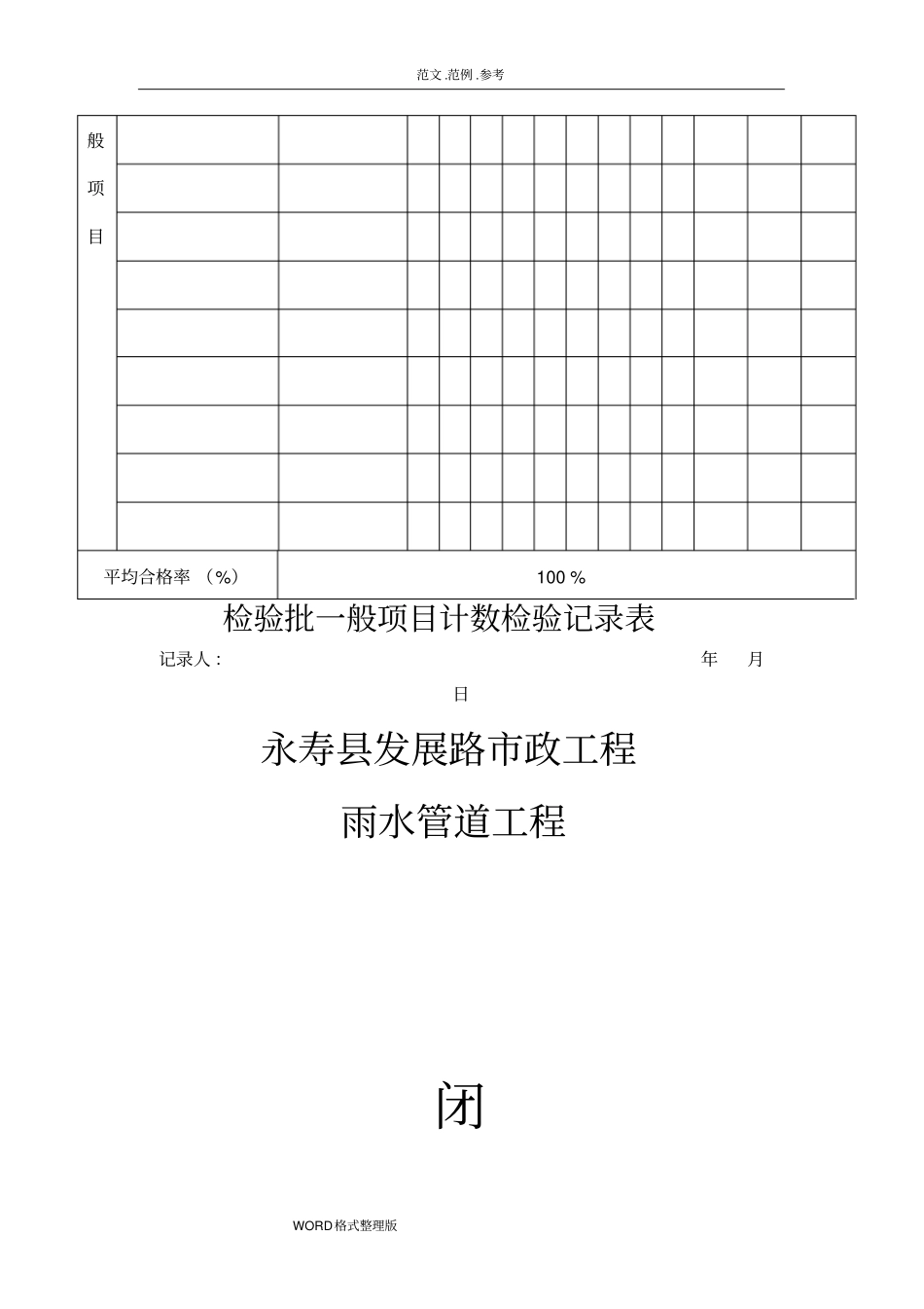
范文 .范例 .参考WORD格式整理版闭水试验报验申请表工程名称 :永寿县发展路市政工程编号 :致: 陕西建科建设监理咸阳分公司部(监理单位 )我单位已完成了雨水管道闭水试验Y5-Y9 (K0+200 -K0+346 )工作,现报上该工程报验申请表 ,请予以审查和验收 。附件 : 检验批一般项目计数检验记录表无压力管道闭水试验实施方案(6 张)管道闭水试验记录表 (1 张)承包单位 (章)项目经理日期范文 .范例 .参考WORD格式整理版审查意见项目监理机构总/ 专业监理工程师日期工程名称永寿县发展路市政工程施工单位陕西武功建筑工程总公司单位工程名称雨水管道工程分部工程名称功能性试验检测分项工程名称闭水试验验收部位Y5-Y9 (K0+200 -K0+346 )工程数量5 座项目经理宋党库技术负责人李西印制表人李玉涛施工负责人范继彬质量检验员李玉涛交方班组接方班组检验日期检 查 项 目质量要求 、检验依据或允许偏差(mm )实测点偏差值或实测值1 2 3 4 5 6 7 8 9 应测点数合格点数合格率% 一闭水试验1/3 井段√√2 2 100 范文 .范例 .参考WORD格式整理版检验批一般项目计数检验记录表记录人 :年月日永寿县发展路市政工程雨水管道工程闭般项目平均合格率 (%)100 % 范文 .范例 .参考WORD格式整理版水试验方案陕西武功建筑工程总公司永寿县发展路项目部2017 年 7月10日目 录范文 .范例 .参考WORD格式整理版一、工程概况 ⋯⋯⋯⋯⋯⋯⋯⋯⋯⋯⋯⋯⋯⋯⋯⋯⋯⋯⋯2 二、主要材料及设备要求⋯⋯⋯⋯⋯⋯⋯⋯⋯⋯⋯⋯⋯⋯2 三、闭水试验应具备的条件⋯⋯⋯⋯⋯⋯⋯⋯⋯⋯⋯⋯⋯2 四、闭水试验程序 ⋯⋯⋯⋯⋯⋯⋯⋯⋯⋯⋯⋯⋯⋯⋯⋯⋯2 五、闭水试验的方法 ⋯⋯⋯⋯⋯⋯⋯⋯⋯⋯⋯⋯⋯⋯⋯⋯3 六、渗水量的计算 ⋯⋯⋯⋯⋯⋯⋯⋯⋯⋯⋯⋯⋯⋯⋯⋯⋯3 七、验收 ⋯⋯⋯⋯⋯⋯⋯⋯⋯⋯⋯⋯⋯⋯⋯⋯⋯⋯⋯⋯⋯4 九、安全 ⋯⋯⋯⋯⋯⋯⋯⋯⋯⋯⋯⋯⋯⋯⋯⋯⋯⋯⋯⋯⋯4 十、施工注意事项 ⋯⋯⋯⋯⋯⋯⋯⋯⋯⋯⋯⋯⋯⋯⋯⋯⋯5 范文 .范例 .参考WORD格式整理版雨、污水管道工程闭水试验方案一、工程概况1.编制依据《给水排水管道工程施工及验收规范》GB50268-2008 《发展路雨污水工程 》施工图《给排水工程施工手册 》2.本工程位于永寿县商流汽配工业园区内,道路西起永兴路 ,东至白坊路 。道路全长 309.885 米,设计车速为 40km/h, 属新建城市次干路 ,沥青混凝土路面 ,规划...

1、当您付费下载文档后,您只拥有了使用权限,并不意味着购买了版权,文档只能用于自身使用,不得用于其他商业用途(如 [转卖]进行直接盈利或[编辑后售卖]进行间接盈利)。
2、本站所有内容均由合作方或网友上传,本站不对文档的完整性、权威性及其观点立场正确性做任何保证或承诺!文档内容仅供研究参考,付费前请自行鉴别。
3、如文档内容存在违规,或者侵犯商业秘密、侵犯著作权等,请点击“违规举报”。

碎片内容

混凝土排水管道闭水试验专项施工方案

确认删除?
VIP
微信客服
  • 扫码咨询
会员Q群
  • 会员专属群点击这里加入QQ群
客服邮箱
回到顶部