电脑桌面
添加小米粒文库到电脑桌面
安装后可以在桌面快捷访问

混凝土结构设计原理习题与答案

混凝土结构设计原理习题与答案_第1页
1/26
混凝土结构设计原理习题与答案_第2页
2/26
混凝土结构设计原理习题与答案_第3页
3/26
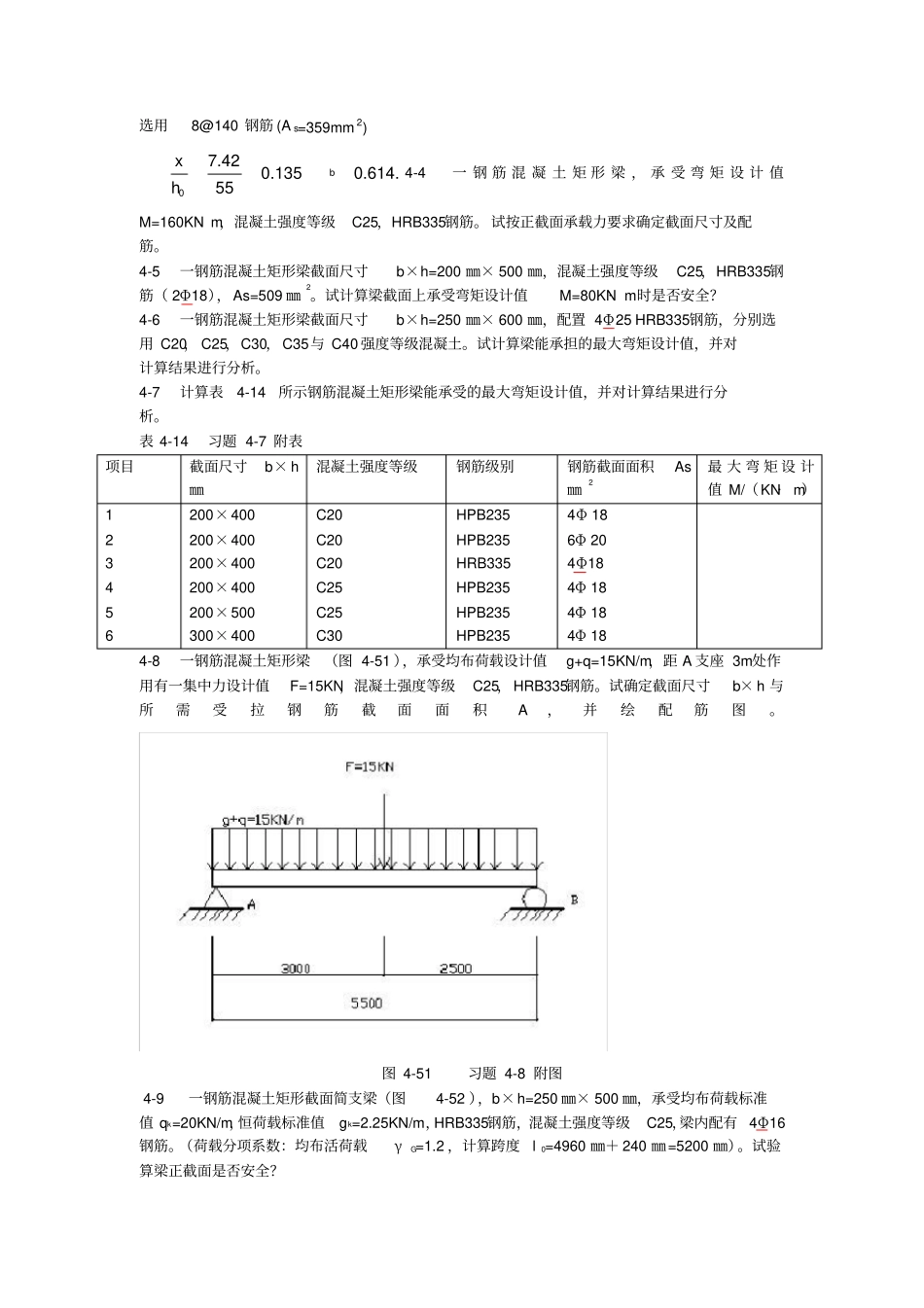
第三章习题3-1 某四层四跨现浇框架结构的第二层内柱轴向压力设计值N=14×104N,楼层高 H=5.4m,计算长度 l 0=1.25H,混凝土强度等级为C20,HRB400级钢筋。试求柱截面尺寸及纵筋面积。3-2 由于建筑上使用要求,某现浇柱截面尺寸为250 ㎜× 250 ㎜,柱高4.0m,计算高度l 0=0.7H=2.8m,配筋为4Φ16( As′=804 ㎜2)。C30 混凝土, HRB400级钢筋,承受轴向力设计值 N=950KN。试问柱截面是否安全?3-3 已知一桥下螺旋箍筋柱, 直径为 d=500 ㎜,柱高 5.0m,计算高度 l 0=0.7H=3.5m,配 HRB400钢筋 10Φ16(As′=2010 ㎜2),C30 混凝土, 螺旋箍筋采用R235,直径为 12 ㎜,螺距为 s=50㎜。试确定此柱的承载力。3-4 编写轴心受拉与轴心受压构件截面承载力计算程序。第四章习题4-1 一钢筋混凝土矩形梁截面尺寸b×h=250 ㎜× 500 ㎜,混凝土强度等级C25,HRB335钢筋,弯矩设计值M=125KN·m。试计算受拉钢筋截面面积,并绘配筋图。4-2 一钢筋混凝土矩形梁截面尺寸b×h=200 ㎜× 500 ㎜,弯矩设计值M=120 KN·m,混凝土强度等级C25。试计算下列三种情况纵向受力钢筋截面面积As:(1)当选用 HPB235钢筋时;(2)改用 HRB335钢筋时;(3)M=180KN·m时。最后,对三种结果进行对比分析。解:①当 HRB235 钢筋按一排布置: h0=h-35=500-35=465mm. 查表可知 :对于混凝土强度等级C25 可得 fc=11.9N/mm.f y=210N/mm. b=0.614, 1=1.0. 对于s=20cMf bh=621.01.0=0.2332. =12s =1120.2332 =0.26950.614.bA s=c0yfbhf= 1.011.9210mm 2. minAbh =0.2%=mm2选用 618(A s=1527mm 2)钢筋 . ②当 HRB335 钢筋时 , 选假定受力钢筋按一排布置h0=h-35=500-35=465mm. 查表可知 :对于 HRB335 钢筋 .f y=300N/mm2. b=0.550. 1=1.0. 对于s=20cMf bh=621.01.0=0.2332. =12s =0.2695b =0.550. A s=c0yfbhf=0.26951.0 11.9300=994.18mm2 minAbh =0.2%=mm2选用 516(A s=1005mm 2)钢筋 . ③当 M=180kN 时,选假定受力钢筋按一排布置. 查表得 fc=11.9N/mm2,f y=210N/mm2, b=0.614, 1=1.0. 对于s=20cMf bh=621801.0=0.3498. =12s =1-120.3498 =0.452b =0.614. A s=c0yfbhf=0.45211.9210=2382mm2. minAbh =0.2%=mm2选用 820 钢筋 (A s=2513mm 2). 由上述①③②可知:⑴由其它条件不变,仅改变受拉钢筋等级,则受拉钢筋强度高时,钢筋面积小,否则 ,钢筋面积大 ;⑵其它条...

1、当您付费下载文档后,您只拥有了使用权限,并不意味着购买了版权,文档只能用于自身使用,不得用于其他商业用途(如 [转卖]进行直接盈利或[编辑后售卖]进行间接盈利)。
2、本站所有内容均由合作方或网友上传,本站不对文档的完整性、权威性及其观点立场正确性做任何保证或承诺!文档内容仅供研究参考,付费前请自行鉴别。
3、如文档内容存在违规,或者侵犯商业秘密、侵犯著作权等,请点击“违规举报”。

碎片内容

混凝土结构设计原理习题与答案

您可能关注的文档

确认删除?
VIP
微信客服
  • 扫码咨询
会员Q群
  • 会员专属群点击这里加入QQ群
客服邮箱
回到顶部