电脑桌面
添加小米粒文库到电脑桌面
安装后可以在桌面快捷访问

关于锅炉能效测试设备附页

关于锅炉能效测试设备附页_第1页
1/6
关于锅炉能效测试设备附页_第2页
2/6
关于锅炉能效测试设备附页_第3页
3/6
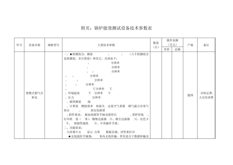
附页:锅炉能效测试设备技术参数表 序号 设备名称 规格型号 主要技术参数 数量 (台) 报价金额 (万元) 产地 备注 单价 总额 1 便携式烟气分析仪 J2KNPro IN 一、★检测组分:测量O2, CO, CO2,H2,CxHy,SO2(六个检测组分是检测值,非计算值)和其它,具体如下: 1、O2 : 0-21.00%,分辨率0.1% 2、CO :0-20000ppm,分辨率 1ppm 3、H2:0-2000ppm, 分辨率 1ppm 4、SO2:0-5000ppm,分辨率 1ppm 5、IRC3H8:0-2000ppm,分辨率 1ppm 6、IRCO2:0-20%分辨率0.1% 7、T-gas: 0-650/1200℃分辨率0.1℃ 8、环境温度: 0-99℃, 分辨率0.1℃ 9、压力 :+/- 100hPa分辨率 0.01hPa 10、烟黑测量:0-9级 11、计算值: 燃烧效率, 热损失, 过量空气系数, 烟气露点有毒气体以 mg/kWh、mg/m3(参比氧换算) 12、附件要求:1根加热探管手柄及探管长(SB)300mm、采样管线 3m、打印纸 1卷(20米)、精细过滤器 1只、烟尘过滤器 10只、比色卡1个、1袋烟黑滤纸 200片、中英操作手册。 二、功能要求: 1.大屏幕中文 LCD显示,自带 2GB数据存储、评价和打印 2. ★无线遥控手操器: 50米内无线传输,带有适合于数据转输及1 德国 含检定费、 人员培训费 记录到 PC的 UBS接口,带有磁铁背板方便吸附在金属表面使用; 3. 具有大功率采样泵、可视流量调节控制,帕尔帖气体冷却器和蠕动泵自动排放冷凝. 4. ★带数字式可视化流量计显示及流量指示 三、产品资质要求: ①★投标时投标人须提供生产厂家针对本项目的授权书原件或提供生产厂家给中国总代理商的授权书复印件和中国总代理商针对本项目的授权书原件。 ②计量器具型式批准证书复印件 ③无线电设备型号核准证复印件 ④报关单复印件 四、配置: ①满足一和二点要求的全部配置,含中文说明书 ②高温采样探管(配备过滤器)1根,长度 1000mm,耐温上限1200℃,探管镍铬合金材料。 2 电能表 6300 1、★电流最大 400A,电压最大 600V,精度不低于 0.5级 2、测量功能:电压, 电流, 频率,有功功率, 无功功率, 视在功率,有功电能, 无功电能, 视在电能,功率因数电能质量分析。 3、★配置:进口原装主机、三根钳形传感器和附件。 1 日本 含检定费、 人员培训费 3 无线温度 采集系统 WWC12A ①★采用 12个无线采集装置,无线采集装置测量最高温度1000℃,精度不低于 0.5级; ②★能现场对锅炉容器的过热蒸汽、饱和蒸汽、给水、热油、...

1、当您付费下载文档后,您只拥有了使用权限,并不意味着购买了版权,文档只能用于自身使用,不得用于其他商业用途(如 [转卖]进行直接盈利或[编辑后售卖]进行间接盈利)。
2、本站所有内容均由合作方或网友上传,本站不对文档的完整性、权威性及其观点立场正确性做任何保证或承诺!文档内容仅供研究参考,付费前请自行鉴别。
3、如文档内容存在违规,或者侵犯商业秘密、侵犯著作权等,请点击“违规举报”。

碎片内容

关于锅炉能效测试设备附页

确认删除?
VIP
微信客服
  • 扫码咨询
会员Q群
  • 会员专属群点击这里加入QQ群
客服邮箱
回到顶部