电脑桌面
添加小米粒文库到电脑桌面
安装后可以在桌面快捷访问

制鞋工艺操作规程

制鞋工艺操作规程_第1页
1/10
制鞋工艺操作规程_第2页
2/10
制鞋工艺操作规程_第3页
3/10
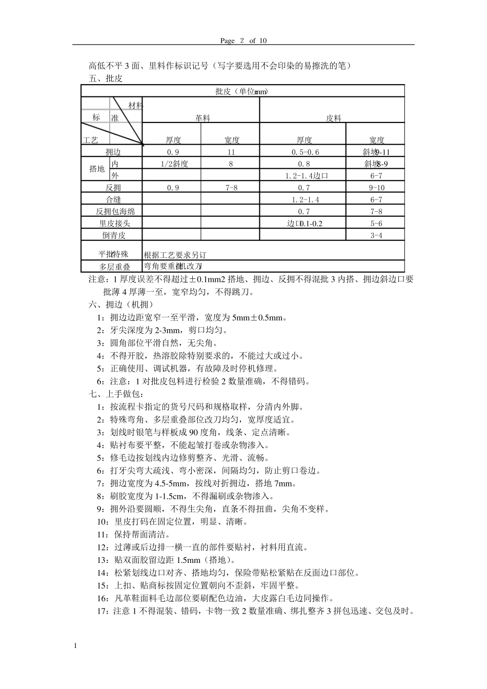
Page 1 of 10 1 工艺操作规程 裁断车间 一、手工划料 1:按流程卡指定的货号、尺码和规格取划料样,分清内外脚,了解各部件的片数。 2:领取皮料后先检查与确认样是否相符。包括厚度、表面色泽、手感、有无掉漆、皮炸、松面等现象。 3:按不同款式部件要求选皮分类,先算后用。 4:顶验皮疤,并用银笔作上记号(画圈)。 5:样板互套,寻求最佳互套方法,合理利用。 8:每张皮划完要点数、配双并在包脚底或其它部件适当部位贴上对码贴,不缺料、缺片。 9:头排部件要再次检查是否有皮疤漏验。 10:注意 1 里皮口条横流划料冲料(特殊除外)2 小件按不同款要求划料 3 填写质量卡。 二、手工剪料 1:使用合适剪刀,剪口要锋利。 2:需上手做包修毛边部位线外留有 0.5-1mm,不需要上手做包修剪的部位,剪去划线,不得线内吃料,光滑流畅。 3:拥边、搭地按线剪(划走样除外)。 4:改划或吃料部件先看清后剪。包脚地可以少量缺料(2-3mm)。搭地部位可以少量吃料(小弯角 2mm)。拥边,毛边不得缺料。 5:里皮外搭接头要剪去线位。 6:按顺序剪料,分类摆放、点数。 7:缺片少块及时拼包,多余返回,不得代码混装。 8:整手鞋包(包括小件)要配齐,分类捆绑。 9:注意 1 发现疲疤等缺陷要返回划料 2 不同码不得混杂 3 对码贴脱落要及时补上 4 大皮冲料参照裁断和手工剪料。 三、验收点数 1:验皮疤采用不同大小的铁球顶验。A 大件、硬件剪料或冲料后分部件按顺序顶验 B小件、软条形件应先划料剪成小块(多部件)顶验,后冲料或剪料。C 顶验皮疤不得将部件拉变形。 2:验花纹、粗细按对码贴,头排、机心、明口舌、横档等要逐双检验,后排可分片检验(花皮除外) 3:不良品要及时拼包,对码、对双补齐。 4:分部件摆放点数,填写质量卡。 5:革鞋按部件分刀点数抽查。 6:注意 1 不良品处置要及时 2 不良品的处理要先控制后处置、追踪。 四、冲料 1:机心、边排、后跟条直流排刀。 2:头排布没复 EVA 直流排刀,复 EVA 可以任意排刀,特殊除外。 3:后里、边里排横刀,口舌可任意排刀。 4:包头切片接头要换切片,包脚地 10mm 内革边针眼可以下。 5:不得缺料、代码下料。 6:特殊冲料,刀口应常用蜡块擦磨,采用较硬平整冲板。 Page 2 of 10 1 高低不平3 面、里料作标识记号(写字要选用不会印染的易擦洗的笔) 五、批皮 注意:1 厚度误差不得超过±0.1mm2 搭地、拥...

1、当您付费下载文档后,您只拥有了使用权限,并不意味着购买了版权,文档只能用于自身使用,不得用于其他商业用途(如 [转卖]进行直接盈利或[编辑后售卖]进行间接盈利)。
2、本站所有内容均由合作方或网友上传,本站不对文档的完整性、权威性及其观点立场正确性做任何保证或承诺!文档内容仅供研究参考,付费前请自行鉴别。
3、如文档内容存在违规,或者侵犯商业秘密、侵犯著作权等,请点击“违规举报”。

碎片内容

制鞋工艺操作规程

确认删除?
VIP
微信客服
  • 扫码咨询
会员Q群
  • 会员专属群点击这里加入QQ群
客服邮箱
回到顶部