电脑桌面
添加小米粒文库到电脑桌面
安装后可以在桌面快捷访问

副本(华润新能源字[2013]028号)附件1:华润新能源风电科技文件归档范围(69大类)

副本(华润新能源字[2013]028号)附件1:华润新能源风电科技文件归档范围(69大类)_第1页
1/25
副本(华润新能源字[2013]028号)附件1:华润新能源风电科技文件归档范围(69大类)_第2页
2/25
副本(华润新能源字[2013]028号)附件1:华润新能源风电科技文件归档范围(69大类)_第3页
3/25
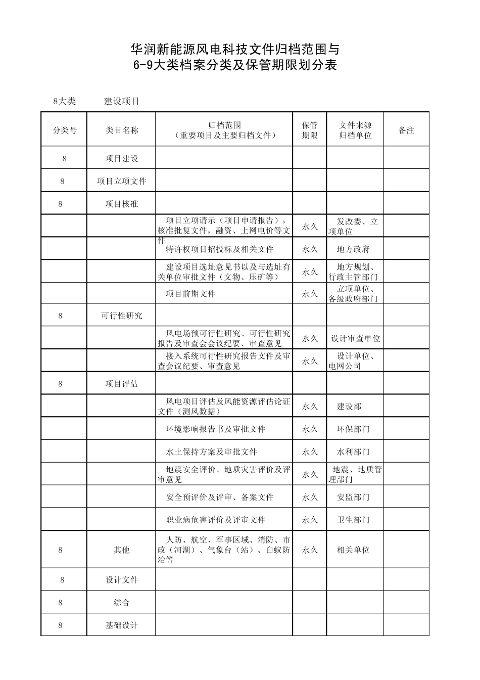
8大类 建设项目分类号 类目名称归档范围(重要项目及主要归档文件)保管期限文件来源归档单位 备注8项目建设80项目立项文件800项目核准 项目立项请示(项目申请报告),核准批复文件,融资、上网电价等文件永久 发改委、立项单位 特许权项目招投标及相关文件 永久 地方政府 建设项目选址意见书以及与选址有关单位审批文件(文物、压矿等)永久 地方规划、行政主管部门 项目前期文件永久 立项单位、各级政府部门801可行性研究 风电场预可行性研究、可行性研究报告及审查会会议纪要、审查意见永久设计审查单位 接入系统可行性研究报告文件及审查会议纪要、审查意见永久 设计单位、电网公司802项目评估 风电项目评估及风能资源评估论证文件(测风数据)永久 建设部 环境影响报告书及审批文件永久 环保部门 水土保持方案及审批文件永久 水利部门 地震安全评价、地质灾害评价及评审意见永久 地震、地质管理部门 安全预评价及评审、备案文件 永久 安监部门 职业病危害评价及评审文件永久 卫生部门809其他 人防、航空、军事区域、消防、市政(河湖)、气象台(站)、白蚁防治等永久 相关单位81设计文件810综合811基 础 设计华润新能源风电科技文件归档范围与6-9大类档案分类及保管期限划分表分类号 类目名称归档范围(重要项目及主要归档文件)保管期限文件来源归档单位 备注 建设用地勘察报告及图纸,岩土工程勘察报告永久 勘察、设计单位 水文地质勘测报告永久 勘察、设计单位 地形、地貌图,项目用地测量报告及图纸永久 勘察、设计单位 水文、气象、地震文件材料永久 勘察、设计单位812初步设计 初步设计(收口)及审查文件 永久 设计单位 设计方案、设计审定文件(初设最终版)等永久 设计单位 设计优化提出、策划(论证)、方案及审批、设计图纸等永久 建设、设计单位813施工图 施工图目录及说明、施工图、预(概)算书、微观选址报告30年 设计单位 设计交底及施工图会审及纪要 30年 监理单位819其他82项目准备文件820综合821建设用地 建设用地申请及各级政府土地主管部门审批文件、建设用地预审批复文件、林地占用文件永久 地方及国土资源部、林业部门 建设规划用地许可证、国有土地使用证、林地砍伐证永久 地方规划部门、国土资源管理部门、林业部门 建设用地征地、拆迁、安置及补偿、赔偿合同、协议,林地补偿永久 建设单位、地方政府、林业部门 施工临时用地租赁合同、协议及补偿...

1、当您付费下载文档后,您只拥有了使用权限,并不意味着购买了版权,文档只能用于自身使用,不得用于其他商业用途(如 [转卖]进行直接盈利或[编辑后售卖]进行间接盈利)。
2、本站所有内容均由合作方或网友上传,本站不对文档的完整性、权威性及其观点立场正确性做任何保证或承诺!文档内容仅供研究参考,付费前请自行鉴别。
3、如文档内容存在违规,或者侵犯商业秘密、侵犯著作权等,请点击“违规举报”。

碎片内容

副本(华润新能源字[2013]028号)附件1:华润新能源风电科技文件归档范围(69大类)

小辰3+ 关注
实名认证
内容提供者

出售各种资料和文档

确认删除?
VIP
微信客服
  • 扫码咨询
会员Q群
  • 会员专属群点击这里加入QQ群
客服邮箱
回到顶部