电脑桌面
添加小米粒文库到电脑桌面
安装后可以在桌面快捷访问

力士乐伺服阀放大器说明书

力士乐伺服阀放大器说明书_第1页
1/8
力士乐伺服阀放大器说明书_第2页
2/8
力士乐伺服阀放大器说明书_第3页
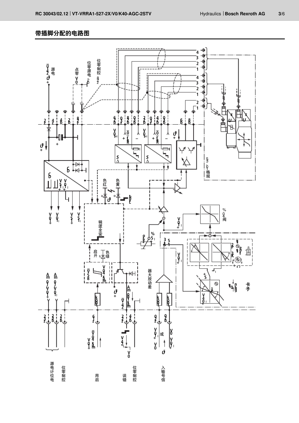
3/8
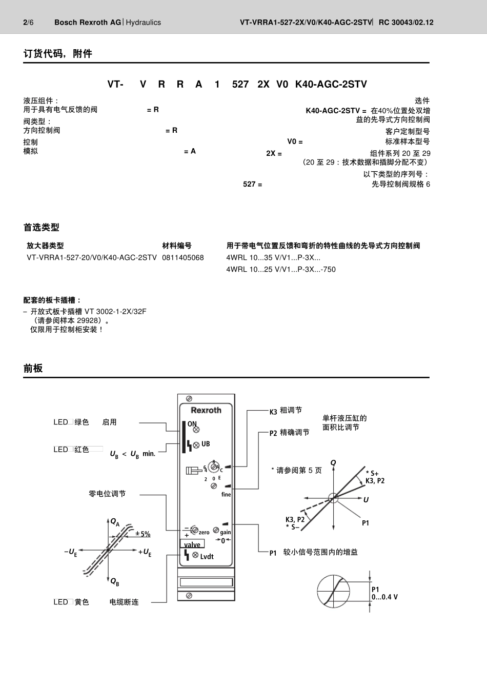
电 气 放 大 器类 型 VT-VRRA1-527-2X/V0/K40-AGC-2STV组 件 系 列 2XRC 30043/02.12替 代 对 象 : 11.02目 录内容 页码特 点 1订 货 代 码 , 附 件 2前 板 2带 插 脚 分 配 的 电 路 图 3技 术 数 据 4调 试 5单 元 尺 寸 6项 目 规 划 /维 护 说 明 /附 加 信 息 6特点– 适 用 于 控 制 带 有 双 增 益 的 特 性 曲 线 的 先 导 式 方 向 控 制 阀– 双 增 益 的 阀 特 性 曲 线 的 线 性 化– 单 杆 液 压 缸 的 面 积 比 调 节– 用 于 安 装 在 19 英 寸 机 架 上 的 欧 洲 格 式 的 模 拟 放 大 器– 可 控 输 出 级– 选 通 输 入– 防 短 路 输 出– 调 节 可 能 性 – 零 位 阀– 实 际 值 电 缆 的 电 缆 断 连 检 测– 带 有 PID 调 节 的 位 置 控 制– 较 小 信 号 范 围 内 的 增 益注意:图 片 所 示 的 是 示 例 配 置 。实 际 交付的 产品与图 片 会有 所 差异。1/6Lvdtzerogainfine006E2A84C+–valve5%+UEQAQB–UE+UQUB < UB min.ONK3P2P1P1* S+K3, P2K3, P2* S−P10...0.4 VUB2/6 Bosch Rexroth AG HydraulicsVT-VRRA1-527-2X/V0/K40-AGC-2STV RC 30043/02.12订 货 代 码 , 附 件前 板首 选 类 型放 大 器 类 型材 料 编 号用 于带电气位置反馈和弯折的特性曲线的先导式方向控制阀VT-VRRA1-527-20/V0/K40-AGC-2STV 08114050684WRL 10...35 V/V1...P-3X...4WRL 10...25 V/V1...P-3X...-750液 压 组 件 :用 于 具 有 电 气 反 馈 的 阀 = R阀 类 型 :方 向 控 制 阀 = R控 制模 拟 = A选 件K40-AGC-2STV = 在 40%位 置 处 双 增益 的 先 导 式 方 向 控 制 阀客 户 定 制 型 号 V0 = 标 准 样 本 型 号2X = 组 件 系 列 20 至 29( 20 至 29: 技 术 数 据 和 插 脚 分 配 不 变 )以 下 类 型 的 序 列 号 :527 = 先 导 控 制 阀 规 格 6LEDLEDLED绿 色黄 色零 电 位 调 节* 请 参 阅 第 5 页单 杆 液 压 缸 的面 积 比 调 节较 小 信 号 范 围 内 的 增 益粗 调 节精 确 调 节红 色启 用电 缆 断 连VT-VRRA15272X ...

1、当您付费下载文档后,您只拥有了使用权限,并不意味着购买了版权,文档只能用于自身使用,不得用于其他商业用途(如 [转卖]进行直接盈利或[编辑后售卖]进行间接盈利)。
2、本站所有内容均由合作方或网友上传,本站不对文档的完整性、权威性及其观点立场正确性做任何保证或承诺!文档内容仅供研究参考,付费前请自行鉴别。
3、如文档内容存在违规,或者侵犯商业秘密、侵犯著作权等,请点击“违规举报”。

碎片内容

力士乐伺服阀放大器说明书

您可能关注的文档

确认删除?
VIP
微信客服
  • 扫码咨询
会员Q群
  • 会员专属群点击这里加入QQ群
客服邮箱
回到顶部