电脑桌面
添加小米粒文库到电脑桌面
安装后可以在桌面快捷访问

基坑质量交验单

基坑质量交验单_第1页
1/18
基坑质量交验单_第2页
2/18
基坑质量交验单_第3页
3/18
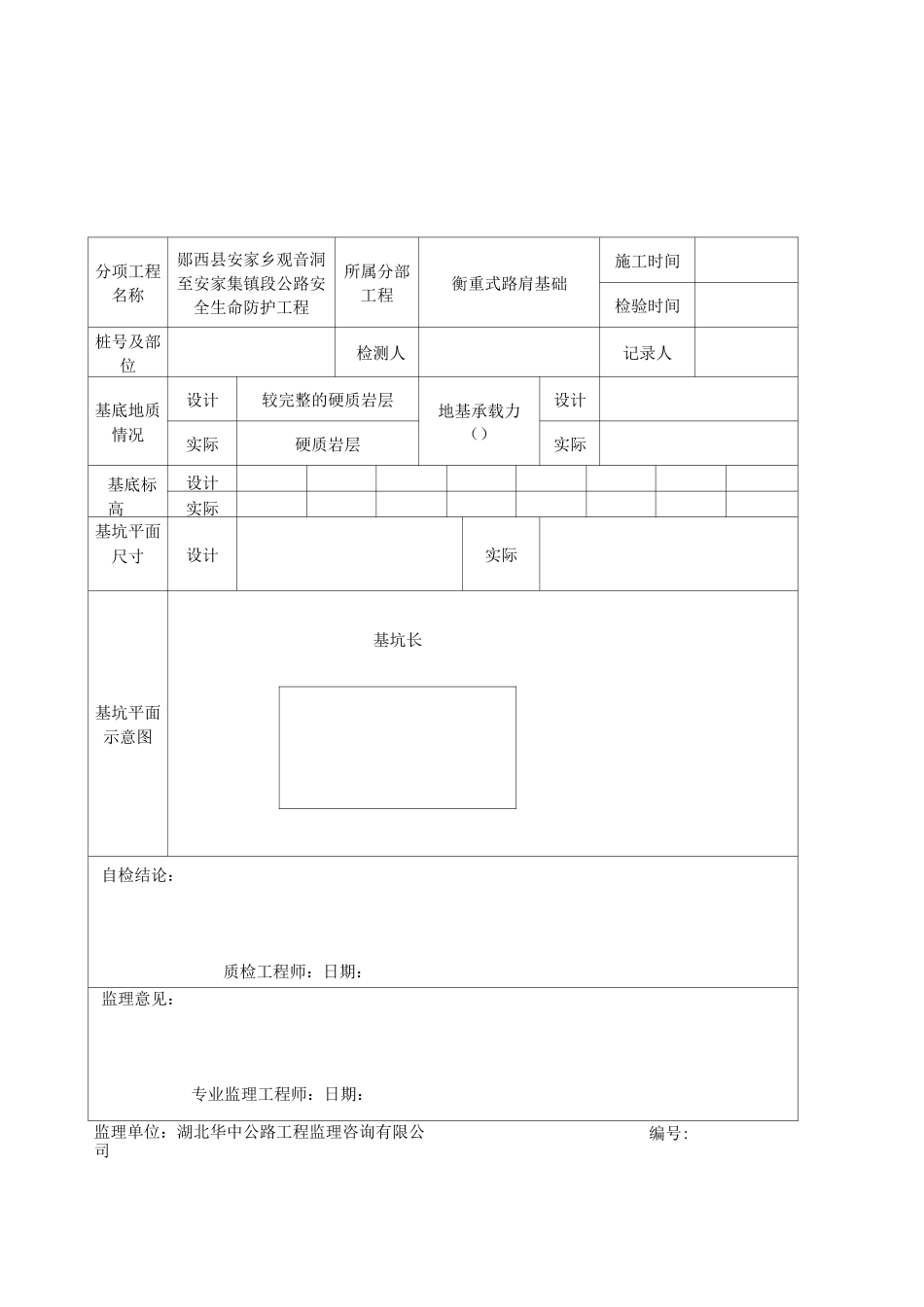
分项工程名称郧西县安家乡观音洞至安家集镇段公路安全生命防护工程所属分部工程衡重式路肩基础施工时间检验时间桩号及部位检测人记录人基底地质情况设计较完整的硬质岩层地基承载力()设计实际硬质岩层实际基底标高设计实际基坑平面尺寸设计实际基坑平面示意图基坑长自检结论:质检工程师:日期:监理意见:专业监理工程师:日期:监理单位:湖北华中公路工程监理咨询有限公司编号:分项工程名称郧西县安家乡观音洞至安家集镇段公路安全生命防护工程所属分部工程衡重式路肩基础施工时间检验时间桩号及部位检测人记录人基底地质情况设计较完整的硬质岩层地基承载力()设计实际硬质岩层实际基底标高设计实际基坑平面尺寸设计实际基坑平面示意图基坑长自检结论:质检工程师:日期:监理意见:专业监理工程师:日期:监理单位:湖北华中公路工程监理咨询有限公司编号:分项工程名称郧西县安家乡观音洞至安家集镇段公路安全生命防护工程所属分部工程衡重式路肩基础施工时间检验时间桩号及部位检测人记录人基底地质情况设计较完整的硬质岩层地基承载力()设计实际硬质岩层实际基底标高设计实际基坑平面尺寸设计实际基坑平面示意图基坑长自检结论:质检工程师:日期:监理意见:专业监理工程师:日期:监理单位:湖北华中公路工程监理咨询有限公司编号:分项工程名称郧西县安家乡观音洞至安家集镇段公路安全生命防护工程所属分部工程衡重式路肩基础施工时间检验时间桩号及部位检测人记录人基底地质情况设计较完整的硬质岩层地基承载力()设计实际硬质岩层实际基底标高设计实际基坑平面尺寸设计实际基坑平面示意图基坑长自检结论:质检工程师:日期:监理意见:专业监理工程师:日期:监理单位:湖北华中公路工程监理咨询有限公司编号:分项工程名称郧西县安家乡观音洞至安家集镇段公路安全生命防护工程所属分部工程衡重式路肩基础施工时间检验时间桩号及部位检测人记录人基底地质情况设计较完整的硬质岩层地基承载力()设计实际硬质岩层实际基底标高设计实际基坑平面尺寸设计实际基坑平面示意图基坑长自检结论:质检工程师:日期:监理意见:专业监理工程师:日期:监理单位:湖北华中公路工程监理咨询有限公司编号:分项工程名称郧西县安家乡观音洞至安家集镇段公路安全生命防护工程所属分部工程衡重式路肩基础施工时间检验时间桩号及部位检测人记录人基底地质情况设计较完整的硬质岩层地基承载力()设计实际硬质岩层实际基底标高设计实际基坑平面尺寸设...

1、当您付费下载文档后,您只拥有了使用权限,并不意味着购买了版权,文档只能用于自身使用,不得用于其他商业用途(如 [转卖]进行直接盈利或[编辑后售卖]进行间接盈利)。
2、本站所有内容均由合作方或网友上传,本站不对文档的完整性、权威性及其观点立场正确性做任何保证或承诺!文档内容仅供研究参考,付费前请自行鉴别。
3、如文档内容存在违规,或者侵犯商业秘密、侵犯著作权等,请点击“违规举报”。

碎片内容

基坑质量交验单

您可能关注的文档

确认删除?
VIP
微信客服
  • 扫码咨询
会员Q群
  • 会员专属群点击这里加入QQ群
客服邮箱
回到顶部