电脑桌面
添加小米粒文库到电脑桌面
安装后可以在桌面快捷访问

满堂红脚手架计算书二项、一项

满堂红脚手架计算书二项、一项_第1页
1/6
满堂红脚手架计算书二项、一项_第2页
2/6
满堂红脚手架计算书二项、一项_第3页
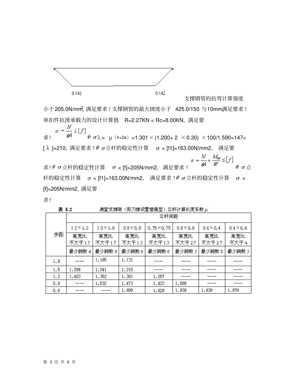
3/6
第 1 页 共 6 页第 2 页 共 6 页面板的抗弯强度验算 f < [f],满足要求 ! 面板的最大挠度小于 300.0/250, 满足要求 ! 方木的抗弯计算强度小于13.0N/mm2, 满足要求 ! 方木的抗剪计算强度小于 1.6N/mm2, 满足要求 ! 方木的最大挠度小于 850.0/250, 满足要求!第 3 页 共 6 页支撑钢管的抗弯计算强度小于 205.0N/mm2, 满足要求 ! 支撑钢管的最大挠度小于 425.0/150 与10mm,满足要求 !单扣件抗滑承载力的设计计算值R=2.27KN < Rc=8.00KN, 满足要求!λ = μ(h+2a)=1.301×(1.200+ 2 ×0.30) ×100/1.590=147< [ λ ]=210, 满足要求 !立杆的稳定性计算 < [f1]=163.00N/mm2,满足要求!立杆的稳定性计算 < [f]=205N/mm2,满足要求 !立杆的稳定性计算 < [f1]=163.00N/mm2,满足要求 !立杆的稳定性计算 < [f]=205N/mm2, 满足要求!第 4 页 共 6 页地基承载力的计算满足要第 5 页 共 6 页求!第 6 页 共 6 页

1、当您付费下载文档后,您只拥有了使用权限,并不意味着购买了版权,文档只能用于自身使用,不得用于其他商业用途(如 [转卖]进行直接盈利或[编辑后售卖]进行间接盈利)。
2、本站所有内容均由合作方或网友上传,本站不对文档的完整性、权威性及其观点立场正确性做任何保证或承诺!文档内容仅供研究参考,付费前请自行鉴别。
3、如文档内容存在违规,或者侵犯商业秘密、侵犯著作权等,请点击“违规举报”。

碎片内容

满堂红脚手架计算书二项、一项

文库响当当+ 关注
实名认证
内容提供者

该用户很懒,什么也没介绍

相关文档

确认删除?
VIP
微信客服
  • 扫码咨询
会员Q群
  • 会员专属群点击这里加入QQ群
客服邮箱
回到顶部