电脑桌面
添加小米粒文库到电脑桌面
安装后可以在桌面快捷访问

井下高压系统整定计算说明指导书

井下高压系统整定计算说明指导书_第1页
1/38
井下高压系统整定计算说明指导书_第2页
2/38
井下高压系统整定计算说明指导书_第3页
3/38
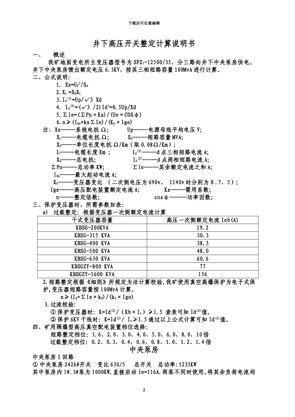
下载后可任意编辑井下高压系统整定计算说明指导书下载后可任意编辑井下高压开关整定计算说明书一、概述 我矿地面变电所主变压器型号为 SFZ7-12500/35,分三路向井下中央泵房供电。井下中央泵房馈出额定电压 6.3KV,按其三相短路容量 100MvA 进行计算。二、公式说明: 1.Xx=UP2/Sd 2.XL =XOXL 3.Id(3)=Up/√3 Xd 4. Id(2)=(√3 /2)Id3=0.5Up/Xd 5.∑Ie=(∑Pn×Kx)/(Ue×COSφ)6.n≥(IQe+kx∑Ie)/(Kb×Ige)注:Xx-----系统电抗 Ω; Up-----电源母线平均电压 V; XL-----电缆电抗 Ω; Sd-----短路容量 MVA; XO-----单位长度电抗 Ω/Km(取 0.08Ω/Km); L-----电缆长度 Km ; Id(3)-----d 点三相短路电流 A; Xd-----总电抗; Id(2)-----d 点两相短路电流 A; ∑Pn-----总功率 KW; ∑Ie-----其余额定电流之和 A; IQe-----最大起动电流 A; Kb-----变压器变比 (二次侧电压为 690v、 1140v 时分别为8.7、5);Ige-----高压配电装置额定电流 A; Kx-----需用系数; n-----整定倍数; cosφ------功率因数;三、保护变压器时,所需参数如表:a) 过载整定:根据变压器一次侧额定电流计算干式变压器容量高压一次侧额定电流 Ieb(A)KBSG-200KVA19.2KBSG-315 KVA30.3KBSG-400 KVA38.3KBSG-500 KVA48.0KBSG-630 KVA60.6KBSGZY-800 KVA77KBSGZY-1600 KVA1562.短路整定根据《细则》所规定为法计算校验,我矿使用真空高爆保护为电子式保护,变压器短路容量按 100MvA 计算。 n≥(IQ+∑Ie×kX)/(kb×Ige)3.过流校验:① 保护变压器时:K=Id(2)/(Kb×Iz)≥1.5 查表可知 Id(2)值。② 保护 6KV 干线时:K=Id(2)/ Iz≥1.5 通过以上公式计算可知 Id(2)值。四、矿用隔爆型高压真空配电装置档位选择:短路整定档位:1.6、2.0、3.0、4.0、5.0、6.0、8.0、10 倍过载整定档位:0.2、0.3、0.4、0.6、0.8、1.0、1.2、1.4 倍中央泵房中央泵房Ⅰ回路① 中央泵房 2426#开关 变比 630/5 总开关 总功率:5235KW其中泵房内 1#.3#泵为 1000KW,直接启动 Ie=116A.两泵不同时使用,将其余负荷电流均2下载后可任意编辑折算至 6KV 时,电流计算:Ie=(ΣPn×Kx)/(√3Up×COSφ)=(5235×0.51)/(√3×6.3×0.8)=306A<I 干线IQe=6Ie=6*116=696A过载整定: IZ≥Ie=306A n≥Iz/Ige=306/630=0.5 取 0.6 倍短路整定: n≥K(IQe+∑Ie)/ Ige=1.3×(696+306)/630=2.1 取 3.0 倍,则 Iz=3.0×630=18...

1、当您付费下载文档后,您只拥有了使用权限,并不意味着购买了版权,文档只能用于自身使用,不得用于其他商业用途(如 [转卖]进行直接盈利或[编辑后售卖]进行间接盈利)。
2、本站所有内容均由合作方或网友上传,本站不对文档的完整性、权威性及其观点立场正确性做任何保证或承诺!文档内容仅供研究参考,付费前请自行鉴别。
3、如文档内容存在违规,或者侵犯商业秘密、侵犯著作权等,请点击“违规举报”。

碎片内容

井下高压系统整定计算说明指导书

您可能关注的文档

确认删除?
VIP
微信客服
  • 扫码咨询
会员Q群
  • 会员专属群点击这里加入QQ群
客服邮箱
回到顶部