电脑桌面
添加小米粒文库到电脑桌面
安装后可以在桌面快捷访问

2024年污水管网工程监理规划VIP专享VIP免费

2024年污水管网工程监理规划_第1页
1/26
2024年污水管网工程监理规划_第2页
2/26
2024年污水管网工程监理规划_第3页
3/26
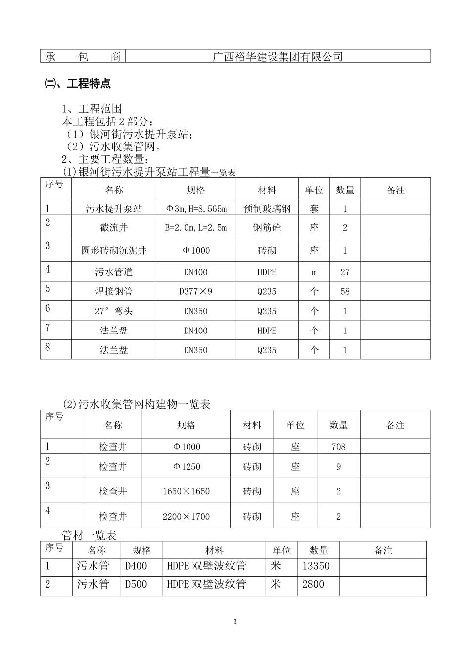
项目编号:钦州市银河街片区污水截流工程监理规划总监:审批:南宁品正建设咨询有限责任公司2015年月目录一、工程项目概况................................................3㈠、概况一览表..................................................3㈡、工程特点....................................................3二、监理工作范围................................................61三、监理工作内容................................................6㈠、施工准备阶段................................................6㈡、施工阶段....................................................7㈢、竣工验收及缺陷责任期........................................7四、监理工作目标................................................7五、监理工作依据................................................8六、监理机构的组织形式..........................................8七、人员配备计划................................................9八、人员岗位职责................................................9㈠、总监理工程师岗位职责........................................9(三)、专业监理工程师岗位职责.................................10(四)、监理员岗位职责.........................................10(五)、安全监理组织机构及职责.................................10九、监理工作程序...............................................11㈠、监理工作总体程序...........................................11㈡、施工过程监理具体工作程序...................................12十、监理工作方法及措施.........................................20㈠、施工阶段质量控制...........................................20㈡、施工进度控制...............................................23㈢、施工造价控制...............................................24㈣、合同与信息管理.............................................26㈤、组织协调...................................................27㈥、安全与文明施工控制措施和方法...............................27十一、监理工作制度.............................................28十二、监理设施.................................................29附件:旁站监理方案…………………………………………………………………27一、工程项目概况㈠、概况一览表工程概况工程内容工程项目名称钦州市银河街片区污水截流工程工程项目地点钦州市钦北区地形、地貌道路沿线所经过地形主要银河街片区现状道路及规划道路的污水管道工程地质特点场地岩土层主要为侏罗系粉砂质泥岩、粉砂岩、泥质粉砂岩,按其风化程度可分为全风化粉砂岩、泥岩3层、泥岩5层组成业主钦州市城市建设投资发展有限公司设计单位中国市政工程中南设计研究总院2承包商广西裕华建设集团有限公司㈡、工程特点1、工程范围本工程包括2部分:(1)银河街污水提升泵站;(2)污水收集管网。2、主要工程数量:(1)银河街污水提升泵站工程量一览表序号名称规格材料单位数量备注1污水提升泵站Φ3m,H=8.565m预制玻璃钢套12截流井B=2.0m,L=2.5m钢筋砼座23圆形砖砌沉泥井Φ1000砖砌座14污水管道DN400HDPEm275焊接钢管D377×9Q235个58627°弯头DN350Q235个17法兰盘DN400HDPE个18法兰盘DN350Q235个1(2)污水收集管网构建物一览表序号名称规格材料单位数量备注1检查井Φ1000砖砌座7082检查井Φ1250砖砌座93检查井1650×1650砖砌座24检查井2200×1700砖砌座2管材一览表序号名称规格材料单位数量备注1污水管D400HDPE双壁波纹管米133502污水管D500HDPE双壁波纹管米280033污水管D600HDPE双壁波纹管米7704污水管DN400钢米70管道穿过铁路5污水管DN600钢米35管道穿过铁路3、工程特点本工程为钦州市银河街片区污水截流工程,分为银河街污水提升泵站与污水收集管网两部分。其中,污水收集管网部分主要设计内容为银河街片区现状道路及规划道路的污水管道。设计中拟...

1、当您付费下载文档后,您只拥有了使用权限,并不意味着购买了版权,文档只能用于自身使用,不得用于其他商业用途(如 [转卖]进行直接盈利或[编辑后售卖]进行间接盈利)。
2、本站所有内容均由合作方或网友上传,本站不对文档的完整性、权威性及其观点立场正确性做任何保证或承诺!文档内容仅供研究参考,付费前请自行鉴别。
3、如文档内容存在违规,或者侵犯商业秘密、侵犯著作权等,请点击“违规举报”。

碎片内容

2024年污水管网工程监理规划

您可能关注的文档

确认删除?
VIP
微信客服
  • 扫码咨询
会员Q群
  • 会员专属群点击这里加入QQ群
客服邮箱
回到顶部