电脑桌面
添加小米粒文库到电脑桌面
安装后可以在桌面快捷访问

关于唐人神集团在株洲地区设立配送中心的规划方案VIP免费

关于唐人神集团在株洲地区设立配送中心的规划方案_第1页
1/9
关于唐人神集团在株洲地区设立配送中心的规划方案_第2页
2/9
关于唐人神集团在株洲地区设立配送中心的规划方案_第3页
3/9
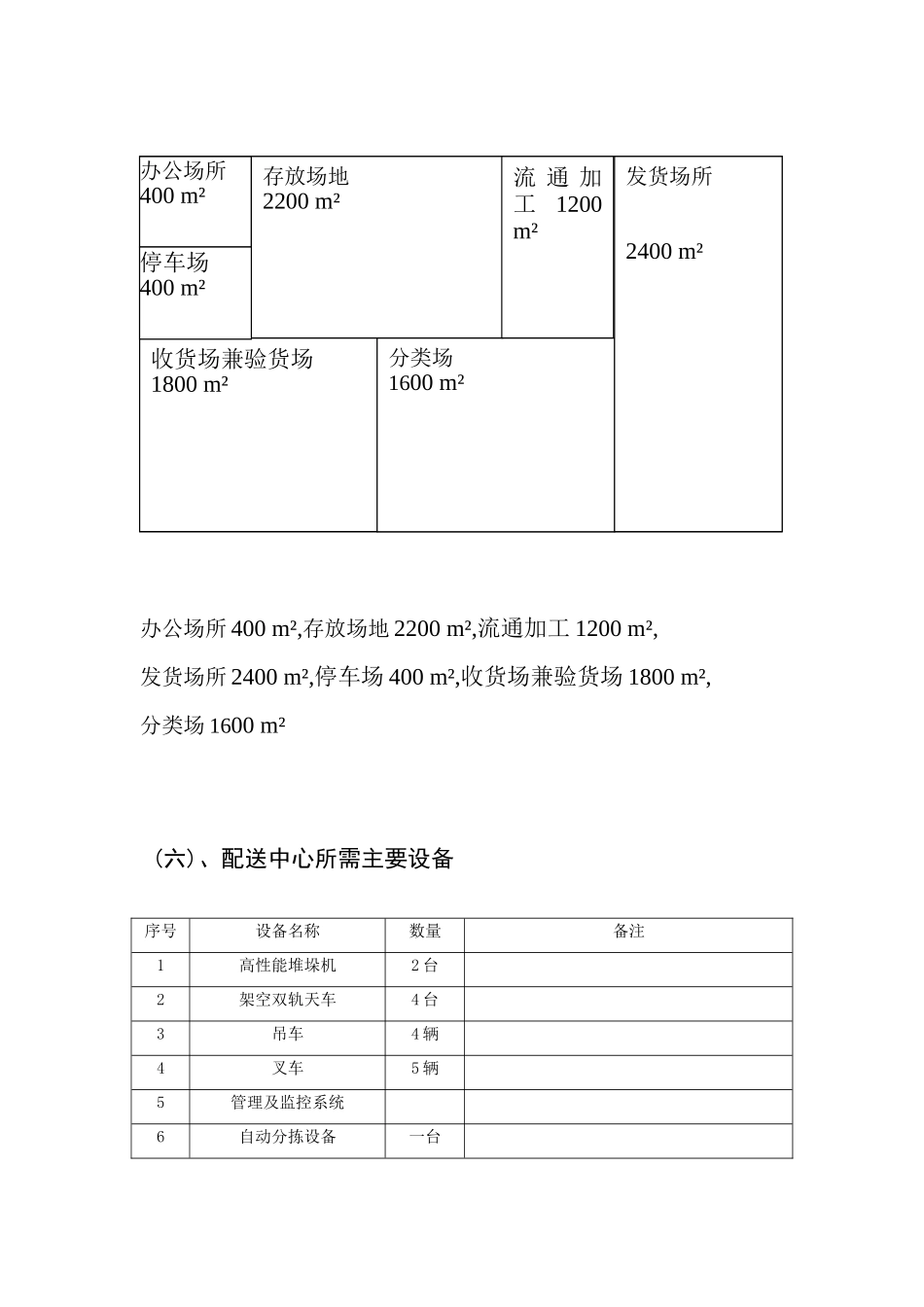
关于唐人神集团在株洲地区设立配送中心的规划方案(一)、背景分析唐人神集团是首批农业产业化国家重点龙头企业。经过20年的创业发展,集团已经形成了品种改良、安全饲料、健康养殖、肉品加工、品牌专卖五大产业一条龙经营的发展格局,集团在全国拥有40余家子公司。集团拳头产品“唐人神”肉品和“骆驼”牌饲料先后被评为中国名牌产品,“唐人神”为中国驰名商标。集团名列饲料行业前十强和肉类行业前十一强,跨入中国制造业500强。(二)、配送中心设立的目的、意义(1)提高企业物流系统的运行经济效益采取在湖南市场建立配送中心后,一则通过统一订货,增大订货经济批量,降低进货成本:二则通过将顾客所需的冷扎薄板、线材配备好,集中向客户发货,以及将多个客户所需的小批量货物集中在一起进行一次发货等发货,减少运输费用:三则通过集中库存,使企业降低库存量。(2)简化手续,方便客户在湖南建立配送中心后,不需要从武汉发货了,能更好地、及时地满足客户需求,对顾客的服务的响应时间缩短,同时也减轻了客户的工作量,节省了开支,方便了客户,从而提高了物流服务质量。(3)提高商品供应或商品销售保证程度在湖南市场建立配送中心后,能更好地、及时地满足客户需求,对湖南地区的市场能更好地掌控。(三)、选址地点及评价与建议选址地点:利用中心法和数值分析法计算得配送中心选址地点坐标为(x,y)[(10.41,7.58)],综合考虑决定将配送中心选择在娄底市。选址的评价及建议:①、市场需求:娄底地处湖南省中央地区,周遍等城市如冷水江、邵阳、湘潭、长沙、娄底、株洲、衡阳等钢材需求量巨大,并有很广阔的市场前景。②、产业环境:经济发展提速增效。2007年,全市生产总值为449.51亿元,增长15.2%,比上年提高2.7个百分点,连续5年保持"两位数"增长的态势。其中,第一产业增加值87.69亿元,增长5.6%;第二产业增加值217.14亿元,增长20.2%;第三产业增加值144.68亿元,增长13.2%。按常住人口计算,人均GDP为11565元,增长14.1%。财政收入增长较快,据快报统计,全市财政总收入32.75亿元,增长25.2%,其中地方财政收入19.05亿元,增长24.3%。③、交通环境:娄底紧邻长、珠、潭城市群。湘黔铁路、洛湛铁路相汇于此,上瑞高速(潭邵高速)太澳高速贯通城区,对外交通十分便利。娄底正加大路网建设速度。娄新高速、娄益一级公路,新淑浦公路、娄衡铁路、涟水复航工程等加紧筹建。未来五年娄底铁路、公路、水运交通网络纵横、四通八达,成为省内重要的交通枢纽。④、地方政策:娄底市委、市政府对招商投资非常重视。在全市机构、编制控制得相当严格之时,新增市项目投资全程代理服务中心,为所有外来投资企业和市内生产资金350万元以上的民营企业(有限责任公司)代办行政审批、工商注册、税务登记及其在生产经营过程中的各种手续,统一为服务对象代收代缴各项行政事业性收费,受理服务对象各种投诉,协调全市职能部门的全程服务。⑤、地理环境:境内地势西高东低,呈阶梯状倾斜。在南起双峰县的猪婆山,至涟源市的参机山、红军寨,将区境分割成东西二大地域。西部山势雄厚,峰岭驰骋,大多为侵蚀、构造、溶蚀地貌,地势险峻,海拔较高;东部地势逐步降低,地形起伏平缓,丘冈延绵、平地宽敞,海拔较低。⑥公共基础设施:近年来,娄底加大城市基础设施建设,兴建了日供水量总达60万吨的水厂、超高压变电站、第二煤气源厂等一大批基础设施,修建了两条高等级公路和多条市内主要交通干线,开通了40万门程控电话、20万部移动电话,建立了与全球联网的娄底信息港。娄底市中心城区已建成全国有名的森林城市。(四)、配送中心的总体功能定位及规模确定配送中心的总体功能定位:根据钢铁公司薄板、线材等的业务发展需求,规划建设集进、储、配、送为一体的多功能、高效益的经济实用的物流中心,满足年进出货量34500吨以上的要求,实现最佳的社会效益。配送中心规模确定:新建配送中心一栋,总建筑面积10000平方米,包括仓储及配送、室内停车场、办公用房等。(五)、中心内部设施构成、作业分区及面积规划办公场所400m²,存放场地2200m²,流通加工1200m²,发货场所2400m²,停车场400m²,收...

1、当您付费下载文档后,您只拥有了使用权限,并不意味着购买了版权,文档只能用于自身使用,不得用于其他商业用途(如 [转卖]进行直接盈利或[编辑后售卖]进行间接盈利)。
2、本站所有内容均由合作方或网友上传,本站不对文档的完整性、权威性及其观点立场正确性做任何保证或承诺!文档内容仅供研究参考,付费前请自行鉴别。
3、如文档内容存在违规,或者侵犯商业秘密、侵犯著作权等,请点击“违规举报”。

碎片内容

关于唐人神集团在株洲地区设立配送中心的规划方案

您可能关注的文档

文章天下+ 关注
实名认证
内容提供者

各种文档应有尽有

确认删除?
VIP
微信客服
  • 扫码咨询
会员Q群
  • 会员专属群点击这里加入QQ群
客服邮箱
回到顶部