电脑桌面
添加小米粒文库到电脑桌面
安装后可以在桌面快捷访问

灰土场拌施工方案

灰土场拌施工方案_第1页
1/21
灰土场拌施工方案_第2页
2/21
灰土场拌施工方案_第3页
3/21
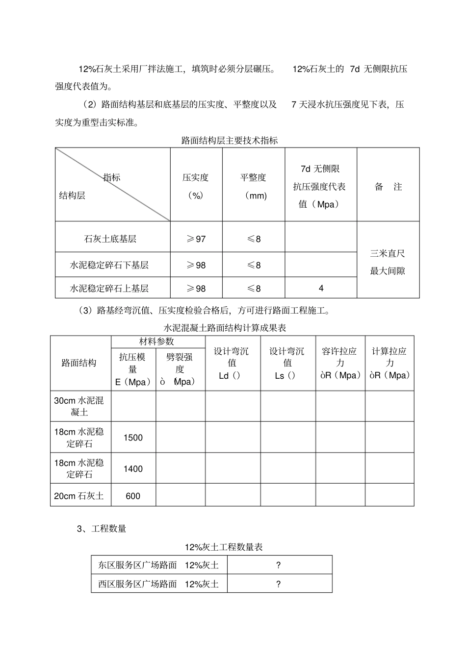
12%灰土施工方案一、编制说明1、编制依据(1)、《 ** 高速公路一期工程第 ** 合同施工图纸》(2)、《公路路基施工技术规范》JTG F10-2006(3)、《公路工程质量检验评定标准》JTG F80/1-2004(4)、 唐廊高速公路一期工程第十二合同的《施工组织设计》(5)、《公路施工手册》路基(6)、《公路工程施工安全技术规范》JTJ076-1995(7)、施工招标及相关合同文件(8)、现场实际地形、地貌、水文等情况2、编制原则(1)、严格按照设计文件及路基施工设计内容的要求,充分体现业主意愿。(2)、根据设计图纸内容及施工现场的实际情况,并结合我单位具体情况,在施工方案中贯彻机械化、专业化施工的原则,编制先进、合理、经济、可行的施工方案。(3)、根据本工程的具体情况及设计要求,积极采用新技术、新工艺、新方法。(4)、建立健全安全文明环保组织措施,节约用地,做到文明施工,满足环保要求。二、工程概况1、工程简述本工程为 ** 高速公路天津段一期工程岳龙服务区,分为东、西两个区,各分区均由服务用房、修理间、加油站站房及罩棚、室外工程组成,建筑总面积约(不含加油站罩棚)、钢筋砼路面万㎡、水稳料下基层万㎡、水稳料上基层万㎡。岳龙服务区路面做法:20cm 石灰土( 12%)+18cm 厚水泥稳定碎石基层(7d)+18cm 厚水泥稳定碎石基层(4MPa/7d)+下封层 +30cm 厚钢筋水泥混凝土面层( 28d 设计弯拉强度标准值,设单层钢筋网)2、主要技术标准(1)石灰土宜采用塑性指数为15~20 的粘性土;土粒应尽可能粉碎,尤其是塑性指数偏大的粘性土,土块最大尺寸应≤15mm。12%石灰土采用厂拌法施工,填筑时必须分层碾压。12%石灰土的 7d 无侧限抗压强度代表值为。(2)路面结构基层和底基层的压实度、平整度以及7 天浸水抗压强度见下表,压实度为重型击实标准。路面结构层主要技术指标指标结构层压实度(%)平整度(mm)7d 无侧限抗压强度代表值( Mpa)备注石灰土底基层≥97≤8三米直尺最大间隙水泥稳定碎石下基层≥98≤8水泥稳定碎石上基层≥98≤84(3)路基经弯沉值、压实度检验合格后,方可进行路面工程施工。水泥混凝土路面结构计算成果表路面结构材料参数设计弯沉值Ld()设计弯沉值Ls()容许拉应力òR(Mpa)计算拉应力òR(Mpa)抗压模量E(Mpa)劈裂强度ò (Mpa)30cm 水泥混凝土18cm 水泥稳定碎石150018cm 水泥稳定碎石140020cm 石灰土6003、工程数量12%灰土工程数量表东区服务区广场路面12%灰土?西区...

1、当您付费下载文档后,您只拥有了使用权限,并不意味着购买了版权,文档只能用于自身使用,不得用于其他商业用途(如 [转卖]进行直接盈利或[编辑后售卖]进行间接盈利)。
2、本站所有内容均由合作方或网友上传,本站不对文档的完整性、权威性及其观点立场正确性做任何保证或承诺!文档内容仅供研究参考,付费前请自行鉴别。
3、如文档内容存在违规,或者侵犯商业秘密、侵犯著作权等,请点击“违规举报”。

碎片内容

灰土场拌施工方案

确认删除?
VIP
微信客服
  • 扫码咨询
会员Q群
  • 会员专属群点击这里加入QQ群
客服邮箱
回到顶部